heatilator GC500CLLE Left Corner Gas Fireplace

Log Set Assembly

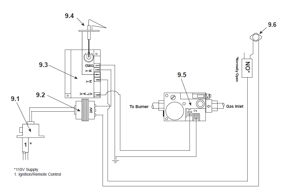
Electronic Ignition Wiring Diagram
IMPORTANT: THIS IS DATED INFORMATION. Parts must be ordered from a dealer or distributor. Hearth and Home Technologies does not sell directly to consumers. Provide model number and serial number when requesting service parts from your dealer or distributor.
ITEM DESCRIPTION COMMENTS PART NUMBER
| 9.1 | Junction Box | 22130 | Y | ||
| 9.2 | Transformer | SRV20947 | Y | ||
| 9.3 | Ignition Control Box | SRV15695 | Y | ||
| 9.4 | Ignitor | Post 21/96 | 26542 | Y | |
| Valve (R/S) – NG | No longer available | 71516 | |||
| 9.5 | Valve (R/S) – LP | No longer available | 71518 | ||
| Valve (W/R) | Pre 21/96 | SRV71511 | Y | ||
| 9.6 | High Limit Switch | SRV4021-383 | Y |
| IMPORTANT: THIS IS DATED INFORMATION. Parts must be ordered from a dealer or distributor. Hearth and Home Technologies does not sell directly to consumers. Provide model number and serial number when requesting service parts from your dealer or distributor. | Stocked at Depot | |||
| ITEM | DESCRIPTION | COMMENTS | PART NUMBER | |
| Brass Connector – 90 deg. – Flex | SRV4021-045 | |||
| Brass Male Connector – Tube | 13425 | |||
| Bulkhead Union 3/8 in. | SRV13405 | Y | ||
| Burner Orifice (.101) – NG | SRV13410 | Y | ||
| Burner Orifice (.059) – LP | SRV13445 | Y | ||
| Burner Tube | No longer available | 24170A | ||
| End Firescreen | No longer available | 25216A | ||
| End Glass Retainer | No longer available | 19824B | ||
| Flexline Assembly | No longer available | 17230B | ||
| Front Firescreen | No longer available | 25212A | ||
| Front Glass Retainer | No longer available | 19823B | ||
| Gasket, Glass | 10 Ft | 28091/10 | Y | |
| Guide Pin Sleeves | Qty 2 req | SRV31120 | ||
| High Limit Switch Bracket | No longer available | 20348A | ||
| Ignitor Ground Wire | No longer available | 25405 | ||
| Lava Rock | 4021-296 | |||
| Log Support | No longer available | 15686K | ||
| Micro Switch | No longer available | SRV13426 | ||
| Mineral Wool | SRV14333 | |||
| Nailing Flange | Qty 4 req | 31190 | ||
| ON/OFF Valve | SRV15697 | Y | ||
| Rear Ember Tray | No longer available | 18697 | ||
| Retrofit Screen | No longer available | 26251 | ||
| Silicone Gasket | 10 Ft | 18476/10 | Y | |
| Thermocouple | SRV72956 | Y | ||
| Valve Bracket (R/W) | No longer available | 18795D | ||
| Valve Bracket | No longer available | 19303 | ||
| Installation Instructions | 20571 | |||






















