GC200E Gas Fireplace Repair Parts
Owner’s Manual
Service Parts
Gas Fireplace – DV
GC200E, GC200LE
Beginning Manufacturing Date: Jan 1990
Ending Manufacturing Date: Jan 1995
Log Set Assembly

IMPORTANT: THIS IS DATED INFORMATION. Parts must be ordered from a dealer or distributor. Hearth and Home Technologies does not sell directly to consumers. Provide model number and serial number when requesting service parts from your dealer or distributor.
| ITEM | DESCRIPTION | COMMENTS | PART NUMBER | Stocked at Depot |
| 1 | Log, Back | No longer available | 13422B | |
| 2 | Log, Right | No longer available | 13423B | |
| 3 | Log, Left | No longer available | 13424B | |
| 4 | Log, Front | No longer available | 13421B | |
| 5 | Face, Top Front | No longer available | 12697F | |
| 6 | Hood | No longer available | 13441 | |
| 7 | Grille, Upper | No longer available | 20942A | |
| 8 | Screen Assembly | No longer available | 16472E | |
| 9 | Glass Panel | SRV13379 | Y | |
| 10 | Grille, Lower | No longer available | 13438B | |
| Burner Assembly | No longer available | 13407A | ||
| Glass Frame | Qty. 2 req. | 13376i | Y | |
| Glass Seal | 10 Ft | 28091/10 | Y | |
| Grate Assembly | 14598C | |||
| Installation Instructions | 14900B |
Additional service part numbers appear on following page.
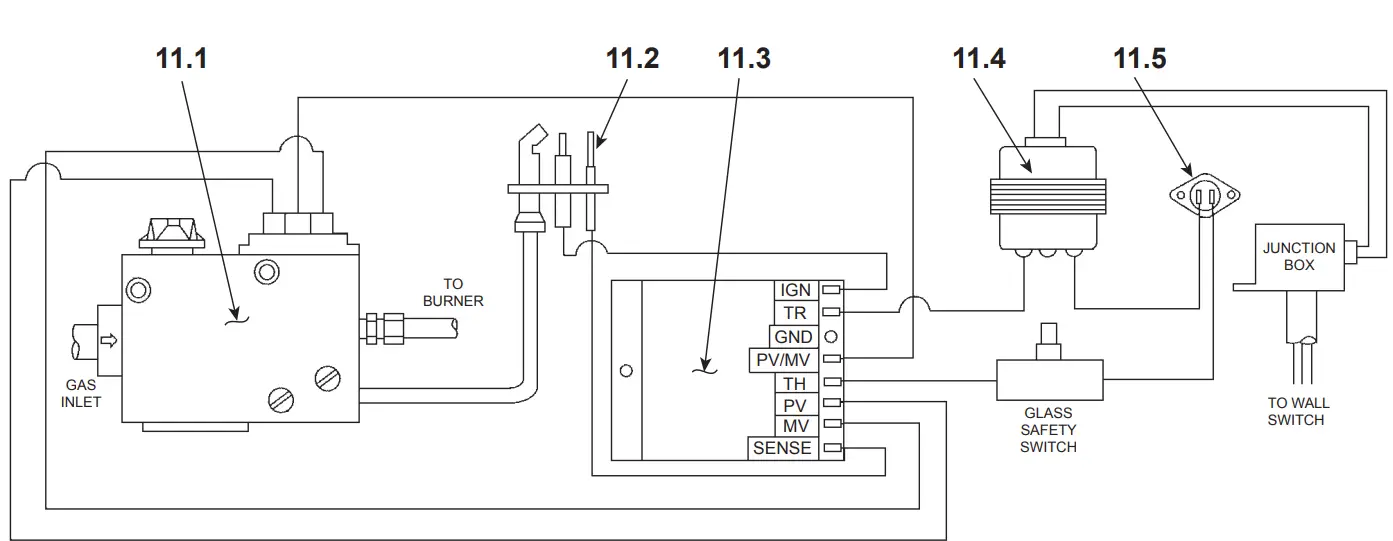
#11 Electronic Ignition Wiring Diagram 
IMPORTANT: THIS IS DATED INFORMATION.
Parts must be ordered from a dealer or distributor. Hearth and Home Technologies does not sell directly to consumers. Provide model number and serial number when requesting service parts from your dealer or distributor.
| ITEM | DESCRIPTION | COMMENTS | PART NUMBER | Stocked at Depot |
| 11. | Valve, Direct Spark – NG | No longer available | 71516 | |
| Valve, Direct Spark – LP | No longer available | 71518 | ||
| Valve, Intermittent Pilot – NG | No longer available | 13885A | ||
| Valve, Intermittent Pilot – LP | No longer available | 14161B | ||
| 11. | Sensor – Intermittent Pilot | No longer available | 13909A | |
| 11. | Ignition Control – Direct Spark | SRV15695 | Y | |
| Ignition Control – Intermittent Pilot | No longer available | 13886B | ||
| 11. | Transformer | SRV20947 | Y | |
| 12. | High Limit Switch | SRV4021-383 | Y | |
| Micro Switch | No longer available | SRV13426 | ||
| Orifice, Burner (.059) – LP | SRV13445 | Y | ||
| Orifice, Burner (.101) – NG | SRV13410 | Y | ||




















