heatilator GC300STLE See-thru Gas Fireplace

Log Set Assembly

IMPORTANT: THIS IS DATED INFORMATION. Parts must be ordered from a dealer or distributor. Hearth and Home Technologies does not sell directly to consumers. Provide model number and serial number when requesting service parts from your dealer or distributor.
| ITEM | DESCRIPTION | COMMENTS | PART NUMBER | |
| Log Assembly | No longer available | 19630 | ||
| 1 | Logs, Front & Back – Qty. 2 req. | No longer available | 19331 | |
| 2 | Logs, Top Left & Right | No longer available | SRV17229 | |
| 3 | Twigs, Top Left & Right | No longer available | SRV17133 | |
| 4 | Log, Top Center | No longer available | SRV18780 | |
| 5 | Standoff, Top | Qty 4 req | SRV4044-111 | |
| 6 | Face, Front Upper | No longer available | 19571A | |
| 7 | Trim, Front – Black | No longer available | 19806A | |
| 8 | Front Glass Panel | Qty 2 req | SRV13379 | Y |
| 9 | Control Panel Door Assembly | No longer available | 19629 | |
| 10 | Refractory, Corner | Qty 4 req | 13320A | |
| 11 | Refractory, Side | Qty 2 req | 13319 |
Additional service part numbers appear on following page.
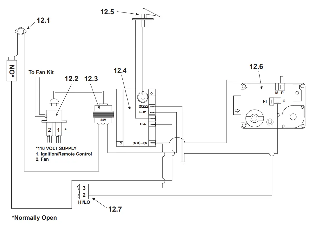
#12 Valve Assembly

IMPORTANT: THIS IS DATED INFORMATION. Parts must be ordered from a dealer or distributor. Hearth and Home Technologies does not sell directly to consumers. Provide model number and serial number when requesting service parts from your dealer or distributor.

Additional service part numbers appear on following page.
| IMPORTANT: THIS IS DATED INFORMATION. Parts must be ordered from a dealer or distributor. Hearth and Home Technologies does not sell directly to consumers. Provide model number and serial number when requesting service parts from your dealer or distributor. | Stocked at Depot | |||
| ITEM | DESCRIPTION | COMMENTS | PART NUMBER | |
| Bulkhead Union, 3/8 in. | SRV13405 | Y | ||
| Burner Tube, 90 degree | 19768A | |||
| Connector, Male, Brass – Flex | Pkg of 5 | 303-315/5 | Y | |
| Connector, Male, Brass – Tube | 13425 | |||
| Face, Bottom Front – Overlay only | No longer available | 17085A | ||
| Face, Top Front w/Drywall Lip – Overlay only | No longer available | 13253G | ||
| Firescreen Assembly, Access Side | No longer available | 19833D | ||
| Firescreen Assembly, Back Side | No longer available | 20097 | ||
| Flex Line Assembly | No longer available | 12303C | ||
| Gasket, Glass | 10 FT | 28091/10 | Y | |
| Gasket, Silicone | 10 FT | 18476/10 | Y | |
| Glass Frame | Qty 4 req | 13376i | Y | |
| Guide Pin Sleeve | Qty 2 req | SRV31120 | ||
| High Limit Switch Bracket | No longer available | 19687A | ||
| Ignitor Bracket | No longer available | 19579 | ||
| Ignitor Ground Wire | No longer available | 25405 | ||
| Lava Rock | 4021-296 | |||
| Micro Switch | No longer available | SRV13426 | ||
| Mineral Wool | SRV14333 | |||
| Nailing Flange | Qty 4 req | 31190 | ||
| ON/OFF Valve | SRV15697 | Y | ||
| Retainer, Refractory Back | No longer available | 19594 | ||
| Retainer, Upper Seal | No longer available | 19583A | ||
| Vermiculite | 28746 | |||
| Valve Bracket R/S | No longer available | 19303 | ||
| Valve Bracket W/R | No longer available | 18795D | ||
| Valve Burner Tube | No longer available | 19769A | ||
| Installation Instructions | 19781 | |||
Beginning Manufacturing Date:July 1993
Ending Manufacturing Date: Aug 1997




















