heatilator GC341 41″ Series BV Gas Fireplace Instruction Manual
Log Set Assembly

Description

Stocked at Depot
IMPORTANT: THIS IS DATED INFORMATION. Parts must be ordered from a dealer or distributor. Hearth and Home Technologies does not sell directly to consumers. Provide model number and serial number when requesting service parts from your dealer or distributor.
| ITEM | DESCRIPTION | COMMENTS | PART NUMBER | |
| Log Assembly | No longer available | 16210A | ||
| Back Log | No longer available | 14069C | ||
| Middle Log | No longer available | 14070F | ||
| Front Log | No longer available | 14068B | ||
| Log Assembly | No longer available | 16769D | ||
| 1 | Back Log | No longer available | SRV15691 | |
| 2 | Middle Log | No longer available | 15693F | |
| 3 | Front Log | No longer available | 15690C | |
| 4 | Face, Top Front | No longer available | 16823A | |
| 5 | Grille, Upper | No longer available | 16142A | |
| 6 | Firescreen Assembly | No longer available | 16141A | |
| 7 | Refractory, Left | No longer available | 13959A | |
| 8 | Refractory, Back | 12329A | ||
| 9 | Grille, Lower | No longer available | 16633B | |
| 10 | Refractory, Right | No longer available | 13958A | |
| Firescreen Rod | No longer available | 16282A | ||
| Glass Panel | SRV16146 | Y | ||
| Glass Retainer | No longer available | 16150C | ||
| Log Bracket Assembly | No longer available | 18374A | ||
| Lower Glass Bracket | No longer available | 16149C | ||
| Smoke Shield | 16145D | |||
| Top Glass Backer | No longer available | 16148C | ||
| Vermiculite Shield | No longer available | 18375E | ||
| Installation and Operating Instructions | No longer available | 16858 |
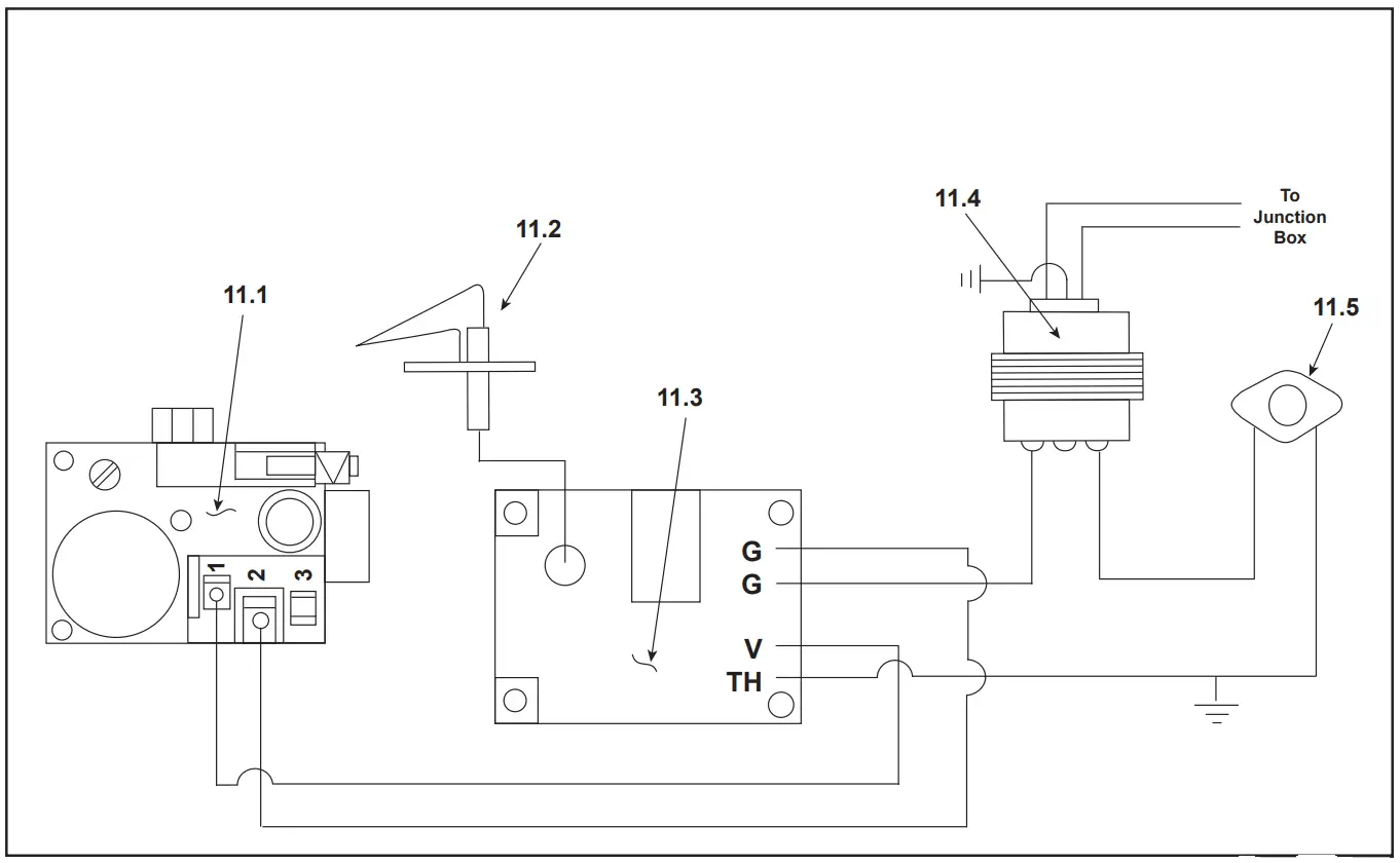
Electronic Ignition Wiring Diagram

Stocked at Depot
IMPORTANT: THIS IS DATED INFORMATION. Parts must be ordered from a dealer or distributor. Hearth and Home Technologies does not sell directly to consumers. Provide model number and serial number when requesting service parts from your dealer or distributor.
| ITEM | DESCRIPTION | COMMENTS | PART NUMBER | |
|
11.1 | Valve (IPI) NG | No longer available | 13885A | |
| Valve (IPI) LP | No longer available | 14161B | ||
| Valve (R/S) – NG | No longer available | 71516 | ||
| Valve (R/S) – LP | No longer available | 71518 | ||
| Valve (W/R) | SRV71511 | Y | ||
| 11.2 | Ignitor | 26542 | Y | |
| 11.3 | Ignition Control Box (R\S) | No longer available | 13886B | |
| Ignition Control Box (R/S) | Post 36/92 | SRV15695 | Y | |
| 11.4 | Transformer | SRV20947 | Y | |
| 11.5 | High Limit Switch | SRV4021-383 | Y | |
| Burner | No longer available | 18072C | ||
| Burner Orifice (.089) – NG | SRV14046 | Y | ||
| Burner Orifice (.052) – LP | SRV14047 | Y | ||
| Burner Supply Tube | No longer available | 18262C | ||
| Sensor | No longer available | 13909A | ||
| Conversion Kit NG | CKN | Y | ||
| Conversion Kit LP | CKP | Y |



















