heatilator GC300FL Peninsula DV Gas Fireplace

Log Set Assembly
IMPORTANT
THIS IS DATED INFORMATION. Parts must be ordered from a dealer or distributor. Hearth and Home Technologies does not sell directly to consumers. Provide the model number and serial number when requesting service parts from your dealer or distributor.
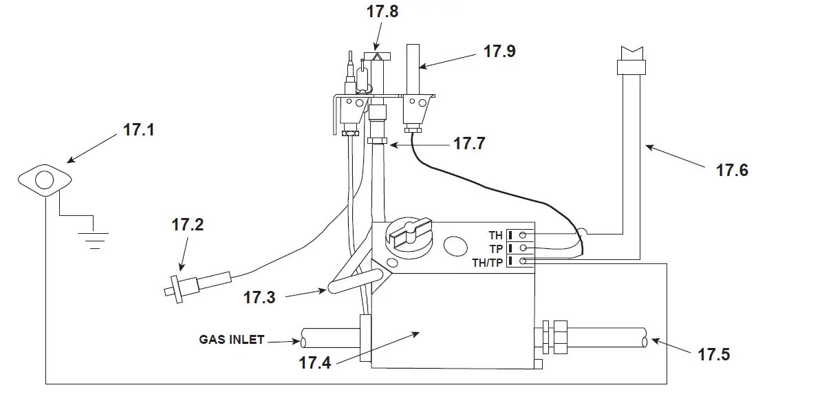
#17 Valve Assembly
IMPORTANT
THIS IS DATED INFORMATION. Parts must be ordered from a dealer or distributor. Hearth and Home Technologies does not sell directly to consumers. Provide the model number and serial number when requesting service parts from your dealer or distributor.
IMPORTANT
THIS IS DATED INFORMATION. Parts must be ordered from a dealer or distributor. Hearth and Home Technologies does not sell directly to consumers. Provide the model number and serial number when requesting service parts from your dealer or distributor.





















