GC500CRE, GC500CRLE Gas Fireplace Repair Parts
Owner’s Manual
Log Set Assembly

IMPORTANT: THIS IS DATED INFORMATION. Parts must be ordered from a dealer or distributor. Hearth and Home Technologies does not sell directly to consumers. Provide model number and serial number when requesting service parts from your dealer or distributor.
| IMPORTANT: THIS IS DATED INFORMATION. Parts must be ordered from a dealer or distributor. Hearth and Home Technologies does not sell directly to consumers. Provide model number and serial number when requesting service parts from your dealer or distributor. | Stocked at Depot | |||
| ITEM | DESCRIPTION | COMMENTS | PART NUMBER | |
| Log Set Assembly | No longer available | 19649 | ||
| 1 | Front Log | No longer available | 15693F | |
| 2 | Back Log | No longer available | SRV15691 | |
| 3 | Left and Right Logs | No longer available | SRV17229 | |
| 4 | Top Middle Log | No longer available | SRV18781 | |
| 5 | End Log | No longer available | 18782A | |
| 6 | Top Standoff | Qty 4 re | SRV4044-111 | |
| 7 | Front Glass Panel | SRV16146 | Y | |
| 8 | End Glass Panel | No longer available | 19827A | |
Additional service part numbers appear on following page.

| IMPORTANT: THIS IS DATED INFORMATION. Parts must be ordered from a dealer or distributor. Hearth and Home Technologies does not sell directly to consumers. Provide model number and serial number when requesting service parts from your dealer or distributor. | Stocked at Depot | |||
| ITEM | DESCRIPTION | COMMENTS | PART NUMBER | |
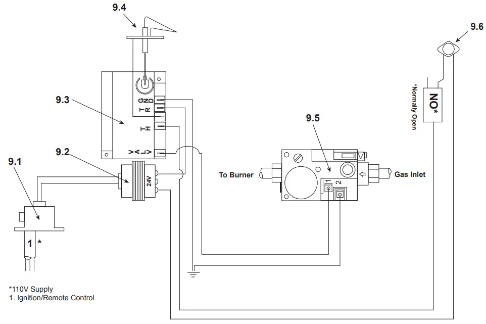
| 9.1 | Junction Box Kit | 22130 | Y | |
| 9.2 | Transformer | SRV20947 | Y | |
| 9.3 | Ignition Control Box | SRV15695 | Y | |
| 9.4 | Ignitor | Post 21/96 | 26542 | Y |
| 9.5 | Valve (W/R) | Pre 21/96 | SRV71511 | Y |
| Valve – NG | No longer available | 71516 | ||
| Valve – LP | No longer available | 71518 | ||
| 9.6 | High Limit Switch | SRV4021-383 | Y | |
IMPORTANT: THIS IS DATED INFORMATION. Parts must be ordered from a dealer or distributor. Hearth and Home Technologies does not sell directly to consumers. Provide model number and serial number when requesting service parts from your dealer or distributor.![]()
| ITEM | DESCREMON | COMMENTS | PART NUMBER | Stocked at Depot |
| Brass Connector – 90 deg. – Flex | SRV4021-045 | |||
| Brass Male Connector – Tube | 13425 | |||
| Bulkhead Union 318 in. | SRV13405 | Y | ||
| Burner Orifice (.101) – NG | SRV13410 | Y | ||
| Burner Orifice (.059) – LP | SRV13445 | Y | ||
| Burner Tube | No longer available | 24170A | ||
| End Firescreen | No longer available | 25216A | ||
| End Glass Retainer | No longer available | 198248 | ||
| Flame Sensor Switch | No longer available | 185558 | ||
| Flexline Assembly | No longer available | I 72308 | ||
| Front Firescreen | No longer available | 25212A | ||
| Front Glass Retainer | No longer available | 198238 | ||
| Gasket Glass | 10 Ft | 28091110 | Y | |
| Guide Pin Sleeves | Oty 2 req | SRV31120 | ||
| High Limit Switch Bracket | No longer available | 20348A | ||
| Ignitor Ground Wire | No longer available | 25405 | ||
| Log Support | No longer available | 15686K | ||
| Lower Access Panel | No longer available | 19650A | ||
| Micro Switch | No longer available | SRV13426 | ||
| Nailing Flange | Oty 4 rag | 31190 | ||
| ON/OFF Valve | SRV15697 | Y | ||
| Rear Ember Tray | No longer available | 18697 | ||
| Silicone Gasket | 10 Ft | 18476/10 | Y | |
| Valve Bracket (W/R) | No longer available | 187950 | ||
| Valve Bracket (R/S) | No longer available | 19303 | ||
| Installation Instructions | 20571 |
Service Parts
Right Corner Gas Fireplace – DV
Beginning Manufacturing Date: N/A
Ending Manufacturing Date: Aug. 1997



















