
![]()
HF 3360 PF
HF 3360 PF Motion Detectors









About this document
– Please read carefully and keep in a safe place.
– Under copyright.
Reproduction either in whole or in part only with our consent.
– Subject to change in the interest of technical progress.
Symbols
Hazard warning!
Reference to other information in the document.
General safety precautions
Disconnect the power supply before attempting any work on the sensor.
- During installation, the electric power cable to be connected must not be live. Therefore, switch off the power first and use a voltage tester to make sure the wiring is off-circuit.
- Installing the sensor involves work on the mains power supply. This work must therefore be carried out professionally in accordance with national wiring regulations and electrical operating conditions. (DE – VDE 0100, AT – ÖVE-EN 1, CH – SEV 1000)
HF 3360 PF
Proper use
– Sensor suitable for indoor wall and ceiling-mounting
The HF 3360 PF is an active motion detector. It responds to the slightest movement regardless of temperature. The integrated HF sensor emits high-frequency electromagnetic waves (5.8 GHz) and receives their echo. In response to the slightest movement in the detection zone, the change in echo is perceived by the sensor. A microprocessor then issues the switch command “switch light ON”. Detection is possible through doors, panes of glass or thin walls. Optionally, all function settings can be made via the RC5, RC8 remote controls as well as the Smart Remote. (➔ “7. Accessories (optional)”)
Package contents for concealed installation (Fig. 3.1)
Package contents for surface-mounted installation (Fig. 3.2)
Product components (Fig. 3.3)
A Load module, power supply lead, surface-mounted
B Load module, power supply lead, concealed installation
C Designer trim, round or square
D Sensor module
Product dimensions
Ceiling / wall mounting, surface-mounted and concealed wiring (Fig. 3.4)
Electrical installation
An optional corner wall mount is available for mounting the HF 3360 PF.
(Prod. No. 035174 white)
The supply lead consist of three wires:
L = phase conductor (usually black, brown or grey)
N = neutral conductor (usually blue)
PE = protective-earth conductor (green/yellow)
S1 / S2 = floating relay input and output
Note on manual override function (Fig. 4.1):
A power switch for switching ON and OFF can be installed in the mains supply lead.
This is a prerequisite for the manual override function. (➔ “6. Function / operation”)
If the rubber seal is damaged, the cable entry openings must be sealed with an M16 or M20 (at least IP54) double seal cable gland.
For mounting on the wall, a condensation water drainage hole (Ø 5 mm drill bit) is marked next to the rubber seal. This must be opened if necessary.
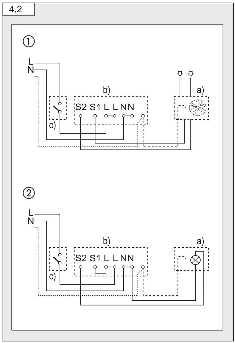
Connection examples (Fig. 4.2)
- Control input users
- Users powered from L.
L and S1 must be connected inside the sensor.
a) Load, lighting max. 2000 W (refer to Technical specifications)
b) Sensor connection terminals
c) Indoor switch
Mounting
- Check all components for damage.
- Do not use the product if it is damaged.
- Select an appropriate mounting location, taking the reach and motion detection into consideration.
Installation procedure
Wall-mounting, concealed power supply lead (Fig. 5.1)
Ceiling mounting, concealed power supply lead (Fig. 5.2)
Wall-mounting, surface-mounted power supply lead (Fig. 5.3)
Ceiling mounting, surface-mounted power supply lead (Fig. 5.4)
- Switch OFF power supply.
- Detach designer trim from sensor module.
- Disconnect sensor module from the load module.
- Connect to mains power supply.
– Surface-mounted power supply lead. (Fig. 5.5)
– Concealed power supply lead. (Fig. 5.6) - Insert fastening screw and mount load module.
- Fit sensor and load module together and screw into place.
- Switch ON power supply.
- Set functions. (➔ “6. Function / operation”)
- Fit decorative trim panel.
Function / operation
Factory settings
Twilight level: 1000 lux
Reach adjustment: approx. 1 m
Time setting: 5 s
Twilight setting (Fig. 6.1)
The chosen sensor response threshold is infinitely adjustable from approx. 2 to 1000 lux.
Control dial
means twilight mode at approx. 2 lux.
Control dial
means daylight operation / independent of ambient light level.
Teach mode ![]()
The control must be set to
at the level of light at which you want the sensor to respond to movement from now on. The level of ambient brightness measured in this way will be saved after 10 seconds. Load is deactivated during this period.
Dazzle guard
This product is equipped with an integrated dazzle guard. If blinded by extraneous light, this puts the sensor into a brightness-related evaluation mode for 60 s.
(➔ “13. Troubleshooting”)
Presence detection switch-off logic
The load connected is switched OFF once the selected light level is exceeded.
Reach setting (Fig. 6.1)
Infinitely adjustable
– Control dial set to maximum = max. reach (approx. Ø 8 m)
– Control dial set to minimum = min. reach (approx. Ø 1 m)
Reach diagram (Fig. 6.2)
Time setting (Fig. 6.1)
The time you want the connected lamp to stay ON for is infinitely adjustable from approx. 5 sec to a maximum of 15 min. Any movement detected before this time elapses will restart the timer.
Pulse function ![]()
The pulse function activates the output for 2 s (e.g. for staircase lighting time switches). The sensor will then be in a dead time for 8 seconds.
Note: is the pulse function is selected via the controller, time cannot be set by remote control.
Manual override function (Fig. 4.1)
If a mains switch is installed in the mains supply lead, the following functions are available in addition to simply switching ON and OFF:
Important: The switch should be actuated in rapid succession (in the 0.5 – 1 s range).
Sensor mode
- Switch light ON (when light is OFF): switch ON and OFF once.
Sensor stays ON for the period selected. - Switch light OFF (when light is ON): switch ON and OFF once.
Sensor goes out or switches to sensor mode.
Manual override
- Activate manual override:
Switch ON and OFF twice. The sensor is set to stay ON for 4 hours (red LED lights up behind the lens). Then it returns automatically to sensor mode (red LED off). - Deactivate manual override:
Switch ON and OFF once. Sensor goes out or switches to sensor mode.
LED function
– Normal mode: LED stays OFF
– Test mode: LED lights up on detecting movement
– Remote control: LED flashes approx. 10 times per second
– Permanently ON/OFF: LED ON
Accessories (optional)
User remote control RC5 EAN 4007841 592806
Additional functions, RC5
– Light ON/OFF 4 h
– User reset
– 100 h burn in, 4 h light ON press for ≥ 5 s
Service remote control RC8 EAN 4007841 559410
Additional functions, RC8
– Time setting, CH 1
– Test / normal mode
– Twilight setting
– Night-time operation
– Daylight operation
– Teach-IN
– Reset
Smart Remote EAN 4007841 009151
– Control via smartphone or tablet
– Replaces remote controls RC5 and RC8
– Load appropriate app and connect via Bluetooth
– Identify the sensors and read parameters
Additional functions from Smart Remote
– Reach: min 1 – 100 %
– Time setting: 5, 10, 15…. 60 s – 60 min
– Twilight setting: 2 – 1000 lux
– Initial state: behaviour after applying the light ON/OFF supply voltage
– Normal sens
– Low sens
– Burn in
– Sensor
LED function
– Normal mode: LED stays OFF
– Test mode: LED lights up on detecting movement
– Remote control: LED flashes approx. 10 times per second
– Permanently ON/OFF: LED ON
Detailed descriptions are provided in the operating instructions for the particular remote control.
Operation / maintenance
The Sensor is suitable for switching on a light automatically. The unit is not suitable for burglar alarm systems as it is not tamperproof in the manner prescribed for such systems. The surface can be cleaned with a damp cloth (without detergents) if dirty.
Disposal
Electrical and electronic equipment, accessories and packaging must be recycled in an environmentally compatible manner.
Do not dispose of electrical and electronic equipment as domestic waste.
EU countries only:
Under the current European Directive on Waste Electrical and Electronic Equipment and its implementation in national law, electrical and electronic equipment no longer suitable for use must be collected separately and recycled in an environmentally compatible manner.
Declaration of Conformity
STEINEL Vertrieb GmbH hereby declares that the HF 3360 PF radio equipment type conforms to Directive 2014/53/EU. The full wording of the EU Declaration of Conformity is available for downloading from the following Internet address: www.steinel.de
Manufacturer’s Warranty
As purchaser, you are entitled to your statutory rights against the vendor. If these rights exist in your country, they are neither curtailed nor restricted by our Warranty Declaration. We guarantee that your STEINEL Professional sensor product will remain in perfect condition and proper working order for a period of 5 years. We guarantee that this product is free from material-, manufacturing- and design flaws. In addition, we guarantee that all electronic components and cables function in the proper manner and that all materials used and their surfaces are without defects.
Making Claims
If you wish to make a claim, please send your product complete and carriage paid with the original receipt of purchase, which must show the date of purchase and product designation, either to your retailer or contact us at STEINEL (UK) Limited, 25 Manasty Road, Axis Park, Orton Southgate, Peterborough, PE2 6UP, for a returns number.
For this reason, we recommend that you keep your receipt of purchase in a safe place until the warranty period expires. STEINEL shall assume no liability for the costs or risks involved in returning a product.
For information on making claims under the terms of the warranty, please go to www.steinel-professional.de/garantie
If you have a warranty claim or would like to ask any question regarding your product, you are welcome to call us at any time on our Service Hotline 01733 366700.
5 YEAR MANUFACTURER’S WARRANTY
Technical specifications
| Dimensions (L xW x H) | Surface-mounted installation, round 0 126 x 52 mm Surface-mounted installation, square 95 x 95 x 52 mm Concealed installation, round 0 124 x 64 mm Concealed installation, square 94 x 94 x 64 mm |
| Output | Incandescent / halogen lamp load 2000 W Fluorescent lamps, electronic ballast 1500 W Fluorescent lamps, uncorrected 1000 VA Fluorescent lamps, series-corrected 400 VA Fluorescent lamps, parallel-corrected 1000 VA Low-voltage halogen lamps 2000 VA LED < 2 W 100W 2 W < LED < 8 W 300W LED > 8 W 600W Capacitive load 176 pF Minimum switching load 100 mA @12 V AC/DC |
| Mains power supply | 220-240 V, 50 / 60 Hz max. 2.5 mm2 |
| Angle of coverage | 360° with 180° angle of aperture |
| Mounting height | 2-2.8 m |
| Application | inside buildings |
| Sensor system | 5.8 GHz high frequency |
| Transmitter power | approx. 1 mW |
| Time setting | 5 s – 15 min + pulse mode (approx. 2 s) |
| Twilight setting | 2 — 1000 lux + teach mode |
| Manual override (permanent light) | selectable (4 h) |
| IP rating | Surface-mounted: IP54 Concealed: IP20 |
| Temperature range | – 20°C to + 50°C |
Troubleshooting
| Malfunction | Cause | Remedy |
| No power at the sensor | • Fuse faulty, not switched ON • Short circuit • Additional two-way switch OFF • Fuse faulty | • Replace fuse, turn ON power switch, check lead with voltage tester • Check connections • Switch ON • Fit new fuse, check connections if necessary |
| Sensor will not switch ON | • Bulb faulty • Twilight setting set to night-time mode during daytime operation • Additional two-way switch OFF • Fuse faulty | • Change bulb • Adjust setting • Switch ON • Fit new fuse, check connection if necessary |
| Sensor will not switch OFF | • Continuous movement in the detection zone • Manual override activated (red LED lights up) • Another sensor is parallel-connected and still active | • Check zone • Deactivate manual override • Wait for time setting of the other sensor to elapse |
| Sensor keeps switching ON/OFF | • Curtains, plants etc. moving in the sensor’s detection zone causing the sensor to respond | • Check zone |
| Sensor responds when it should not | • Sensor near Wi-Fi or other wireless communication sources | • install at least 2 m away from the wireless communication source |
| LED flashes once every 15 s | • Load connected is too high | • Reduce load or use contactor |

Subject to technical modification without notice.
Contact
www.steinel.de/contact
http://www.steinel.de/contact
STEINEL Vertrieb GmbH
Dieselstraße 80-84
33442 Herzebrock-Clarholz
Tel: +49/5245/448-188
www.steinel.de


















