SEBSON Active Motion Detector

Thank you for choosing a product of SEBSON. Please read the instructions carefully and keep them for looking up before start-up this product. A long and failure-free operation can only be guaranteed if the installation and start-up is done properly. Before starting up this product, please check for external damage. In case of visible external damage we immediately dis-advise the start-up of this product! Please remove all packaging material of this product before the first start-up an and check the content for completeness!
Intended use:
This active motion detector generates high-frequency electromagnetic waves (5.8 GHz) and receives their echo after hitting moving objects, regardless of their temperature. This signal is then sent to a connected light, for example, which then switches itself on.
Scope of delivery:
- 1 motion detector
- Screws for fixing (2 pieces)
- Dowels Ø 6mm (2 pieces)
General safety information:
- Danger: The installation of this product may be done only by a qualified person according the valid regulations for electrical installation!
- Danger: If the power cables are damaged or come into contact with wetness, immediately disconnect the product from the power supply and ensure that it cannot be switched on again!
- Danger of suffocation: Please keep this product away from children and animals. The packaging contains small parts that can be swallowed!
- Caution: Avoid overloading the device, an overload can damage the device or cause a short circuit! Therefore, please note the maximum power consumption in the technical data!
- The remodeling of this product is not allowed! The proper and safe functioning of the device can no longer be guaranteed if it is modified! In addition, this will invalidate the warranty claim!
- The manufacture does not accept any responsibility for injuries or damage resulting from improper use of this product!
- Any other use than the description may result in damage to the product. So the dangers are such as electric shock, short circuit, fire etc.
- We reserve the right to make changes to the product, the packaging or the operating instructions as well as printing errors.
- This product is suited for indoor- and outdoor-use.
- Protect the product from external damage, heavy dirt, moisture and excessive heat!
- In order that the warranty claim does not expire please use only the supplied items. Repairs may only be done by an expert and only by using original spare parts!
- In commercial institutions, the accident prevention regulations of the professional trade association for electrical equipment and facilities must be adhered to.
Instruction for installation (Fig 4): 
Danger: Before installing please make sure that the circuit is interrupted! For installation, the work on the mains voltage is required. Please remove the associated mains fuse or deactivate the switch fuse! Check by using a voltage tester if the line is de-energized. Make sure that the current circuit will not closed during the installation!
Danger: The installation of this product may be done only by a qualified person according the valid regulations for electrical installation!
Attention: Before drilling the mounting holes, make sure that there are no gas, electricity or water pipes at the drilling location that could be damaged by this!
- Please observe the safety instructions and technical data before installing this product!
- Note on installation:
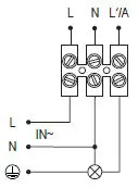
L: Live wire (black or brown)
N: Neutral conductor (blue or grey) - This device is suitable for wall or ceiling mounting!
- When mounting the unit on the ceiling, mount it at least 1m away from the wall. If the wall is very thin, a greater distance is recommended. The sensor could also detect movements behind this wall.
- Observe a minimum distance of 2 meters when commissioning several motion detectors.
- For optimum range, select the mounting height recommended in the “Technical Data”.

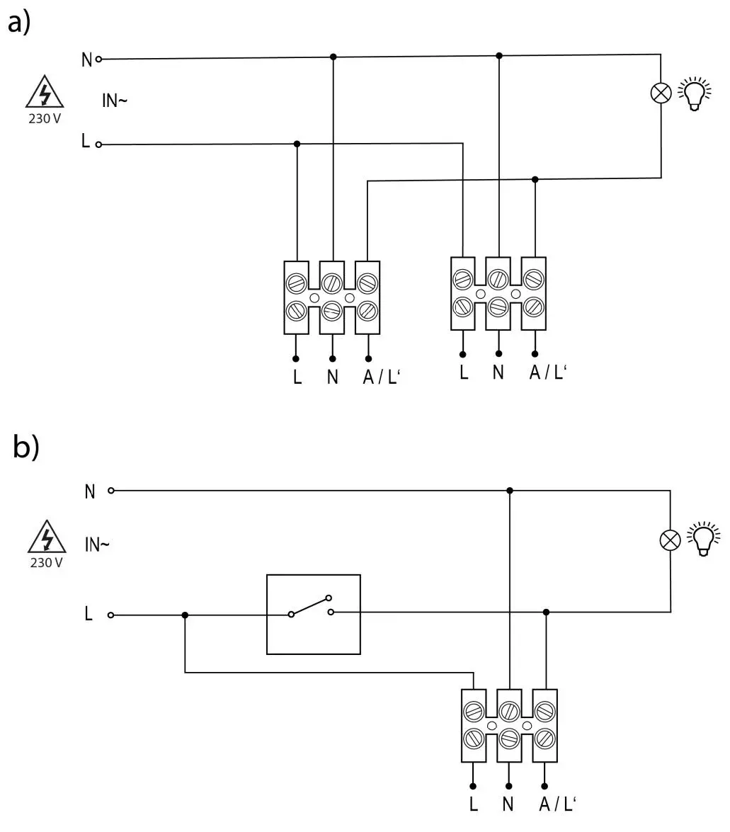
- 2 units in a parallel connection (see Fig.3a)
- Permanently switching a connected device on or off with a (see Fig.3b).
The following environments or surfaces are not suitable for mounting, as they can impair the function of the motion sensor:
- Metal surfaces, for example metal door frames or metal-coated walls
- Metal contained in masonry e.g. steel girders
- In the immediate vicinity of electronic devices such as computers, monitors etc
- Water drainage or supply pipes can trigger a signal when water flows
Function of the motion sensor:
This product is an active motion detector. It generates high-frequency electromagnetic waves (5.8GHz) and then receives their echo. The motion detector thus reacts to changes in the waves reflected back from objects, regardless of temperature. As a result, the smallest movements that occur in the detection range of the product can be detected. The integrated microprocessor triggers the command “Switch on light” almost without delay. This enables the perception of movements through doors, glass panes or thin walls. Note: The radiation emitted by the sensor has a power of about 0.2mW. Thus the power of the radiation is about 1/ 5,000th of that of a mobile phone. The product can therefore be used without any risk.
Detection area (Fig 2):
The detection range of the motion detector is approx. 5-15m and 180° (free area) at a mounting height of 1,5-3,5m on the wall. In closed rooms the detection distance can be lower, according to room layout.
Connection of the protective conductor (PE):

If a lamp with protective earth contact is connected and a junction box is not installed, the protective earth must be bridged from the supply line to the lamp by means of an additional terminal in the housing of the motion detector.
Sensitivity when switching (with regard to the ambient brightness):
This setting control can be used to regulate the switch-on sensitivity of this unit depending on the ambient brightness (between 3 and 2.000LUX).
Time setting (switching off delay):

The duration of the operating time can be set continuously from approx. 10s to 12min. The timer is restarted if a movement from the sensor is detected before the set time has elapsed.
Reach Setting:
With this setting controller, the detection range of approx. 5m to 15m can be set. Turning the adjuster to the left will extend the range.
Function test:

To set the detection range and the daylight test, turn the knobs to the positions shown. The motion detector is activated after a warm-up phase of approx. 30s. If no further movement takes place in the sensing area of the sensor, the sensor switches off.
Technical Data:
| Technical Data: | |
| Operating voltage: | 220 -240V AC 50/60Hz |
| Nominal wattage: | ~0,9W |
|
Maximum power consumption: | Max. 1.200W Max. 300W |
| Consumption in standby: | < 0,5W |
| Electrical protection: | IP54 |
| Protection class: | II |
| Frequency: | 5,8GHz CW |
| Transmission power: | <0,2mW |
| Detection moving speed: | 0,6-1,5m/s |
| Ambient temperature: | -20° – +40°C |
| Humidity: | <93% |
| Possibilities of adjustments: | |
| Detection area: | 5-15m/ 180° |
| Sensitivity when switching (with regard to the ambient brightness): | <3-2.000LUX |
| Time setting (switching off delay): | Min. 10s +/- 3s – Max. 12min +/-1min |
Disposal note:
This product may not be disposed of with household waste. At the end of its useful life, the product must be returned to a point of acceptance for the recycling of electric and electronic device. Please ask your local municipality for the point of acceptance! As the devices contain valuable recyclable materials, they should be sent for recycling, in order not to harm the environment or human health from uncontrolled waste disposal.
Cleaning:
Danger: Before start cleaning the product interrupt the current circuit by switching off the circuit breaker or unscrew the fuse! Use a slightly moistened cloth for cleaning. In order not to damage the product, it is essential to avoid water penetrating into the housing! Never clean the device under running water! Do not use solvent-containing cleaner for cleaning.
CE Declaration of Conformity:
This product has been prepared according to the listed below guidelines:
- LVD 2014/35/EU
- EMC 2014/30/EU
- RoHS 2011/65/EU
- RED 2014/53/EU
Address:
SEBSON
Sebastian Sonntag Gernotstr.17
44319 Dortmund Germany
[email protected] VAT-Nr.: GB179436663 WEEE-Reg.-ID.: 500617























