karlik ICR-1 Electronic Motion Detector

Characteristics Of The Motion Detector
The device is designed to turn on the light (or acoustic signaling in domestic alarm devices) automatically in the moment the motion is detected and to turn it off after set time. The detector enables automatic light activation when there are both incandescent and halogen sources.
Functioning And Possible Settings For The Device
Control button ON/OFF/MODE (see: picture no. 2) is used to operate the motion detector.
The regulation shall be run after correct assembly (see: assembly manual).
Change of mode shall apply throughout pess and short (ca. 1 second) hold down of the control button.
- OFF – turn off mode (the detector is turned off), the diode (the diode no. 3) of the relay is lit green;
- ON – turn on mode, the diode (the diode no. 3) of the relay is lit red (the detector turns on the light and the light remains, it functions as single-pole switch);
- MOTION – a mode that enables lightning activation at the moment movement is detected independently of the light intensity in the room it is installed (day or night). The ‘MOTION’ diode (the diode no. 2) is lit green. The ‘ON/OFF’ diode (the diode no. 3) is lit green if the light is turned off and it is lit red if the light is turned on. The time the light is turned on can be regulated with a TIME knob, which is located on the control module under the casing of the detector (the time scope can be set from 3 seconds to 5 minutes).
- MOTION – NIGHT – a mode that enables lightning activation at the moment movement is detected, but only in case the light intensity in the room it is installed is lower than determined. Level of light intensity is set by use of a control knob described as LUX, which is located on the control module under the casing of the detector (the scope can be set from 0 to 100 LUX). During this mode the ‘MOTION-NIGHT’ diode (the diode no. 1) is lit green.
The ‘ON/OFF’ diode (the diode no. 3) is lit green if the light is turned off and it is lit red if the light is turned on. The time the light is turned on can be regulated with a TIME knob, which is located on the control module under the casing of the detector (the time scope can be set from 3 seconds to 5 minutes). - RANDOM – it is a presence simulation mode, in which at twilight the detector activates lightning in a randomly selected time from 10 to 60 minutes for a time set by the user, multiplied by a random multiplier in a scope 1÷3.
During this mode the ‘MOTION-NIGHT’ diode (the diode no. 1) and the MOTION diode (the diode no. 2) flash green.
The user sets the time with a TIME knob, which is located on the control module under the casing of the detector (the time scope can be set from 3 seconds to 5 minutes). In random mode the detector does not detect motion.
A lock function of the control button
In case an accidental person shall not be able to change the mode of work of the motion detector, a lock function of the control button can be applicated. The lock is activated throughout pressing the control button for about 10 seconds. During this setting the button shall not react to short press. To unlock the button press it again and hold down for about 10 seconds.
Technical Data
| Symbol | …ICR-1 |
| Power supply | 230V 50Hz |
| Detection range | 7m |
| Detection angle | 136o |
| Protection index | IP 20 |
| Dimension with external frame | 85,4 x 85,4 x 59,2 |
| Maximum load | 3200W |
Warranty Terms
The guarantee is provided for a term of twelve months from the date of purchase. The defective controller must be delivered to the producer or to the seller with a purchase document. The guarantee does not cover mechanical damage, damages raised by self-repair or improper use.
The warranty period shall be extended by the duration of the repair.
Assembly Manual
- Deactivate main fuses of the electric home installation.
- Remove the casing by pushing clips on its side walls with a flat screwdriver.
- Use a flat screwdriver and bend out the clips joining the control module with the power supply module. The clips are centrally located in the top and bottom parts of the control module.
- Take out the control module and the intermediate from the power supply module.
- Connect the installation wires to the power supply module following one of the schemes presented in the manual.
- Assemble the control module in the installation box with resilient clips or fastening screws that are supplied with the box (for proper assembly see picture no. 2).
- Assembly the external frame and the intermediate frame, and next push slightly the control module to snap it into the power supply module.
- Use the adjusting knobs and adjust light intensiveness and time the relay activates.
- Assembly the casing and watch the precise click of the clips.
- Activate the main fuses of the electric home installation and carry out functional tests.
Note!
In case settings need to be corrected, new settings shall always be checked with the casing (particularly when adjustment of light intensity in the room takes place). Assembly shall be held by a suitably qualified person with deactivated voltage and shall meet the national safety standards.
Picture No. 1. Components Of The Electronic Motion Detector

Picture No. 2. Correct Assembly

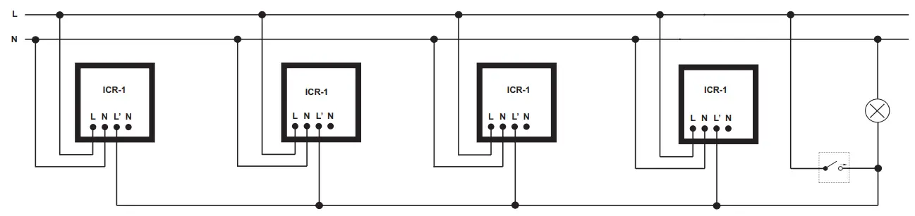
Electric Connection Schema Of The Motion Detector – Different Variants
- Motion detector

- Motion detector with a staircase switch

- Motion detector with 2 a two-way switch

- Any number of detectors with a single-pole switch

- Motion detector with a single-pole switch

- Motion detector with a two-way switch

Customer Support
Karlik Elektrotechnik Sp. z o. o. I ul. Wrzesinska 29 I 62-330 Nekla I tel. +48 61 437 34 00 I e-mail: [email protected] I www.karlik.pl




















