velleman EMS102B Perel PIR Motion Detector

Introduction

To all residents of the European Union
Important environmental information about this product
This symbol on the device or the package indicates that disposal of the device after its lifecycle could harm the environment. Do not dispose of the unit (or batteries) as unsorted municipal waste; it should be taken to a specialized company for recycling. This device should be returned to your distributor or to a local recycling service. Respect the local environmental rules. If in doubt, contact your local waste disposal authorities.
Thank you for choosing Perel! Please read the manual thoroughly before bringing this device into service. If the device was damaged in transit, do not install or use it and contact your dealer.
Symbols


- CE marking.
- Read and understand this manual and all safety signs before using this
appliance. - Indoor use only.
- Switch of micro-gap construction.
- Incandescent lamp.
- Energy-saving lamp.
Safety Instructions
This device can be used by children aged from 8 years and above, and persons with reduced physical, sensory or mental capabilities or lack of experience and knowledge if they have been given supervision or instruction concerning the use of the device in a safe way and understand the hazards involved. Children shall not play with the device. Cleaning and user maintenance shall not be made by children without supervision. Do not disassemble or open the housing. There are no user-serviceable parts inside the device. Refer to an authorized dealer for service and/or V. 01 07/05/2019 spare parts. Do not immerge the device in any liquid. Keep away from high heat and fire.
General Guidelines
Refer to the Velleman® Service and Quality Warranty on www.velleman.eu. Protect this device from shocks and abuse. Avoid brute force when operating the device. Familiarise yourself with the functions of the device before actually using it. All modifications of the device are forbidden for safety reasons. Damage caused by user modifications to the device is not covered by the warranty. Only use the device for its intended purpose. Using the device in an unauthorised way will void the warranty. Damage caused by disregard of certain guidelines in this manual is not covered by the warranty and the dealer will not accept responsibility for any ensuing defects or problems. Keep this manual for future reference.
Installation

Guidelines
- Choose a proper installation location. Avoid places where temperature changes frequently, e.g. near air conditioners or heating devices.
- Avoid pointing the appliance towards objects with highly reflective surfaces such as mirrors.
- Avoid pointing the appliance near heat sources such as heating vents, air conditioning units, etc.
- Avoid pointing the appliance towards objects that may move in the wind such as curtains, plants, etc.
- Install the appliance at a distance of minimum 60 cm when using a lamp of 60 W or more.
- Make sure the installation surface is immobile.
- Also, avoid obstructions or moving objects in the detection field of the appliance to prevent unnecessary activation.
- The minimum installation height is 1.7 m, the maximum installation height is 3.5 m.
Installation
- Switch off the power.
- Rotate the upper cover in an anticlockwise direction and open the appliance.
- Fix the bottom part of the appliance in the chosen installation location with the appropriate screws.
Connection
Warning! Risk of electroshock! Touching live wires can cause life-threatening electroshocks. Have the device repaired by qualified personnel. Disconnect the power source. Cover and shield any adjacent live components. Ensure the device cannot be switched on. Make sure the power supply is disconnected.
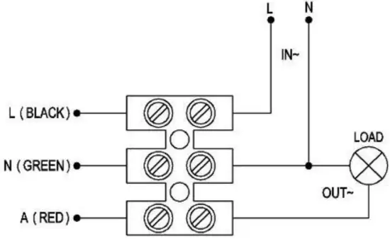
- Connect according to the wire diagram.
- Screw the upper cover back onto the bottom part, switch on the power and proceed with testing.
Testing
- Test the detector at the point of time you feel the lamp needs to be switched on.
- Turn the LUX knob fully clockwise; turn the TIME knob fully anti-clockwise.
- Switch on the power. The detector needs a warm-up time of ± 30 seconds before it will switch on the connected lamp. When no signal is detected, the lamp will switch off after ± 10 seconds.
- Turn the LUX knob fully anticlockwise. The lamp should switch off.
Setting
- Turn the LUX knob until the lamp switches on.
- Now, set the switch-off delay with the TIME knob going from ± 10 seconds to ± 7 minutes.
- Close the detector.
Care and Maintenance
The appliance does not need any particular maintenance. However, occasionally wipe it with a damp cloth to keep it looking new. Do not use harsh chemicals, cleaning solvents or strong detergents.
Specifications
| Switch type | relay |
| Detection angle | 180° |
| Detection range | 12 m (< 24 °C) rated load |
| Tungsten | max. 1200 W – max. 5.5 A |
| Fluorescent | max. 300 W – max. 1.5 A |
| LED | max. 1000 W – max. 4.5 A |
| IP rating | IP44 |
| Power supply | 220-240 V~, 50/60 Hz |
| Working temperature | -10 °C to +40 °C |
| Working humidity | < 93 % RH |
| Time-delay switch | 10 s ± 3 s to 7 min ± 2 min |
| Light control | < 10 lx to 2000 lx |
| Dimensions | 72.5 x 105 x 83 mm |
| Weight | 198 g |
Use this device with original accessories only. Velleman nv cannot be held responsible in the event of damage or injury resulting from (incorrect) use of this device. For more info concerning this product and the latest version of this manual, please visit our website www.perel.eu. The information in this manual is subject to change without prior notice.
© COPYRIGHT NOTICE
The copyright to this manual is owned by Velleman nv. All worldwide rights reserved. No part of this manual may be copied, reproduced, translated or reduced to any electronic medium or otherwise without the prior written consent of the copyright holder.




















