EMOS G1120 PIR Motion Sensor

OVERVIEW



Infra-red motion sensors are used for automatic switching of lights in both indoor and outdoor areas. The sensor responds to the heat of persons moving in the detection area. On the intrusion of the detection field, a connected device is automatically switched on for a set period.
Specifications
- Power supply: 220–240 V~, 50–60 Hz
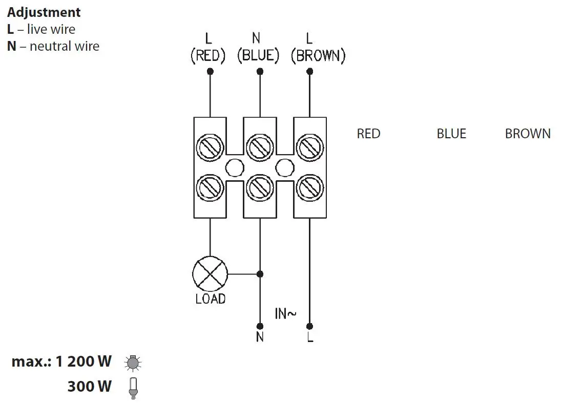
- Maximum load: 1 200 W
- Switching time: min 10 ± 5 s | 7 ± 2 min
- Detection angle: 180 °
- Light sensitivity: <3 LUX ~ 2 000 LUX (adjustable)
- Detection range: max. 12 m (<24 °C)
- Operating temperature: -20 °C to +40 °C
- Relative humidity: <93 %
- Installation height: 1.8–2.5 m
- Detection motion speed: 0.6–1.5 m/s
- Power consumption: 0.45 W (stand by 0.1 W)
- Enclosure: IP44
Note:
Inspect the product before use; if any part is damaged, do not use the product.Before assembly, make sure the power supply is disconnected. In case of device failure, do not try to repair or dismantle it. Electromagnetic field interference, a low-temperature difference between the moving object and its surroundings, or a glare (e.g. by a strong light source) may result in the product malfunction.
Sensor function description
The PIR sensor receives infra-red waves emitted by objects in the detection range. When an object moves in the detection range, the sensor detects the change and initiates a trigger command “Turn on the light” for the selected time.
Detection range (sensitivity) – up to 12 m
The “detection range” is an area defined by the detection angle and the minimum and maximum detected distance from the sensor. The range can be changed by turning the sensor head.
Setting time (switch-off delay) – TIME 10 s (±5 s) to 7 min (±2 min)
After the last motion is detected, the count-down of the selected time is started. For the performance test, setting to the minimum value is recommended.
Twilight setting (light sensitivity) – LUX (3–2 000 lx)
For the performance test, set to the maximum value is recommended. The data provided is approximate and may vary depending on the location and installation height. EMOS spol. s r.o. declares that the G1120 is in compliance with the essential requirements and other relevant provisions of the Directive. The device can be freely operated in the EU. The Declaration of Conformity can be found at http://www.emos.eu/download.

























