`AXOR 38715000 Uno Shower Mixers

Models
- AXOR Starck 10715XXX

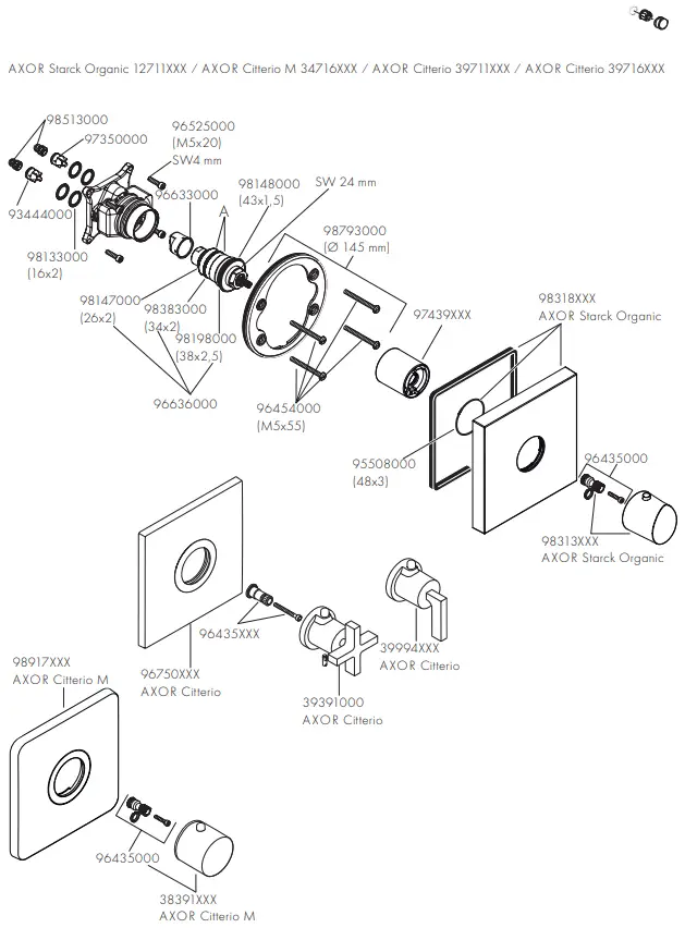
- AXOR Starck Organic 12711XXX

- AXOR Montreux 16815XXX

- AXOR Montreux 16824XXX

- AXOR Massaud 18741XXX

- AXOR Citterio M 34716XXX

- AXOR Starck 10715XXX
- AXOR Citterio 39711XXX

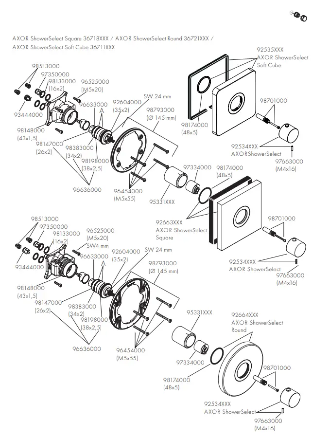
- AXOR Shower Select Soft Cube 36711XXX

- AXOR Shower Select Square 36718XXX

- AXOR Shower Select Round 36721XXX

- AXOR Uno 38715XXX

- AXOR Citterio 39716XXX

SAFETY NOTES
Gloves should be worn during installation to prevent crushing and cutting injuries.
The product may only be used for bathing, hygienic and body cleaning purposes.
Children as well as adults with physical, mental and ⁄or sensoric impairments must not use this product without proper supervision. Persons under the influence of alcohol or drugs are prohibited from using this product.
The hot and cold supplies must be of equal pressures.
INSTALLATION INSTRUCTIONS





⁄ Prior to installation, inspect the product for transport damages. After it has been installed, no transport or surface damage will be honoured.
⁄ The pipes and the fixture must be installed, flushed and tested as per the applicable standards.
⁄ The plumbing codes applicable in the respective countries must be observed.
TECHNICAL DATA
Operating pressure: max. 1 MPa
Recommended operating pressure: 0,1 – 0,5 MPa
Test pressure: 1,6 MPa (1 MPa = 10 bar = 147 PSI
Hot water temperature: max. 60°C
Thermal disinfection: 70°C ⁄ 4 min
⁄ Safety against backflow
⁄ The product is exclusively designed for drinking water!
SYMBOL DESCRIPTION
Do not use silicone containing acetic acid!
SAFETY FUNCTION (see page 67)

The desired maximum temperature for example max. 42°C can be pre-set thanks to the safety function.
ADJUSTMENT (see page 67)

After the installation, the output temperature of the thermostat must be checked. A correction is necessary if the temperature measured at the output differs from the temperature set on the thermostat.
MAINTENANCE

⁄ The check valves must be checked regularly according to EN 806-5 in accordance with national or regional regulations (at least once a year).
⁄ To guarantee the smooth running of the thermostat, it is necessary from time to time to turn the thermostat from total hot to total cold.
DIMENSIONS

FLOW DIAGRAM

free flow
SPARE PARTS




XXX = Colors
000 = Chrome Plated
020 = Polished Chrome
130 = Polished Bronze
140 = Brushed Bronze
250 = Brushed Gold-Optic
260 = Brushed Chrome
300 = Polished Redgold
310 = Brushed Redgold
330 = Polished Black Chrome
340 = Brushed Black Chrome
670 = Matt Black
800 = Stainless Steel Optic
820 = Brushed Nickel
830 = Polished Nickel
930 = Polished Brass
950 = Brushed Brass
990 = Polished Gold-Optic
SPECIAL ACCESSORIES

order as an extra
⁄ extension 25 mm #13595000
⁄ Extension Set 22 mm (when wall is not deep enough)#13596XXX, #98860XXX, #97407XXX, #19427XXX
⁄ Extension Set 33 mm (when wall is not deep enough) #14960XXX, #14971XXX, #14964XXX
CLEANING
OPERATION

TEST CERTIFICATE
| P-IX | DVGW | SINTEF | NF | ![]() | ![]() | ![]() | ETA | |
| 10715XXX | P-IX 29611⁄II | BQ0587 | X | |||||
| 12711XXX | P-IX 29611⁄II | BQ0587 | X | |||||
| 16815XXX | P-IX 29611⁄II | BQ0587 | X | |||||
| 16824XXX | P-IX 29611⁄II | BQ0587 | X | |||||
| 18741XXX | P-IX 29611⁄II | BQ0587 | X | |||||
| 34716XXX | P-IX 29611⁄II | BQ0587 | X | |||||
| 36711XXX | P-IX 29611⁄II | BQ0587 | X | |||||
| 36718XXX | P-IX 29611⁄II | BQ0587 | X | |||||
| 36721XXX | P-IX 29611⁄II | BQ0587 | X | |||||
| 38715XXX | P-IX 29611⁄II | BQ0587 | X | |||||
| 39711XXX | P-IX 29611⁄II | BQ0587 | X | |||||
| 39716XXX | P-IX 29611⁄II | BQ0587 | X |











ADJUSTMENT (see page 67)
CLEANING
OPERATION
TEST CERTIFICATE






















