

Instructions for use / assembly instructions

Safety Notes
Gloves should be worn during installation to prevent crushing and cutting injuries.
The shower system may only be used for bathing, hygienic and body cleansing purposes.
The hot and cold supplies must be of equal pressures.
Installation Instructions
- The fitting must be installed, flushed and tested after the valid norms.
- If the instantaneous water heater causes problems or if you wish to increase the water flow, the EcoSmart® (flow limiter) located behind the aerator can be removed.
Technical Data
This mixer series-produced with EcoSmart® (flow limiter)
| Operating pressure: | max. 1 Mpa |
| Recommended operating pressure: | 0,1 – 0,5 Mpa |
| Test pressure: | 1,6 Mpa |
| (1 MPa = 10 bar = 147 PSI) Hot water temperature: | max. 80°C |
| Recommended hot water temp.: | 65°C |
Hansgrohe mixers can be used together with hydraulically and thermically controlled continuous flow heaters if the flow pressure is at least 0,15 MPa.
Symbol description
| Do not use silicone containing acetic acid! | |
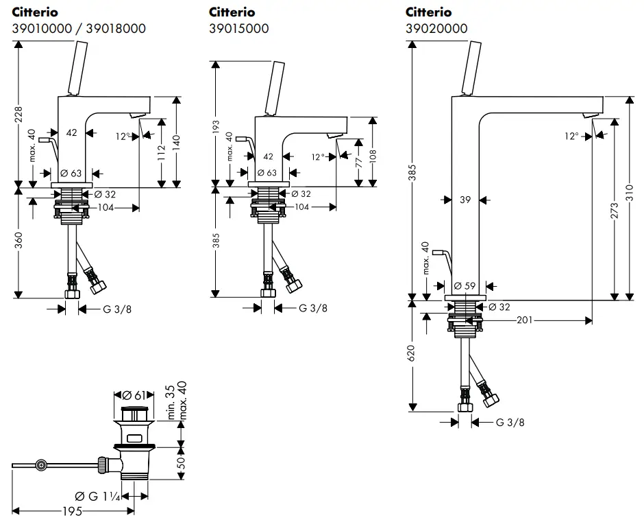
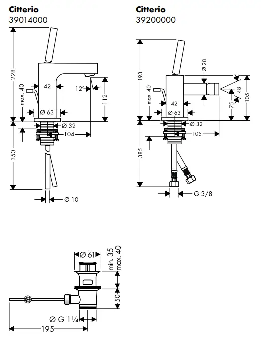
| Dimensions (see page 34 + 35) | |
| Flow diagram (see page 34 + 35) 1 with EcoSmart ® 2 without EcoSmart® | |
| Spare parts (see page 38) | |
| Special accessories special tool (58085000) order as an extra | |
| Installation kit order as an extra | |
| Operation (see page 33) | |
| Cleaning (see page 37) enclosed brochure | |
| Test certificate (see page 36) |
![]()


| open | ![]() |
| close | ![]() |
| cold | ![]() |
| hot | ![]() |

Citterio
39010000 / 39014000 / 39015000 / 39018000 / 39020000


Citterio
39200000

| P-IX | DVGW | SVGW | WRAS | KIWA | NF | ACS | ETA | |
| 39010000 | P-IX 9508/IA | X | X | X | X | |||
| 39014000 | X | X | ||||||
| 39015000 | P-IX 9508/IA | X | X | X | X | X | ||
| 39018000 | P-IX 9508/IA | X | X | X | X | X | ||
| 39020000 | P-IX 9508/IA | X | X | X | X | |||
| 39200000 | P-IX 9509/IA | X | X | X |


The QuickClean cleaning function only needs a small manual rub over to remove the lime scale from the spray channels.

Hansgrohe · Postfach 1145 · D-77761 Schiltach · Telefon +49 (0) 78 36/51-1282 · Telefax +49 (0) 7836/511440
E-Mail: [email protected] · Internet: www.hansgrohe.com
1 1/2009
9.09532.06






















