
AXOR 39181250 Citterio Single Lever Basin Mixer Instruction Manual

Description
Product features
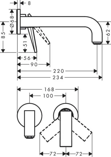
- Consists of: single lever basin mixer for concealed installation, waste set
- wall-mounted
- spout 220 mm long
- Spray pattern: normal spray
- Maximum flow rate (at 3 bar): 5 l/min
- Min. operating pressure: 1 bar
- Max. operating pressure: 10 bar
- easy control joystick handle
- handle can be positioned on the right or left, depends on the basic set installation
- QuickClean technology for easy limescale removal
- free flow non-closing waste
Product image

Flowchart

Article Details
Price excl. VAT £ 841.67
Technology

Design awards

Scale drawing

More details online on the website_www.hansgrohe.co.uk_We look forward for your visit
Read More About This Manual & Download PDF:


















