36822XXX Criterion E Washbasin Mixers
Instruction Manual
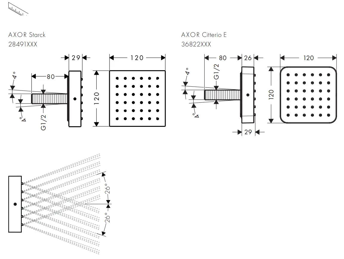
36822XXX Criterion E Washbasin Mixers
![]() | ![]() |
INSTALLATION
SAFETY NOTES
INSTALLATION INSTRUCTIONS
Prior to installation, inspect the product for transport damages. After it has been installed, no transport or surface damage will be honored.
The pipes and the fixture must be installed, flushed and tested as per the applicable standards.
The plumbing codes applicable in the respective countries must be observed.
The pipes and the fixture must be installed, flushed and tested as per the applicable standards.
The plumbing codes applicable in the respective countries must be observed.
TECHNICAL DATA
This mixer series-produced with EcoSmart ® (flow limiter)
| Operating pressure: | max. 0,6 MPa |
| Recommended operating pressure: | 0,1 – 0,4 MPa |
| Test pressure: | 1,6 MPa (1 MPa = 10 bar = 147 PSI) |
| Hot water temperature: | max. 60°C |
| Thermal disinfection: | 70°C ⁄ 4 min |
The product is exclusively designed for drinking water!
| 28491XXX | P-IX 19159⁄IZ |
| 36822XXX | P-IX 19159⁄IZ |
Cleaning recommendation ⁄ Warranty ⁄ Contact
![]() | ![]() |
| www.axor-design.com/cleaning-recommendation | www.axor-design.com/cleaning-recommendation |
| www.axor-design.com/cleaning-recommendation | www.axor-design.com/cleaning-recommendation |

Just clean: simply rub over the spray nozzles to remove lime scale.
Colors
| 000 = Chrome 020 = Polished Chrome 130 = Polished Bronze 140 = Brushed Bronze 250 = Brushed Gold-Optic 260 = Brushed Chrome | 300 = Polished Retold 310 = Brushed Retold 330 = Polished Black Chrome 340 = Brushed Black Choro 800 = Stainless Steel Optic 820 = Brushed Nickel | 830 = Polished Nickel 930 = Polished Brass 950 = Brushed Brass 990 = Polished Gold-Optic |


AXOR ⁄ Hansgrohe SE
Auestraße 5–9
77761 Schiltach
Deutschland
[email protected]
axor-design.com





























