hansgrohe 72530000 Washbasin Mixers

Safety Notes
Gloves should be worn during installation to prevent crushing and cutting injuries.
The product may only be used for bathing, hygienic and body cleaning purposes.
The hot and cold supplies must be of equal pressures.
Installation Instructions
- Prior to installation, inspect the product for transport damages. After it has been installed, no transport or surface damage will be honoured.
- The pipes and the fixture must be installed, flushed and tested as per the applicable standards.
- The plumbing codes applicable in the respective countries must be observed.
- The drain valve must only be used as intended. It is not allowed to attach other objects to the drain valve, for example a semi-pedestal.
- If the instantaneous water heater causes problems or if you wish to increase the water flow, the EcoSmart® (flow limiter) located behind the aerator can be removed.
Technical Data
This mixer series-produced with EcoSmart® (flow limiter)
Operating pressure: max. 1 MPa
Recommended operating pressure: 0,1 – 0,5 MPa
Test pressure: 1,6 MPa
(1 MPa = 10 bar = 147 PSI)
Hot water temperature: max. 60°C
Thermal disinfection: 70°C / 4 min
The product is exclusively designed for drinking water!
Symbol description
- Do not use silicone containing acetic acid!

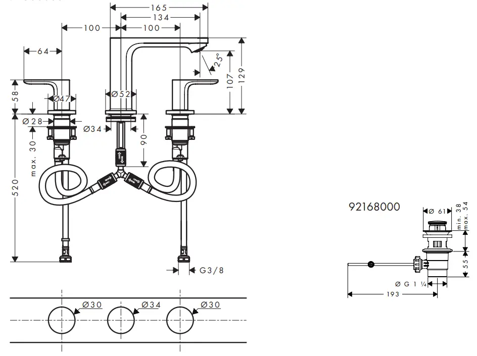
- Dimensions

- Flow diagram

- Spare parts

- Special accessories
- special tool #58085000

- Installation putty

- seal #98996000

- Cleaning

- Operation

Hansgrohe recommends not to use as drinking water the first half liter of water drawn in the morning or after a prolonged period of non-use. - Test certificate

Assembly













Operation


Dimensions
Rebris S
72530000

Flow diagram

Spare parts
Rebris S
72530000

Cleaning
Cleaning recommendation / Warranty / Contact

http://www.hansgrohe.com/cleaning-recommendation

http://www.hansgrohe.com/cleaning-recommendation

http://www.hansgrohe.com/cleaning-recommendation

http://www.hansgrohe.com/cleaning-recommendation
Test certificate
| P-IX | DVGW | SINTEF | NF | ![]() | ETA | ![]() | |
| 72530000 | PA-IX 38267/IO |

Customer Service
Hansgrohe · Auestraße 5 – 9
· D-77761 Schiltach · Telefon +49 (0) 78 36/51-1282
· Telefax +49 (0) 7836/511440
E-Mail: [email protected] · Internet: www.hansgrohe.com



















