hansgrohe 31060000 Metris S Single Lever Basin

Safety Notes
Gloves should be worn during installation to prevent crushing and cutting injuries.
The shower system may only be used for bathing, hygienic and body cleansing purposes.
The hot and cold supplies must be of equal pressures.
Installation Instructions
- The fitting must be installed, flushed and tested after the valid norms.
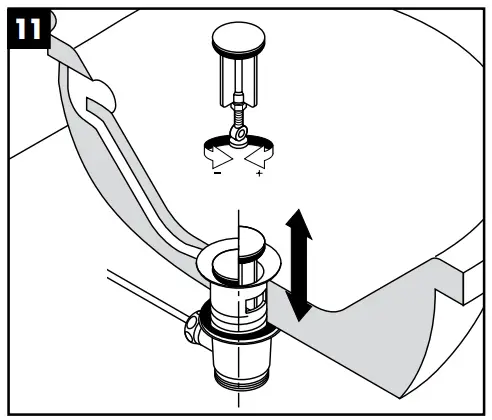
- If the instantaneous water heater causes problems or if you wish to increase the water flow, the EcoSmart® (flow limiter) located behind the aerator can be removed.
Technical Data
This mixer series-produced with EcoSmart® (flow limiter)
Operating pressure: max. 1 MPa
Recommended operating pressure: 0,1 – 0,5 MPa
Test pressure: 1,6 MPa
(1 MPa = 10 bar = 147 PSI)
Hot water temperature: max. 80°C
Recommended hot water temp.: 65°C
Hansgrohe mixers can be used together with hydraulically and thermically controlled continuous flow heaters if the flow pressure is at least 0,15 MPa.
Symbol description
![]() | To adjust the hot water limiter on single lever mixers, please see page 33. No adjustment is necessary when using a continuous flow water heater |
![]() | Do not use silicone containing acetic acid! |
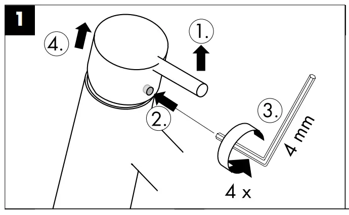
Assembly












Operating Instruction








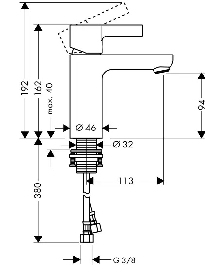
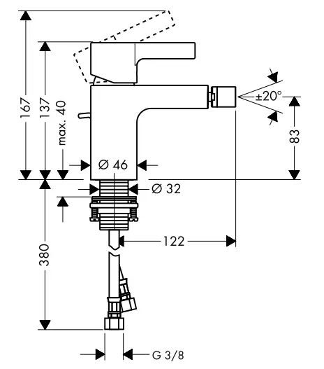
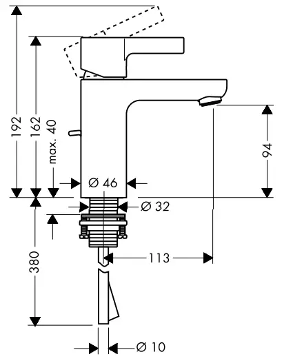
Dimension
Metris S
31060000

Metris S
31068000
Metris S
31261000
Metris S
31066000

Flow diagram
① with EcoSmart®
② without EcoSmart®
Metris S
31060000 / 31066000 / 31068000
Metris S
31261000
Operation
open

close

cold

hot

Test certificate
| P-IX | DVGW | SVGW | WRAS | KIWA | NF | ACS | ETA | |
| 31060000 | P-IX 9950/IA | DVGW BR5787 | X | X | X | X | X | |
| 31066000 | ||||||||
| 31068000 | P-IX 9950/IA | DVGW BR5787 | X | |||||
| 31261000 | P-IX 9950/IA | DVGW BR5787 | X | X | X |

Spare parts

Other Model
Metris S
31261000
Metris S
31060000 /31066000 / 31068000
Hansgrohe · Postfach 1145 · D-77761 Schiltach · Telefon +49 (0) 78 36/51-1282 · Telefax +49 (0) 7836/511440
E-Mail: [email protected] · Internet: www.hansgrohe.com



Flow diagram
Operation

















