hansgrohe 31275000 Bidet Mixer Metris Classic

Product Information
The product is a shower system with a single lever mixer and a hot water limiter. It can be used for bathing, hygienic, and body cleansing purposes. The hot and cold water supplies must be of equal pressure to ensure proper functionality. The shower system has a maximum operating pressure of 1 MPa and a recommended operating pressure of 1.6 MPa. The hot water temperature can be adjusted using the hot water limiter, and the recommended temperature is provided in the user manual. The product comes with spare parts and special accessories, but the installation kit must be purchased separately.
Product Usage Instructions
During installation, it is important to wear protective gloves to prevent crushing and cutting injuries. The shower system should only be used for its intended purposes. To ensure proper functionality, it is important to compensate for any differences in pressure between the hot and cold water supplies. To adjust the hot water limiter on the single-lever mixer, refer to page 33 of the user manual. Do not use silicone-containing acetic acid during installation. The product can be used with hydraulically and thermally controlled continuous flow heaters if the flow pressure is at least 0.15 MPa.
Models

Safety Notes
Gloves should be worn during installation to prevent crushing and cutting injuries. The shower system may only be used for bathing, hygienic and body cleansing purposes. The hot and cold supplies must be of equal pressures. Installation Instructions The fitting must be installed, flushed and tested after the valid norms. If the instantaneous water heater causes problems or if you wish to increase the water flow, the EcoSmart® (flow limiter) located behind the aerator can be removed.
Technical Data
This mixer series-produced with EcoSmart® (flow limiter)
- Operating pressure: max. 1 MPa
- Recommended operating pressure: 0,1 – 0,5 MPa
- Test pressure: 1,6 MPa
- (1 MPa = 10 bar = 147 PSI)
- Hot water temperature: max. 80°C
- Recommended hot water temp.: 65°C
Hansgrohe mixers can be used together with hydraulically and thermically controlled continuous flow heaters if the flow pressure is at least 0,15 MPa.
Symbol Description
To adjust the hot water limiter on single lever mixers, please. No adjustment is necessary when using a continuous flow water heater.
Do not use silicone containing acetic acid!
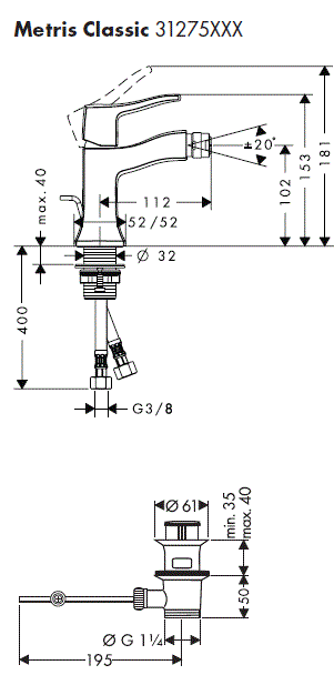
Dimensions
Flow diagram- with EcoSmart®
- without EcoSmart®
Spare parts
Special accessories- special tool (58085000) order as an extra
Installation kit order as an extra
Operation
Cleaning enclosed brochure
Test certificate
Installation Instructions


Adjustment


Dimensions

Flow Diagram



Operation

- open

- close

- cold

- hot
Cleaning

- The QuickClean cleaning function only needs a small manual rub-over to remove the limescale from the spray channels.
Spare Parts

- XXX= Colors
- 000 = chrome plated
- 820 = nikiel szorowany
Test certificate


Contact
Hansgrohe
- Postfach 1145 · D-77761 Schiltach
- Telefon: +49 (0) 78 36/51-1282
- Telefax: +49 (0) 7836/511440
- E-Mail: [email protected]
- Internet: www.hansgrohe.com

To adjust the hot water limiter on single lever mixers, please. No adjustment is necessary when using a continuous flow water heater.
Do not use silicone containing acetic acid!
Flow diagram
Spare parts
Special accessories
Installation kit order as an extra
Operation
Test certificate


















