ORTECH 401A Power Supply401A Power Supply

STANDARD WARRANTY FOR ORTEC INSTRUMENTS
ORTEC warrants its instruments other than preamplifier FET input transistors, vacuum tubes, fuses, and batteries to be free from defects in workmanship and materials for a period of twelve months from date of shipment provided that the equipment has been used in a proper manner and not subjected to abuse. Repairs or replacement, at ORTEC option, will be made on in-warranty instruments, without charge, at the ORTEC factory. Shipping expense will be to the account of the customer except in cases of defects discovered upon initial operation. Warranties of vacuum tubes and semiconductors made by their manufacturers will be extended to ORTEC customers only to the extent of the manufacturers’ liability to ORTEC. Specially selected vacuum tubes or semiconductors cannot be warranted. ORTEC reserves the right to modify the design of its products without incurring responsibility for modification of previously manufactured units. Since installation conditions are beyond the company’s control, ORTEC does not assume any risks or liabilities associated with methods of installation or with installation results.
QUALITY CONTROL
Before being approved for shipment, each ORTEC instrument must pass a stringent set of quality control tests designed to expose any flaws in materials or workmanship. Permanent records of these tests are maintained for use in warranty repair and as a source of statistical information for design improvements.
REPAIR SERVICE
If it becomes necessary to return this instrument for repair, it is essential that Customer Services be contacted in advance of its return so that a Return Authorization Number can be assigned to the unit. Also, ORTEC must be informed, either in writing or by telephone [(615) 482-44111, of the nature of the fault of the instrument being returned and of the model, serial, and revision (“Rev” on rear panel) numbers. Failure to do so may cause unnecessary delays in getting the unit repaired. The ORTEC standard procedure requires that instruments returned for repair pass the same quality control tests that are used for new-production instruments. Instruments that are returned should be packed so that they will withstand normal transit handling and must be shipped PREPAID via Air Parcel Post or United Parcel Service to the nearest ORTEC repair center. The address label and the package should include the Return Authorization Number assigned. Instruments being returned that are damaged in transit due to inadequate packing will be repaired at the sender’s expense, and it will be the sender’s responsibility to make claim with the shipper. Instruments not in warranty will be repaired at the standard charge unless they have been grossly misused or mishandled, in which case the user will be notified prior to the repair being done. A quotation will be sent with the notification.
DAMAGE IN TRANSIT
Shipments should be examined immediately upon receipt for evidence of external or concealed damage. The carrier making delivery should be notified immediately of any such damage, since the carrier is normally liable for damage in shipment. Packing materials, waybills, and other such documentation should be preserved in order to establish claims. After such notification to the carrier, please notify ORTEC of the circumstances so that assistance can be provided in making damage claims and in providing replacement equipment if necessary.
DESCRIPTION
AEC STANDARD MODULE PROGRAM
The ORTEC 401A(B) Modular System Bin conforms to the recommended standards of AEC Report TID-20893 (Rev.), “Standard Nuclear Instrument Modules.” This report, the work of a committee of equipment users from AEC-related institutions, provides standards for a modular instrument system that allow electrical and mechanical interchangeability of units made in conformance with the standards. The standards prescribe the necessary mechanical dimensions and connector types to ensure mechanical interchangeability. They also specify standard power supply voltages and pin assignments in the connectors so that electrical interchangeability is assured, at least with respect to the main connector joining module to bin.
The standards currently specify power supply voltages of plus and minus 6, 12, and 24 V do and of 115 V ac delivered to assigned module connector pins. The available current specified to each pin has undergone some change with successive issues of the standards. Refer to the most recent issue of TID-20893 (Rev.) and addenda for current requirements. Also, since power supplies of earlier manufacture conformed to earlier versions of the standards, the user should familiarize himself with the specifications of the particular supply in use to determine the available current at each voltage.
Twelve basic module widths of 1.35 in. each are provided in a standard bin. Modules may be of single width or any multiple thereof as required by the individual module design. However, all 12 module connectors are provided in the standard bin, allowing any desired combination of module location. Two module and bin heights are provided by the standards, 8% in. and 5’/. in. These standard heights, as well as the basic external mounting dimensions of the bin, conform to the established ASA standards for relay rack mounting of electrical equipment. Therefore the TID- 20893 (Rev.) standard bins will mount in standard relay racks along with other rack-mounted equipment.The TID-20893 (Rev.) standards deal only with requirements for electrical and mechanical interchangeability. They do not deal with circuit designs or methods except to the extent of the power supply voltage standards. In addition to the firm requirements designated as “Standards” in TID-20893 (Rev.), there are “Preferred Practices” which deal with subsidiary matters in the interest of suggested further compatibility. Included in the Preferred Practices are standard linear and logic signal parameters which, if observed, allow compatible interconnections between instruments.
ORTEC MODULAR INSTRUMENTS
ORTEC Modular Nuclear Instruments conforming to the standards ‘of TID-20893 (Rev.) are designed for insertion and operation in a 401A(B) Bin with an attached mating power supply. In addition to meeting the basic requirements of TID-20893 (Rev.), each ORTEC module also provides two additional compatibility features:
- Where applicable, the standard linear and logic signal parameters of the Preferred Practices of TID-20893 (Rev.) are used, providing compatible interconnections between instruments.
- The power supply demand of any given ORTEC module is limited to no more than its proportional share of theoccupancy of Bin space. In this way, the user does not have to compute the power supply total demand and compare this to the capability of the supply. Any system of ORTEC modules will automatically be compatible with the available Bin power.
These ORTEC instrument modules are made only in the 834-in.-high standard module package. The panel space requirements of this type of research instrumentation have precluded the use of the smaller 5’h-in. standard height.
ORTEC 401A(B) MODULAR SYSTEM BIN
The ORTEC 401A Modular System Bin provides mounting space for 12 standard module widths of the 8%-in.-high type. The 12 corresponding module connectors are provided, with necessary wiring for distribution of all of the standard power supply voltages. The ORTEC 401B Bin is identical except that the standard power supply voltages are distributed to the module connectors through bus bars
instead of wires. These power distribution circuits terminate in the standard connector prescribed by TID-20893 (Rev.) for connection to the power supply. A small control panel, not occupying any of the available module space, is located at the right side of the Bin, providing the do level test points, a control switch, and indicator lamps for the power supply. Further description of the 401A(B) Bin is given in the remaining sections of this manual.
POWER SUPPLY CONSIDERATIONS
The power supply provisions of TID-20893 (Rev.) allow either a supply mounted on the rear of the standard bin or an external supply, possibly furnishing power to several standard bins. Specified mounting-screw dimensions and a standard power connector make the bin-mounting power supplies interchangeable when they are made to the TID-20893 (Rev.) standards. The ORTEC 402A or 402H Power Supply, which conformsto the requirements of TID-20893 (Rev.) in force at time of manufacture, is usually furnished with the 401A(B) Bin. Please refer to the instruction manual provided with each Power Supply.
SPECIFICATIONS
- MECHANICAL TOLERANCES In accordance with TID- 20893 (Rev.) provide for interchangeability of all standard modules.
- PANEL DIMENSIONS Standard Relay Rack, 83/ in. high, 19 in. wide.
- DEPTH BEHIND PANEL Without Power Supply, 10.5 in. (26.6 cm); with 402A Power Supply, 16.0 in. (40.6 cm); with 402H Power Supply, 18.0 in. (45.7 cm).
- MODULE CONNECTORS 12 each connectors as specified by TID-20893 (Rev.).
- INSTALLED WIRING All connectors of the 401A are wired in parallel for +6 V, -6 V, +12 V, -12 V, +24 V, -24 V, high-quality power return and 115 V ac, in accordance with TID-20893 (Rev.) pin assignments, with interface connector furnished for connection to powersupply as required by TID-20893 (Rev.). The 401B is equipped with laminated bus bars on the +6 V, -6 V, +12 V, -12 V, +24 V, -24 V (AWG #14 equivalent) and for the power ground return (AWG #10 equivalent).
- CONSTRUCTION Extruded aluminum side members. Die-cast aluminum top and bottom members containing module guides and cadmium-plated steel rear connector plate. Iriditeor cadmium finished, with convenience handles on front panel mounting members.
- WEIGHT 28 lb net with 402A Power Supply; shipping weight 35 Ib; 36 lb net with 402H Power Supply; shipping weight 43 lb.
INSTALLATION INSTRUCTIONS
POWER SUPPLY INPUT VOLTAGE
The ORTEC 402A or 402H Power Supply that usually accompanies the 401A(B) Bin may be used on either 115 V or 230 V, 50 or 60 Hz, input power. The conversion from one voltage to the other is accomplished by a slide switch located on the rear of the Power Supply, labeled as to voltage choice. The Power Supply will be shipped with the voltage set according to the customer’s order instructions. However, it is prudent to check this switch for proper setting before operating the supply on 230 V. The power transformer is tapped for a simple conversion to 100-V or 200-V input levels.
Note that when the Power Supply is operated from 115-V input power, a direct connection provides the 115-V ac power to the assigned pins in the module connectors and the amount of 115-V power available is limited only by the fuse. However, when input power is 230 V, the 115-V ac power provided for the module connectors is limited by transformer ratings in the Power Supply, as stated in the Power Supply specifications. The fuse supplied installed in the Power Supply is the proper one for input voltage selection as shipped. If a field change of input voltage is made, the proper fuse change should be made as outlined in the Power Supply instruction manual.
INSTALLATION IN RACK
The mounting provisions of the 401A(B) Bin conform to the well-established ASA standards for rack mounting equipment. The mounting holes at the edge of the panel will match the standard spacing of tapped 10-32 holes provided in the standard relay rack. The use of the usual oval-head screws and cup washers is recommended. Mechanical support of the Bin may be entirely from the panel members. However, the use of horizontal guide brackets to support the bottom of the Bin will facilitate removal of the Bin from the rack and will remove strain from the Bin and rack. The basic design of the TID-20893 (Rev.) standard bin and modules provides for cooling by natural convection flow. Several bins can be mounted above each other without heat problems in the usual installation. However, one should not mount heat-producing vacuum tube equipment or other large sources of heat in the same cabinet with the standard bin without accounting for the temperature rise. The use of cooling fans in equipment cabinets will reduce the operating temperature of the enclosed equipment. However, it will also invariably couple the circuits involved more tightly to the temperature variations of the environment. In systems installations requiring the ultimate in stability of operating parameters, the best practice is to provide only for natural convection cooling of the equipment. This provides long time constants between the equipment and external temperature variations, with resultant smaller variations, even though the average absolute temperature may be higher. ORTEC modules are designed with all major signal connections on the front panel to the greatest extent possible. In some cases secondary connections are located on the rear of the module when necessar}, due to panel space limitations. If systems are contemplated that require use of rear panel connections to any great extent, the user may find it convenient to leave open gaps between installed bins for convenience in making front-to-rear connections.
OPERATING INSTRUCTIONS
CONTROL PANEL FUNCTIONS
- ON-OFF Switch interrupts both sides of the input power line.
- POWER Pilot lamp indicates that ac input power is being supplied to the power transformer primary. Either a blown fuse or a temperature cutout will extinguish this lamp.
- TEMP Warning pilot lamp is illuminated if the Power Supply temperature rises to within ^20°C of the maximum safe operating temperature. When the maximum safe temperature is reached, an internal cutout in the Power Supply removes power and neither lamp will be illuminated.
- TEST JACKS Located on the panel allow convenient checking of the Power Supply voltages from the front panel without disassembly of the supply.
POWER SUPPLY LIMITATIONS
The available current at each voltage is dependent on the Power Supply. Since the requirements of TID-20893 (Rev.) have been changed from time to time, the actual capability of any given power supply will depend on its date of manufacture. The instruction manual for the particular power supply in use should be consulted. The power requirements of individual modules are stated on their front panels. The user should verify that the Power Supply capability is not exceeded in any given system in one bin. Note that a system composed entirely of ORTEC modules will not require this verification, since each ORTEC module uses no more power than its proportional share based on panel space occupancy in the Bin.
INSERTION AND REMOVAL OF MODULES
No damage will result to the Power Supply from insertion or removal of modules while power is on. However, since the sequence of power application to a module is indeterminate when inserted with Bin power on, it is prudent to turn off the Bin power when modules are being changed or inserted.
CIRCUIT DESCRIPTION
The Bin circuit consists only of passive power distribution wiring. The accompanying wiring diagram provides full information on the wiring. Power Supply circuit information is contained in the 402A or 402H Power Supply instruction manual immediately following the Bin wiring diagram. Note the provisions of two “ground” connections in the module connector. Pin 42 is a “high quality ground,” and Pin 34 is the “power return ground.” The intent is that the high quality ground normally carry negligible current and serve as the reference ground in sensing circuits. The pins in the module are assigned according to a schedule. Refer to TID-20893 (Rev.) for details on pin assignments.
MAINTENANCE INSTRUCTIONS
Because of the passive nature of the Bin wiring, maintenance will probably be limited to the addition or removal of wiring. To retain the interchangeability features of the TID-20893 (Rev.) standards, all wiring changes or additions should be done with careful reference to the standard pin assignment schedule, a synopsis of which is given in the figure and table on page 13. The connector pins specified for use with the standard binsattach to wires by means of a crimped joint. A hand crimping tool is required for this purpose, and is used after the contacts have been pushed into place in the connector block. Removal of a contact also requires the use of a special tool, called a pin-socket extractor. Assembly details for the connectors and blocks are shown in ORTEC drawing 401-0002, included in this manual. Note that there are two alternate manufacturing sources for the component parts: AMP, Inc., of Harrisburg, Pennsylvania, and Winchester Electronics of Oakville, Connecticut. Each source also provides a hand-crimping tool and a pin-socket extractor. The proper tool for each application must be selected from the same manufacturing source as the connector block and connectors in order to ensure compatibility. As listed in the details in drawing 401-0002, the AMP connector block for bin mounting is their #202516-3 and is blue. The equivalent Winchester block is WIN 111-20854
and is orange. The connector block that is mounted on a module that is designed for insertion into the bin can have either an AMP 204186-5 (green) or a WIN 111-20853 (gray) identification. The hand-crimping tool for use with AMP products is an AMP 90067, which is ORTEC part number 9097-65313. The hand-crimping tool for use with Winchester products is their part 107-0903-2A. The AMP pin-socket extractor is their part number 305183, ORTEC part number 42947. The Winchester pin-socket extractor is their 107-1015, ORTEC part number 44694. Either of these tools can be obtained from an authorized distributor of AMP or Winchester parts, respectively, or directly from the manufacturer. They may also be ordered from ORTEC. The connector pins that are used in the bin and modules are available in several types. Consult TID-20893 and its referenced drawings for suitable types. Additional related information is included in Tables 1, 2, and 3 on ORTEC drawing 401-0002.
REPLACEABLE PARTS
ORDERING INFORMATION
The Replaceable Parts List shown below contains information needed for ordering spare and/or replacement parts. Each listing indicates the reference designator number, the part number, a description of the component, and the part manufacturer and manufacturer’s part number. All inquiries concerning spare and/or replacement parts and all orders for same should include the model serial, and revision (“Rev” on rear panel) numbers of the instruments involved and should be addressed to the Customer Service Department at 100 Midland Road, Oak Ridge, Tennessee 37830. The Manager of Customer Services can be reached by telephone at (615) 482-4411. The minimum order for spare and/or replacement parts is $25.00.
ORDERING INFORMATION FOR PARTS NOT LISTED
In order to facilitate the ordering of a part not listed below, the following information should be submitted to the Customer Service Department:
- the instrument model number,
- the instrument serial number,
- revision (“Rev” on rear panel) number,
- a description of the part,
- information as to the function and location of the part.
The solid-state-device (diodes, transistors, and integrated circuits) types installed in your instrument may differ from those shown in the schematic diagram and parts list. In such cases, necessary replacements can be made with either the type shown or the type actually installed in the instrument.
Replaceable Parts List

Replaceable Parts (continued)



BIN/MODULE CONNECTOR PIN ASSIGNMENTS FOR AEC STANDARD NUCLEAR INSTRUMENT MODULES PER TID-20893

- Pins marked (*) are installed and wired in ORTEC 401 A and 401 B Modular System Bins.
- Pins marked (*) and (“) are installed and wired in EG&G/ORTEC-HEP M250/N and M350/N NIMBINS.

DESCRIPTION
The ORTEC 402H Power Supply is designed to be mounted in the space provided on the rear of the 401 A(B) Modular System Bin. The Supply was designed to exceed the recommended power supply specifications, Appendix A of TID-20893 (Rev. 3), Type V-H, adopted by the AEC Committee on Nuclear Instrument Modules. The 402H was designed for worldwide usage. Input voltage mains of 115 V ac or 230 V ac, 4 7-63 Hz, may be used. A convenience indicating switch clearly identifies the intended main to use. The Supply furnishes six standard de voltages, +24 Vat 1 A, – 24 V at 1 A, + 12 Vat 2 A, -12 Vat 2 A, +6 V at 8 A and – 6 Vat 8 A, with a maximum power capability of 132 Wat ° 50 C. The de outputs are regulated, short circuit protected, current limited, and thermal protected.The 115 V ac is supplied to the Bin connector independent of input mains. The 115-V ac power available is limited only by the Power Supply fuse when operating from 115-V ac mains. When operating from 230-V ac mains, the 115 V ac is derived by autotransformer action and is limited to 60 VA output with a de load on the Power Supply of 132 W. A control panel is provided on the ORT EC 401 A(B) Bin for operating and monitoring the 402H Power Supply. An On-Off switch, a power indicating lamp, a thermal warning lamp, and convenience de monitor jacks are provided. The thermal warning lamp is lighted when the internal tem perature rises to within 20 C of the maximum safe operating temperature. The Power Supply is automatically cut off by an internal switch should the temperature exceed the maximum safe operating temperature. The power transistors are virtually indestructible due to their power handling capability, current limiting, and ° short-circuit protection. Silicon semiconductors, 85 C cap aciors with conservative working voltage ratings, highquality-carbon resistors, and metal film resistors are combined to produce the 402H Power Supply, which exceeds the TID-20893 (Rev. ) requirements. The de-output voltages are adjustable through holes in the top of the Power Supply cover plate, over a ±2% range from their nominal ratings. The adjustment potentiometers are 20-turn cermet potentiometers for superior adjustment resolution and resettability of the output voltages.
SPECIFICATIONS
- INPUT 100 to 129 V ac, 57-63 Hz, or 200 to 258 V ac, 47-53 Hz. Input current at 117 Vis 3.5 A for a 132-W de output.
- DC OUTPUTS The Supply provides six simultaneous de outputs with the following current ratings:
VOLTAGE (V) CURRENT (A)
- +24.00 0 to 1
- -24.00 0 to 1
- +12.00 0 to 2
- -12.00 0 to 2
- + 6.00 0 to 8
- – 6.00 0 to 8
Maximum output power from Oto 50° C ambient is 132 W. Operation to 60° C ambient, with current derated not more than 3%/ ° C for temperatures above 50 ° C.
- 115-V AC OUTPUT 115-V ac output is limited onl·1 by the Supply fuses when operating from 115-V ac mains.Output is limited to 60 VA at 132-W de load while operating from 230-V ac mains.
- REGULATION ±0.1% (typically ±0 05%) for ±12 V and ±24 V, and ±0.2% (typically ±0.1 %) for ±6 V over the combined range of zero to full load and input voltage of 100 to 129 V ac or 200 to 258 V ac, when measurements are made within a period of 1 min. ±0.3% (±12 V and ±24 V) and ±0.6% (±6 V) over any 24-hr period at constant ambient temperature over the combined range of no load to full load and input voltage of 100 to 129 V ac or 200 to 258 V ac, after a 60-min warmup.
- STABILITY Long-term stability over a 6-month period is better than ±0.5% after a 1-hr warmup at constant load, line, and ambient temperature.
- OUTPUT IMPEDANCE <0.155l for the ±6-V outputs and <0.31l for all other outputs at any frequency to 100 kHz.
- TEMPERATURE COEFFICIENT <0.02%/°C over a range of 0 to 60°C.
- THERMAL PROTECTION A thermal warning switch will close when the supply temperature approaches within 20°C of the safe operating value. A thermal cutout switch disables the Power Supply when the temperature exceeds the safe operating value.
- NOISE AND RIPPLE <3 mV peak to peak for all six outputs, as observed on a 50-MHz bandwidth oscilloscope.
- VOLTAGE ADJUSTMENTS ±2% minimum range, resettability ±0.05% of Supply voltage.
- RECOVERY TIME <100 μsec to return to within ±0.1% of rated voltage for all six outputs for any change in input voltage and load current from 10% to 100% full load.
- CIRCUIT PROTECTION Both sides of the input line to the power supply are fused. In addition, output current foldback limiting to prevent damage to the Supply and automatic recovery when the demand is removed are provided by electronic circuitry. All six supplies are protected so that any one can be shorted to any other one without resulting in permanent damage. Overvoltage protection is provided on ±6 V so that these outputs will not exceed 7.5 V maximum.
- OUTPUT CONNECTOR All power and control circuits terminate in a connector, specified by TID-20893 (Rev. 3), which mates the Bin interface connector, completing the necessary control and Power Supply wiring.
- DIMENSIONS Conform to AEC drawing ND-515 and paragraph L, page A-10, of TID-20893 (Rev. 3).
- WEIGHT 20 lb (8.9 kg) net; with 401A(B) Bin 36 lb (16 kg) net. Shipping weight for 401A(B)/402H 43 lb (19.3 kg) gross.
INSTALLATION
The 402H Power Supply is normally supplied factory connected to an ORTEC 401A(B) Modular System Bin. However, the Supply is designed to TID-20893 (Rev.) specifications and may be attached, in the space provided, to any bin manufactured to TID-20893 (Rev.) specifications. For attachments to other than an ORTEC 401A(B) Bin, refer to the appropriate instruction manual. The On-Off switch and other controls necessary to operate the supply are part of the Bin and are not furnished with the Power Supply. For attachment to the ORTEC 401A(B) Bin the following steps are advised:
- Place the Bin on a table with the back part facing you. Place the Power Supply in the proper mounting position, leaving enough space between it and the Bin to attach the interface connector.
- Mate the interface connector, being careful to align the polarizing pins. Fold and form all wiring close to the connector edges to prevent any wires from being pinched and producing a short circuit in succeeding steps.
- Mount the Supply to the Bin by securely tightening the four 10-32 screws, being careful not to pinch any wires or to use undue force on any parts.
OPERATING INSTRUCTIONS
POWER SUPPLY LIMITATIONS
The available current from the Power Supply is given in Section 2. Care must be used to ensure natural convection of heat dissipated by the heat sinks and power transformer. For best results, when using at maximum power loadings the Bin and Power Supply should be in an open space, placed upon blocks at least 1 in. off the table mounting surface to allow maximum ventilation. When used in a rack, maximum attention should be paid to placement of other heat-generating equipment. Adequate unobstructed space on all sides is necessary for convection ventilation and cooling. If the Bin contains other heat-generating equipment, a blower may be advisable to remove the dissipated heat. When it is necessary to rack-mount several bins and power supplies, especially when other heat-generating equipment is located within the rack, the term “ambient temperature” becomes less clearly defined. A better guide to maximum power loading capability is to monitor the heat sink temperature. In no case allow the heat sink temperature to continuously run above 100°C. Although this is not the maximum operation temperature, any additional temperature rise due to other conditions of the system may force the Supply out of tolerance and may cause it to automatically shut down operation. Should your operation produce a temperature of 100°C, a blower to remove the dissipated heat is indicated.
6-V POWER SUPPLIES CROWBAR OPERATION
Both the +6-V and the -6-V outputs are protected against overvoltage. If for any reason one of these output voltages exceeds 7.5 V maximum in absolute value an internal “crowbar circuit” is triggered, which places a short-circuit across the output of the corresponding voltage. Since this circuit contains an SC R, normal operation, after suppression of the cause of the overvoltage, can be resumed only by turning the power switch of the 401 Bin to Off for a couple of seconds, and then turning it to On again. If in normal operation it is suddenly discovered that the +6-V or -6-V output is missing, first check whether it can be restored by following this procedure, after having removed all the modules from the Bin. The crowbar protection circuit of the corresponding voltage may have been triggered by a temporary fault in one module or even by a strong spurious voltage transient.
CIRCUIT DESCRIPTION
GENERAL DESCRIPTION
The 402H Power Supply produces six de output voltages A power transformer transforms the input ac line voltage into six separate low voltage sources. The sources or windings are full-wave rectified, capacitor filtered, and regulated by electronic series regulator circuits. Each regulator consists of an integrated circuit voltage regulator and one or two boost transistors. In order to improve the combined line-load regulation, the input voltage to the integrated circrJit regulators of the positive supplies is provided by an additional supply, which will be referred to hereafter as “reference supply.” The input vo I tage to the regulators of the negative supplies is taken directly from the output of one of the positive supplies. The six series regulators have a similar operation; they differ only in component values and some circuit details. The regulator essentially operates in two modes. First and normal is the voltage regulation mode. Second is the current foldback or current limiting protection mode. The regulator will operate in the voltage regulation mode at any current output up to and including the full rated output of a particular supply When current output beyond the rated output is required, which includes a direct short across the output terminals, the regulator automatically shifts into a current foldback mode. When excessive current demands are removed, the regulator resumes the voltage regulation mode.
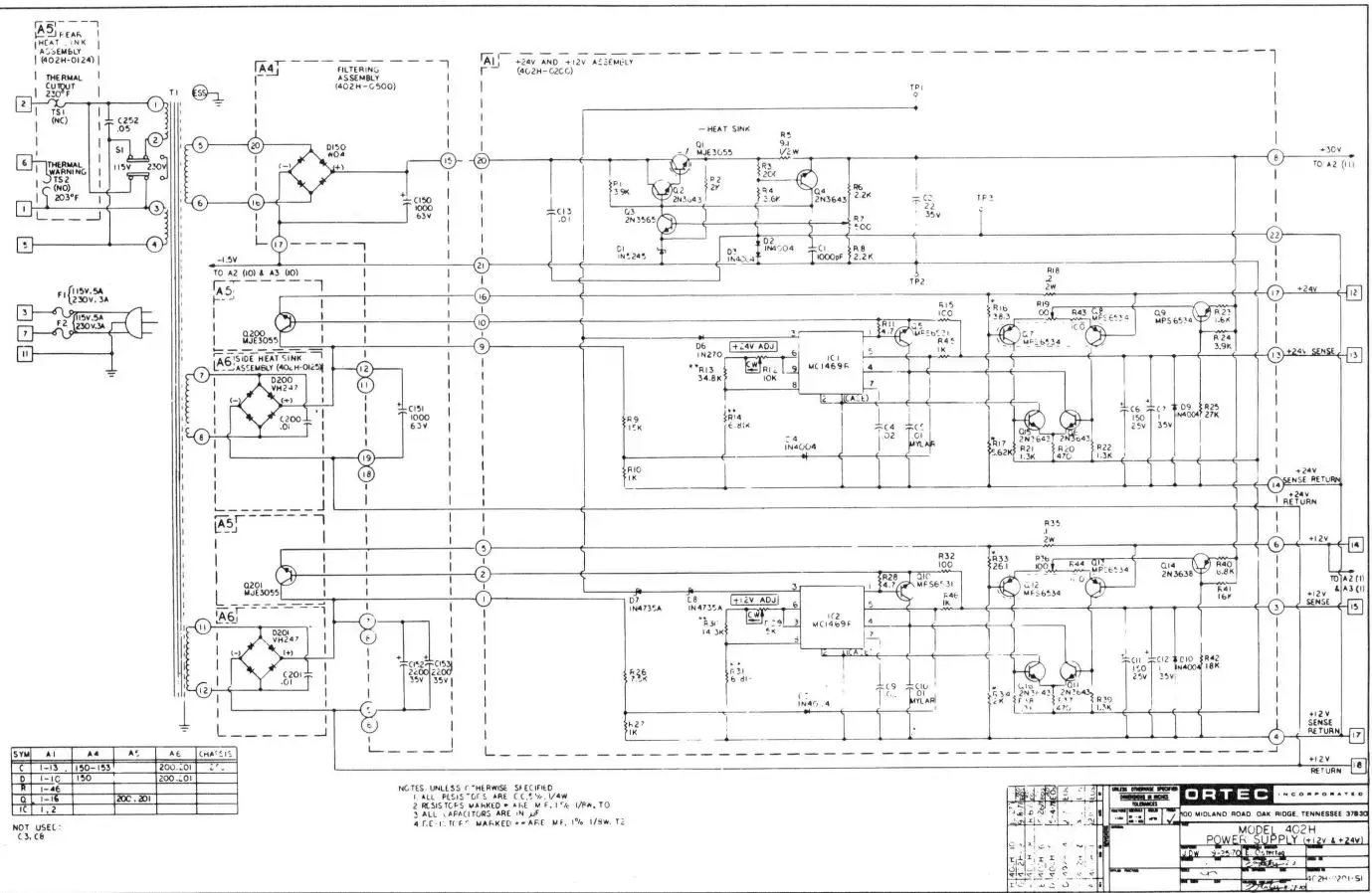
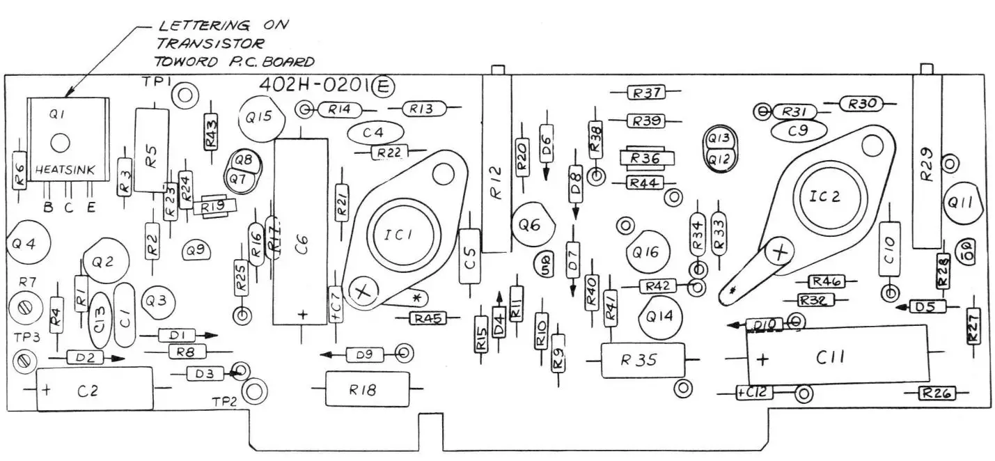
REFERENCE SUPPLY (ASSEMBLY A1)
The reference supply contains a very ,imple regulator, located on the +24-V and +12-V assembly (drawing 402H-0201-S1 ). It consists of a Darlington series element (01 and 02), a single stage comparison amplifier (03), and a zener diode (D1 ). One side of the regulated output is clamped to ground through two diodes so as to provide two output voltages. The -1.5-V output furnishes the negative voltage needed to keep the current limiting circuits of the positive supplies biased in case of a shortcircuit. The second output, +30 V with respect to ground, is used as a prefiltered and preregulated voltage at the input of the +24-V, +12-V, and +6-V voltage regulators, and biases the current sources of their current limiting circuits
+24-V AND +12-V REGULATORS (ASSEMBLY A1)
The operation of these two regulators, shown on drawing 402H-0201-S 1. is very similar. and so for convenience only the +24-V regulator will be discussed here.
In the normal voltage regulation mode the integrated circuit voltage regulator ICl Provides from its output (pin 1) the base drive needed by the series element, transistor 0200, to equalize both the output oltage and the level shifted voltage The output voltage is sensed directly at the load by pin 5 of ICl through a separate remote sense lead, and the level shifted voltage is built up across resistors R13, F-11 f, and the +24-V AdJust variable resistor R12 (pins 6,9,,0 ,1d8of IC1) Capacitor C5, connected to the compensation lead (pin 4) of IC1, provides the roll-off necessary to stabilize the regulator at all frequencies. Capacitor C4 is connected to a high impedance node of the regulator (pin 7) and filters the noise generated by its internal zener diode. In the cLJrrent foldback mode, resistor R 18, in series with the output, senses the output current level and produces a proportional voltage rise. The sense voltage is compared to the voltage drop across R 16 at the input of a differential long-tail pair (07, 08) fed by a 2-mA current source (09) and followed by a second differential stage (06, 015). For output currents less than or equal to the rated output, 08 and 06 remain back-biased and will have no effect on the regulator performance. However, when the output current exceeds the rated output, 08 becomes forward-biased and conducts, causing 06 to turn on and to derive current from pin 4 of IC1, which is the driving point of the series element contained inside the integrated circuit regulator, thereby reducing the base drive current to the series pass transistor. As a result the output voltage is reduced, which in turn decreases the voltage drop across R16. This produces the Cllrrent foldback characteristic and less current than was initially needed is now required to maintain 08 and 06 conducting.
+6-V AND -6-V REGULATORS (ASSEMBLY A2)
These circuits, shown on drawing 402H-0301-S1, are very similar to the ones just described. The main differences are the use of a Darlington configuration at the output of both integrated circuit voltage regulators to provide the rated output current of 8 A and the addition of an overvoltage protection circuit on both outputs. For the +6-V Supply, for instance, this “crowbar” circuit consists of a transistor 056 and the silicon controlled rectifier D51. If the output voltage, measured at the sense input (pin 5) of the corresponding voltage regulator (IC50), exceeds by more than one junction drop the voltage of zener diode D56 (6.5 V max), 056 turns on and triggers the gate of the SC R (D51), which acts almost as a short circuit across the output to the supply.
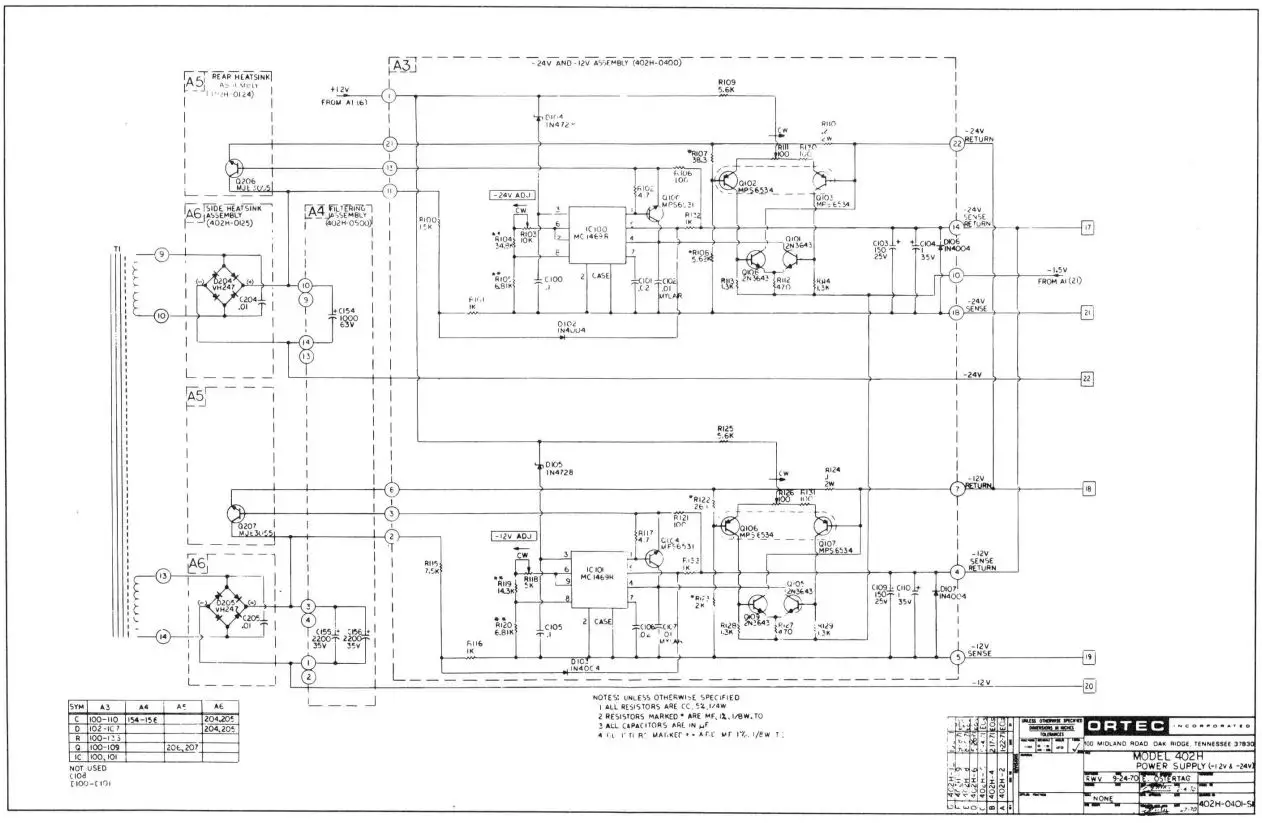
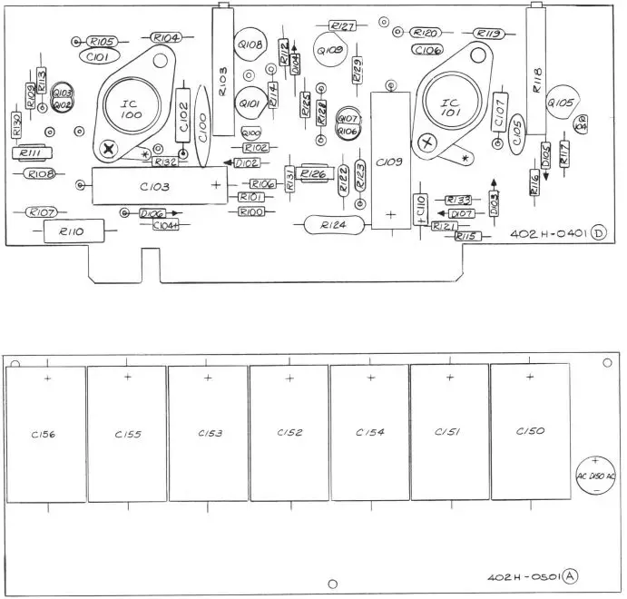
-24-V AND -12-V REGULATORS (ASSEMBLY A3)
These circuits are very similar to the +24-V and +12-V Regulators and will not be described here in more detail (see drawing 402H-0401-S1 ).
SUGGESTIONS FOR TROUBLESHOOTING
Several possible sources of trouble are described below, and suggestions are given for remedying the trouble.
All Output Voltages Missing
Check to see whether +30 Vis present on TP1 of A 1, all outputs being unloaded. If the +30 V disappears when one of the positive outputs is loaded, the corresponding integrated circuit voltage regulator is very Ii kely damaged and must be replaced.
One of the Output Voltages Missing
If operation of this supply resumes when its load is removed, check to see that the connection between the filter capacitor and the collector of the series pass transistor corresponding to that voltage supply is not interrupted or if the boost transistor is not damaged. Otherwise, check the correct setting of the 1 OOQ trim potentiometer used to balance the short-circuit current sensing amplifier associated with this output. The procedure to readjust this potentiometer is as follows:
- Turn the 1-turn potentiometer fully counterclockwise, looking at it from the top edge of the board.
- Load the output of the corresponding supply to 1 .3 A (for ±24 V), 2.4 A (for± 12 V), or 8.6 A (for ±6 V).
- Turn the potentiometer slowly clockwise while observing the output voltage with a digital voltmeter. Stop turning when the voltage just starts to drop.
+6-V or -6-V Output Missing
Turn off power switch of the Bin and wait a couple of seconds before turning on again. This ensures that the crowbar protection circuit is disabled, in case it had been triggered accidentally. If voltage does not resume, apply the procedure of Section 6.1.2.
All Three Negative Outputs Missing
The trouble most probably lies in the +12-V supply. Apply the procedure described in Section 6.1.2.
TYPICAL VOL TAG ES
Table 6.1 lists typical voltages that were measured with respect to ground potential and they are given here for ease of maintenance. The voltages given in Table 6. 1 are typical values for 115 or 230 main voltage and all outputs unloaded.
Assembly A 1 (+24 V and +12 VI

REPLACEABLE PARTS
ORDERING INFORMATION
The Replaceable Parts List shown below contains information needed for ordering spare and/or replacement parts. Each listing indicates the reference designator number, the part number, a description of the component, and the part manufacturer and manufacturer’s part number. All inquiries concerning spare and/or replacement parts and all orders for same should include the model serial, and revision (“Rev” on rear panel) numbers of the instruments involved and should be addressed to the Customer Service Department at 100 Midland Road, Oak Ridge, Tennessee 37830. The Manager of Customer Services can be reached by telephone at (615) 482-4411. The minimum order for spare and/or replacement parts is $25.00.
ORDERING INFORMATION FOR PARTS NOT LISTED
In order to facilitate the ordering of a part not listed below, the following information should be submitted to the Customer Service Department:
- the instrument model number,
- the instrument serial number,
- revision (“Rev” on rear panel) number,
- a description of the part,
- information as to the function and location of the part.
The solid-state-device (diodes, transistors, and integrated circuits) types installed in your instrument 1:1ay differ from those shown in the schematic diagram and parts list. In such cases, necessary replacements can be made with either the type shown or the type actually installed in the instrument.
Replaceable Parts List

Replaceable Parts List (continued)













Models 401A and 401B Modular System Bins and Model 402H Power Supply Operating and Service Manual
For more information on ORTEC products or their applications, contact your local ORTEC representative or: Europe: ORTEC GmbH, P. O. Box 860646, Herkomerplatz 2, 8000 Munich 86, West Germany: Telephone (089) 98-71-73; Telex (841) 528257. United Kingdom: ORTEC Limited, Doncastle House, Doncastle Road, Bracknell, Berks; Telephone Bracknell 55455; Telex 847164. Other: ORTEC Incorporated, 100 Midland Road, Oak Ridge, Tennessee 37830; Telephone (615) 482-4411; TWX 810-572-1078; Telex 055-7450.




















