Automation24 RPS40-12-CE Power Supply Unit

Product Information: Selec RPS40-12-CE Power Supply
The Selec RPS40-12-CE Power Supply is an AC to DC power converter designed for professional use in instrumentation equipment, industrial control, communication devices, and office equipment. The power supply has an input voltage range of 100-240VAC and a frequency range that supports 50/60 Hz. The output voltage is 12VDC with a maximum output current of 2.5A. The power supply has a start-up time of less than 1 second at 230VAC and less
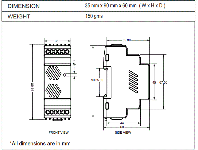
than 3 seconds at 115VAC with full load. The Selec RPS40-12-CE Power Supply has several safety features, including input and output protections against overload, short circuit, overvoltage, and over temperature. The power supply meets safety standards IEC 62368-1 and has undergone dielectric withstand voltage testing of I/P to Earth: 2000VAC, I/P to O/P: 4000VAC, and O/P to Earth: 1500VAC. The power supply has a compact design with dimensions of 35mm x 90mm x 60mm (W x H x D) and weighs 150gms. The power supply can be mounted on a DIN rail.
Product Usage Instructions
Before wiring the power supply, ensure that the power supply equipment is turned off to prevent the risk of electric shock. Wiring should be done according to the terminal layout provided in the operating manual. Do not touch terminals or electrically charged parts when the
power is on.
Wiring Instructions
- Keep the power supply equipment off while wiring to prevent the risk of electric shock.
- Do not touch terminals or electrically charged parts when the power is on.
- Wiring shall be done strictly according to terminal layout provided in the operating manual.
Installation Instructions
The Selec RPS40-12-CE Power Supply has a pollution degree of 2. Follow the installation instructions below:
Attention (Fig. 1)
- Do not block the ventilation holes of power supply.
- Keep at least 20mm clearance around the switching power supply.
- The Equipment should not be installed in environmental conditions other than those specified in this manual.
Mounting (Fig. 2)
- Slightly tilt the unit to engage on the top side of Din Rail mounting.
- Press it downward until it gets locked in Din Rail.
Removal (Fig. 3)
- Before removing power supply unit from Din Rail ensure that supply has been switched off.
- Unscrew all the wire connections of power supply unit.
- Insert a screwdriver into the mounting clamp slot & pull it down to remove the power supply from Din Rail.
WARNING:
Risk of electrical shock, fire, personal injury or death.
- Do not use the power supply without proper grounding (Protective Earth).
- Do not use in wet locations or in areas where moisture or chemicals may be present.
FEATURES
- AC 100-240V Wide-range Input.
- Cost optimized without compromising quality or reliability.
- Full power between -25 C and +50 C.
- Compact size.
INTENDED USE
This device is designed for installation in an enclosure and is intended for the general professional use such as in ndustrial control communication . Do not use this power supply in equipment where malfunction may cause severe personal injury or threaten human life.
| INPUT SPECIFICATIONS | |
| INPUT VOLTAGE RANGE | 100 – 240 VAC ± 10 % ; 127 – 370 VDC |
| FREQUENCY RANGE | 50 / 60 Hz |
| EFFICIENCY ( TYP. ) | Up to 83 % @ 230 VAC |
| AC CURRENT ( TYP. ) | 0.80 A @ 115 VAC; 0.5 A @ 230 VAC |
| INRUSH CURRENT ( TYP. ) | < 60 Amps; Measured at 264 VAC, 250C Ambient, Cold Start |
| OUTPUT SPECIFICATIONS | |
| OUTPUT VOLTAGE | 12 VDC |
| OUTPUT CURRENT | 2.5 A |
| RIPPLE AND NOISE | < 1 % of Vout |
| LINE AND LOAD REGULATION | ± 1 % |
| START UP TIME | < 1 sec@ 230 VAC & < 3 sec@ 115 VAC; Full Load |
| HOLD UP TIME | ≥ 25 ms @ 230 VAC & ≥ 6 ms @ 115 VAC, Full Load |
| SERIES OPERATION | Possible for up to two power supplies ( with external diode ) |
| PROTECTIONS | |
| INPUT FUSE | 1.25 A – 250 VAC Internal |
| OUTPUT OVER LOAD | ≥ 110 % of rated output current; Hiccup mode; Autorecovery type. |
| OUTPUT SHORT CIRCUIT | Hiccup mode when output is shorted; Autorecovery type. |
| OUTPUT OVER VOLTAGE | 17 VDC ± 1 VDC Hiccup mode when output over voltage occur; Autorecovery type. |
| OVER TEMPERATURE | Power supply shuts down when the temperature of PCB below main transformer reaches typically 1200C; Turns on only after the temperature falls below 900C typically and AC power is recycled there after. |
| ENVIRONMENT | |
|
OPERATING TEMPERATURE | – 250C to + 700C; De-rate linearly above 500C from 100 % load at 500C to 50 % load at 700C. – 250C to + 00C; startup is guaranteed with specifications deviations ( Output ripple can be more than 10 % of the output voltage ) |
| STORAGE TEMPERATURE | – 400C to + 850C. |
| HUMIDITY | 5 to 95 % RH, Non Condensing |
| ALTITUDE | 2000 m |
| SAFETY & EMC | |
| SAFETY STANDARDS | Designed to meet IEC 62368-1 |
| DIELECTRIC WITHSTAND VOLTAGE | I/P to Earth : 2000VAC I/P to O/P : 4000VAC O/P to Earth : 1500VAC |
| INSULATION RESISTANCE | 100 MΩ min. ( between all outputs and all inputs / PE terminals ) at 500 VDC |
| CONDUCTED EMISSION | CISPR32; Class B |
| RADIATED EMISSION | CISPR32; Class A |
| EMS IMMUNITY | Compliance to IEC61000-4-4,5,11 |
DIMENSIONAL DIAGRAM
WIRING DIAGRAM

WIRING INSTRUCTIONS
- To prevent risk of electric shock, power supply equipment must be kept OFF while wiring.
- Terminals and electrically charged parts must not be touched when the power is ON.
- Wiring shall be done strictly according to terminal layout provided in the operating manual.
INSTALLATION INSTRUCTIONS ( POLLUTION DEGREE 2 )
Attention:(Fig. 1)
- Do not block the ventilation holes of power supply.
- Keep at least 20mm clearance around the switching power supply.
- The Equipment should not be installed in environmental conditions other than those specified in this manual.
Mounting:(Fig.2)
- Slightly tilt the unit to engage on the top side of Din Rail mounting.
- Press it downward until it gets locked in Din Rail.
Removal:(Fig.3)
- Before removing power supply unit from Din Rail ensure that supply has been switched off.
- Unscrew all the wire connections of power supply unit.
- Insert a screw driver into the mounting clamp slot & pull it down to remove the power supply from Din Rail
WARNING : Risk of electrical shock, fire, personal injury or death
- Do not use the power supply without proper grounding ( Protective Earth. )
- Do not use in wet locations or in areas where moisture or condensation can be expected.
- Make sure mains power supply is off before wiring the power supply unit. Make sure of correct wiring. Incorrect wiring may cause electrical shock or damage.
- Do not touch the power supply during operation or immediately after turning off because some parts get hot or are at high voltage which may cause burns or electrical shock.
- Do not install the power supply where human body may come into contact while power is supplied to the power supply.
- Do not repair the power supply at user end. Modification or repairing of the power supply by users may cause electrical shocks, damage, & other accidents.
- If s mains power.. damage or malfunction occur during operation,
MEANING OF PRODUCT SAFETY SYMBOL
Minor electric shock, fire or product failure may occasionally occur. Do not allow any pieces of metal or conductors or any clippings or cuttings resulting from installation work to enter the product. occasionnellement
WEEE symbol for Electrical and Electronic Equipment waste management
SAFETY INSTRUCTIONS
- This manual is meant for personnel involved in wiring installation operation & routine maintenance of the equipment.
- Disconnect power supply of your system before starting any installation operation or wiring.
- Improper installation operation or wiring may impair safety & failure of the unit or electrical shock or damage.
- Connect the ground completely. A protective earthing terminal stipulated in safety standards is used. Electric shock or malfunction may occur if ground is not connected properly
SERVICE DETAILS
This power supply is not field serviceable product. In case of failure or malfunction, send back the power supply to factory.
Please contact service center for repair on the following numbers:
Tel. No. : +91-7498077172;
Email : [email protected]
NO WARRANTY ON UNIT DAMAGED DUE TO WRONG CONNECTION OF POWER SUPPLY.
(Specifications are subject to change, since development is a continuous process.)
Factory Address :
EL-27/1, Electronic Zone, TTC Industrial Area,
MIDC, Mahape, Navi Mumbai – 400 710, INDIA.
Fax No. : +91-22-28471733 I Toll free : 1800 227 353
Website: www.selec.com Email: [email protected]



















