VIMAR 0931 Power Supply Unit

TECHNICAL CHARACTERISTICS
This power supply features a dual electronic tone generator which replaces the traditional alternating current call on a buzzer or bell. The sound signal has two different tones (on terminals C1-C2), enabling users to immediately identify which point is calling (main entrance, gate, garage, etc.). This solution also makes it possible to use a single loudspeaker built into the phone itself to produce the sound.
OPERATING INSTRUCTIONS
This power supply can be used for two types of systems:
- Simple communication between the inside phones and the outdoor unit (0930/000.04). Diagram c2180-1.
- Communication between the speech unit (0930/000.04) and inside phones with conversation privacy between users. In this case only the phone called from the outdoor unit is enabled for conversation and release of the lock, if any, on the door. Diagram c2180.
Installation diagrams
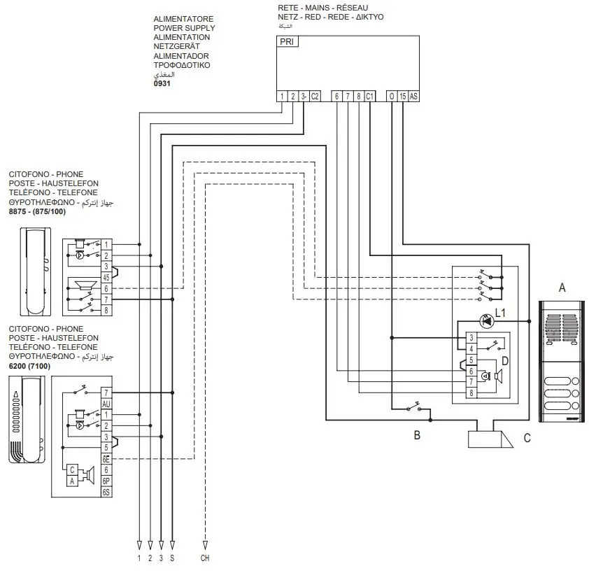
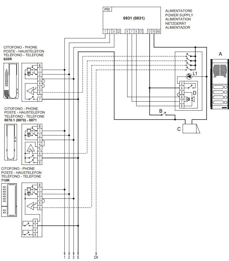
WIRING DIAGRAM OF ELECTRIC DOOR OPENER WITH “SOUND SYSTEM” CALL.
IN CASE OF NOISE IN THE AUDIO MOVE, IN THE POWER SUPPLY, THE WIRE CONNECTED ON THE DOOR LOCK TERMINAL N. 15 TO TERMINAL AS.
- A Entrance panel
- B Additional push-button for lock
- C Electric lock12V~
- D Outdoor unit
- L1 Led module for entrance panel.
Conductor section
- Conductors Ø up to 50m Ø up to 100m Ø up to 200m
- Common and lock 0,5 mm2 0,75 mm2 5 1,5 mm2
- Others 0,25 mm2 0,5 mm2 1 mm2
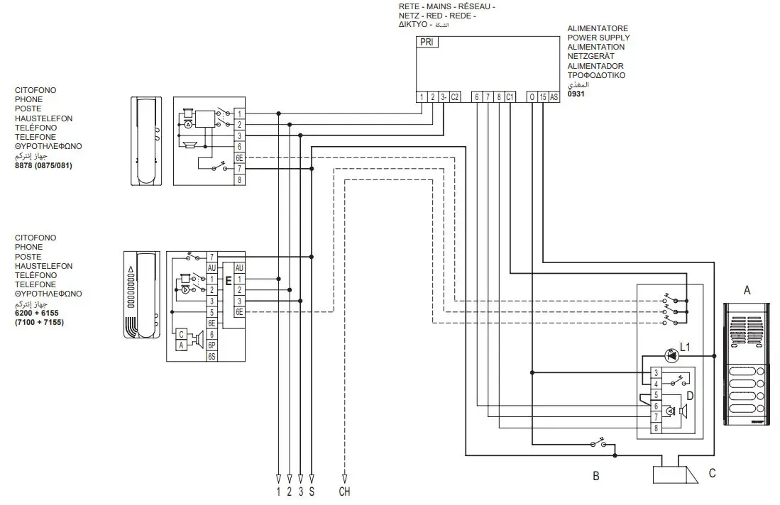
WIRING DIAGRAM OF ELECTRIC DOOR-OPENER SYSTEM WITH CALL SYSTEM “SOUND SYSTEM”, CONVERSATION PRIVACY AND DIRECT LOCK RELEASE.
- A Entrance panel
- B Additional push-button for lock
- C Electric lock
- D Outdoor unit
- E 6155
- L1 Led module for entrance panel.
N.B
Move jumper to terminal “C-AS”
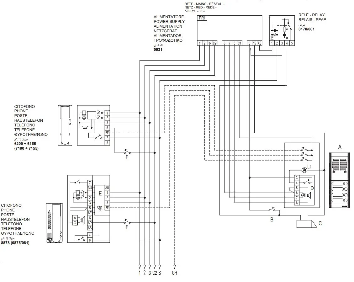
WIRING DIAGRAM OF ELECTRIC DOOR-OPENER SYSTEM WITH CALL SYSTEM “SOUND SYSTEM”, CONVERSATION PRIVACY AND LOCK RELEASE AFTER THE CALL.
- A- Entrance panel
- B- Additional push-button for lock
- C- Electric lock 12V~
- D- Outdoor unit
- E- 6155
- L1- Led module for entrance panel
N.B.
Leave jumper to terminal “AC-C”
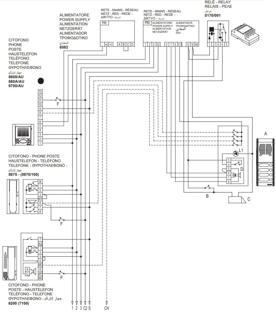
WIRING DIAGRAM OF ELECTRIC DOOR OPENER WITH “SOUND SYSTEM” CALL AND PHONE 6600/AU
IN CASE OF NOISE IN THE AUDIO MOVE, IN THE POWER SUPPLY, THE WIRE CONNECTED ON THE DOOR LOCK TERMINAL N. 15 TO TERMINAL AS.
- A- Entrance panel
- B- Additional push-button for lock
- C- Electric lock 12V~
- D- Outdoor unit
- L1- Led module for entrance panel
The “CONVERSATION PRIVACY” function is normally deactivated. To activate or deactivate the function see conversation privacy programming.
Conductor section
- Conductors Ø up to 50m Ø up to 100m Ø up to 200m
- Common and lock 0,5 mm2 0,75 mm2 1,5 mm2
- Others 0,25 mm2 0,5 mm2 1 mm2
VERSION 1
Connection of outdoor call push-button. When activating the outdoor push-button the phone sounds with a tone different from the one obtained by the external entrance panel call.
- A- Outdoor push-button
VERSION 2
Connection of the call repeater 0002/841.05. The loudspeaker module 0002/841.05 repetes the phone sound leaving the tone unaltered.
VERSION 3
Connection of additional bell. 12V~ additional bells can be fitted using the relay 0170/101 connected as shown in the diagram.
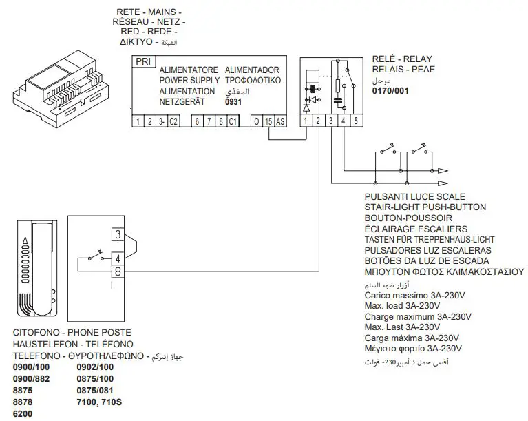
VERSION 4
To switch on the stair-light press push-button with bulb symbol
. The maximum capacity of the phone button contacts is 24V 0.5A A.C./D.C.
VERSION 5
Wiring diagram for landing call button with power supply 0931.
When the landing call push-button is pressed, the interphone sounds with a different tone from the tone generated by a call from the entrance panel.
- A- Landing call push-button
VERSION 6
Wiring diagram of “lock open” visual indication (green LED) with 6600 series interphone and power supply 0931.
The diagram shows the connection of the “lock open” indicator (green LED) with interphone 6600/AU, 660A/AU, 6700/AU (connection to terminal 13). To disable the “lock open” indication, do not connect terminal No 13 of the interphones The ringtone OFF indication is already inserted in interphones and it is not necessary to connect any additional conductor.
WIRING DIAGRAM OF ELECTRIC DOOR OPENER WITH “C.A. CALL” SYSTEM
- A- The entrance panel
- B- Additional push-button for lock
- C- Electric lock
- D- Outdoor unit
- L1- Led module for entrance panel.
WIRING DIAGRAM OF ELECTRIC DOOR OPENER WITH “C.A. CALL” SYSTEM, WITH 2 OR 3 OUTDOOR UNITS AND AUTOMATIC SWITCHING LOCKS.
- A- The entrance panel
- B- Additional push-button for lock
- C- Electric lock
- D- Outdoor unit
- L1- Led module for entrance panel
Conductor section
- Conductors Ø up to 50m Ø up to 100m Ø up to 200m
- Common and lock 0,5 mm2 0,75 mm2 1,5 mm2
- Others 0,25 mm2 0,5 mm2 1 mm2
Viale Vicenza, 14
36063 Marostica VI – Italy
www.vimar.com



















