steinel IS 2180-2 Motion Detector

Installation instructions
Dear Customer,
Congratulations on purchasing this STEINEL Infrared Sensor and thank you for the confidence you have shown in us. You have chosen a high-quality product that has been manufactured, tested and packed with the greatest care. Please familiarize yourself with these instructions before attempting to install the sensor since prolonged reliable and trouble-free operation will only be ensured if it is installed properly.
We hope your new Infrared Sensor will give you lasting satisfaction.
System components
- Security screw
- Front cover
- Lens (can be removed and turned for selecting the max. basic reach set-tings of 5 m or 12 m)
- Light threshold setting control 2-2000 lux
- Time setting control 5 sec. – 15 min.
- Clip (housing can be flipped up for assembly and connection to mains power supply)
Technical specifications

Principle
The IS 2180-2 is equipped with two 120° pyro sensors which detect the invisible heat emitted by moving objects (people, animals etc.). The heat detected is electronically converted into a signal that switches on loads (e.g. a light) connected to it. Heat is not detected through obstacles, such as walls or panes of glass. Heat radiation of this type will, therefore, not trigger the sensor. With a 90° angle of aperture, the two pyro sensors cover a detection angle of 180°. The lens can be removed and turned, thereby permitting two max basic reach settings of 5 m or 12 m. With the separately available wall brackets, the infrared sensor can be easily mounted on inside and outside corners.

- Direction of approach: towards the sensor
- Direction of approach: across the detection zone
Important: The most reliable way of detecting motion is to install the unit so that the sensor is aimed across the direction in which a person would walk and by ensuring that no obstacles (such as trees, walls etc.) obstruct the line of sensor vision.
Safety warnings
- Disconnect the power before attempting any work on the motion detector.
- The electrical connection lead must be dead during installation. Therefore, switch off the power supply first and check that the circuit is disconnected using a voltage tester.
- Installation of the sensor involves work on the mains power supply. This work must therefore be carried out professionally in accordance with the applicable wiring regulations and supply conditions. (DEVDE 0100, AT-ÖVEEN 1, CH-SEV 1000)
- Please note that the sensor must be protected by a 10 A circuit breaker. The mains supply lead must be no greater that 10 mm in diameter.
- Only carry out time and light threshold settings with the lens fitted.
Installation/Wall mounting

Note: The separately available inside corner wall bracket can also be used for wall mounting. In this way the cables can be conveniently routed behind the device from above and through the opening of the surface-mounted cable feed line.
The site of installation should be at least 50 cm from a light because heat radiated from it may trigger the sensor unintentionally. To obtain the specified ranges of 5/12 m, the sensor should be installed at a height of approx. 2 m.
Installation procedure:
- Detach front cover 2,
- Release clip 6 and flip up lower half of housing,
- Mark drill holes, 4. Drill the holes, insert wall plugs (6 mm dia.),
- Break open cable entry for surface or concealed wiring.
- Feed through mains sup-ply and service cable and connect to terminals.
- Use sealing plugs for surface wiring.
- Connect mains supply lead
The mains supply leads is a 2 to 3-core cable:
L = phase conductor
N = neutral conductor PE = protective-earth conductor
If you are in any doubt, you must identify the cables using a voltage tester; once you have done so, disconnect the power supply again. Connect the phase (L) and neutral conductor (N) to the clamp-type terminal. Connect the protective earth conductor to the earth terminal .
A power ON/OFF switch may of course be installed in the power supply lead. Alternatively, you may use a normally closed contact pushbutton to activate the sensor manually for the duration of the time setting. - Connect service lead
The service supply lead to the light is also a 2 to 3-core cable. Connect the light’s current-carrying conductor to the terminal marked L’. The service lead neutral conductor must be connected to the terminal marked N together with the mains lead neutral conductor. Connect the protective-earth conductor to the earth contact .
- Connect mains supply lead
- Screw on housing and close again.
- Fit lens (set reach to either 5 m or 12 m max), see ‘Reach setting’ section.
- Select time 5 and light threshold setting 4 (see ‘Functions’ section).
- Locate front cover 2 and fit security screw 1 to protect cover from unauthorized removal. Important: Reversing the connections may result in damage to the unit.
Installation using corner wall mount
With the corner wall brackets, the IS 2180-2 can be conveniently mounted on inside and outside corners. Use the corner wall bracket as a drilling template when drilling the holes. In this way you place the drill hole at the right angle and the corner wall bracket can be mounted without any problems. The corner wall brackets
(EAN 40071085131 black / 40071085148 white) are available as accessories.
Functions

Once you have connected the unit to the mains power supply, closed the housing and fitted the lens, you are ready to put the system into operation. Two setting controls are concealed behind the front cover 2.
Switch-off delay (time setting)
The chosen light ON time can be varied continuously from approx. 5 sec. to a maximum of 15 min. Turn-ing the adjustment screw fully anti-clockwise selects the shortest time of approx. 5 sec., turning the adjust-
Twilight setting (response threshold)
The chosen detector response threshold can be adjusted continuously from approx. 2 lux to 2000 lux. Turning the adjustment screw fully anti-clockwise selects daylight operation at approx. 2000 lux. Turning
Important: Only carry out time and light threshold settings with the lens fitted. ment screw fully clockwise the longest time of approx. 15 min. The shortest time setting is recommended for setting the detection zone and performing the walk test. the adjustment screw fully clockwise selects twilight operation at approx. 2 lux. The adjustment screw must be turned fully
anti-clockwise for setting the detection zone and performing the walk test in daylight.
Basic reach settings

The lens of the IS 2180-2 is divided into two detection zones. One half covers a max. reach of 5 m, the other half a max. reach of 12 m (when installed at a height of approx. 2 m). After fitting the lens (press lens firmly into the channel provided) you will see the max. reach setting (12 m or 5 m) at the bottom right.
Using a screwdriver, the lens can be unclipped from the groove at the side and re-positioned for the reach you require.
Examples
Precision adjustment using shrouds
Shrouds may be used to define the detection zone exactly as you require in order, for example, to blank out or specifically target paths or neighboring premises.
The shrouds can be divided or cut with a pair of scissors along the vertical and horizontal grooves. They can be clipped into the top channel around the centre of the lens. They are fixed in place by fitting the front cover. (See below: Examples showing how to reduce the angle of detection and shorten the reach).
Examples

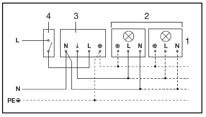
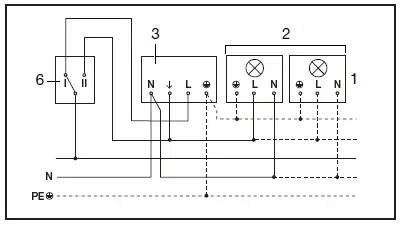
Wiring examples
- Light without neutral conductor

- Light with neutral conductor

- Connection using series switch for manual and automatic operation

- Connection to double-throw switch for permanent light ON and automatic operation

Setting I: automatic operation
Setting II: manual operation for permanent light ON
Important: the unit cannot be switched OFF, but operated only at settings I and II
- e.g. 1-4 × 100 W filament bulbs
- Service load, light of 1000 W max. (see Technical specifications)
- IS 2180-2 connection terminals
- Indoor switch
- Indoor series switch, manual, automatic
- Indoor double-throw switch, automatic, permanent light ON
Operation/Maintenance
The Infrared Sensor is suitable for switching light on and off automatically. The unit is not suitable for special burglary alarm systems since it lacks
the tampering protection prescribed for this purpose.
Weather conditions may affect the way the motion detector works. Strong gusts of wind, snow, rain or hail may cause the light to come on when it is not wanted because the sensor is unable to distinguish sudden changes of temperature from sources of heat. The detector lens may be cleaned with a damp cloth if it gets dirty (do not use cleaning agents).
Troubleshooting


Disposal
Electrical and electronic equipment, accessories and packaging must be recycled in an environmentally compatible manner.
Do not dispose of electrical and electronic equipment as domestic waste.
EU countries only:
Under the current European Directive on Waste Electrical and Electronic Equipment and its implementation in national law, electrical and electronic equipment no longer suitable for use must be collected separately and recycled in an environmentally compatible manner.
Manufacturer’s warranty
As purchaser, you are entitled to your statutory rights against the vendor. If these rights exist in your country, they are neither curtailed nor restricted by our Warranty Declaration. We guarantee that your
STEINEL Professional sensor product will remain in perfect condition and proper working order for a period of 5 years. We guarantee that this product is free from material-, manufacturing- and design flaws. In addition, we guarantee that all electronic components and cables function in the proper manner and that all materials used and their surfaces are without defects.
Making Claims
If you wish to make a claim, please send your product complete and carriage paid with the original receipt of purchase, which must show the date of purchase and product designation, either to your retailer or contact us at STEINEL (UK) Limited, 25 Manasty Road, Axis Park, Orton Southgate, Peterborough, PE2 6UP, for a returns number. For this reason, we recommend that you keep your receipt of purchase in a safe place until the warranty period expires. STEINEL shall assume no liability for the costs or risks involved in returning a product.
For information on making claims under the terms of the warranty, please go
to www.steinel-professional.de/garantie
If you have a warranty claim or would like to ask any question regarding your product, you are welcome to call us at any time on our Service Hotline
01733 366700.























