CAL-ROYAL ES1855 Series Electric Strike

Features
- Heavy duty stainless steel construction (US32D)
- Vertical adjustments allow for alignment with a wide variety of mortise locks with offset latches
- Sliding keeper shim design for up to 1/8″ (3mm)adjustment for misaligned frames
- Accommodates deadbolts up to 1″ · Field selectable for fail-safe or fail-secure
- Non-handed design fits either right-handed or left-handed doors
- Trim plate included
- Optional latch monitor LBM185 (for ES1855-M)- Indicates when door is latched (The maximum input rating for LBM185 is 1.5A/40VDC)
- Includes 5 different stainless steel faceplates

UL Requirements
- For indoor use only.
- Wiring methods shall be in accordance with NFPA 70.
- The ES1855 series is intended to be used with UL Listed Exit Hardware.
- The ES1855 series shall not impair the intended operation of an emergency exit.
- The ES1855 series shall not impair the operation of panic hardware mounted on the door.
Specifications
| Operating Voltage | 12 / 24VDC |
| Current Draw | Dual Voltage: 300mA /1 2VDC, 150mA / 24VDC |
| Operating Temp. | Operating Temp. |
| Humidity | 0-85% non-condensing |
| Latch Throw | 1″ (25mm) max with 1/8″ (3mm) door gap |
| Static Strength | 1000 lbs (454Kg) |
| Dynamic Strength | 33 fl-lbs |
| Endurance Rating | 250,000 cycles (UL tested) 1,000,000 cycles (Factory tested) |
| Performance Level | Destructive Attack: Level I Line Security: Level I Standby Power: Level I Endurance: Level IV |

Wiring Instructions
12/24 VDC Wiring Diagram
For 12VDC Operation:
For 24VDC Opration:
Fail-Safe/ Fail-Secure Reversible
Fail-secure or fail-safe is field selectable by changing position of screws as shown.
- Loosen and remove the locking screw.
- Loosen and move the sliding screw to the desired setting, and replace / retighten both screws.
Note: Factory default setting is fail-secure.
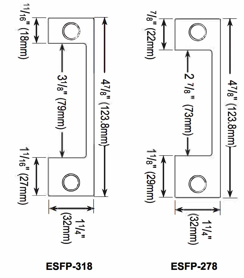
ES1855 Series Faceplates Dimensions
Deadbolt Latch Installation

Latchbolt Installation

| Note: If it is necessary to cut a hole in the frame, mounting tabs maybe required to strengthen the installation. |
Mounting the Strike Using Mounting Tabs
The mounting tabs are only used for aluminum and metal door frames. This is commonly done when retrofitting door frames.

Mounting the Trim Plate

- If the hole cut for the faceplate is too large or is jagged, the trim plate can be mounted over the hole to improve the appearance of the installation.
- Screw the trim plate into the mounting holes at the top and bottom of the door strike using the included trim plate screws before installing the strike to the door frame.
Installing the Crimp Connectors

Crimp connectors are provided to make wiring connections easier and more reliable. To install the connectors:
- Insert the wires into the connector.
- Use a crimping tool or pliers to evenly press down on the head of the connector.
Sticker Template Instruction

Refer to the supplied template. Verify lock compatibility and determine the reference line on the template.
Electric Strike Installations

Measure latch position and mark on the frame.

Attach the template to the frame and align the reference line with the marked line.

Drill and cut the frame according to the template.

Fasten the mounting tabs to the frame.

Connect the wires using the crimp connectors, then test the strike, ensure to give it correct voltage.
Electric Strike Adjustment
Adjusting Deadbolt Keeper:
Extend the deadbolt, move the door close to the strike, and let the deadbolt touch the strike keeper. Mark deadbolt lines on the strike keeper. Open the door and adjust the deadbolt keeper up and down to align with the marked lines.
Adjusting Deadlatch Ramp:
Move the door close to the strike. When the deadlatch touches the strike keeper, mark deadlatch lines on the strike keeper. Open the door and adjust the deadlatch ramp up and down to align with the marked lines.
Adjusting Keeper Sliding Shim
For Mortise Locks To minimize door play, slide the keeper shim up and down to align with the latch bolt position.
Cylindrical Lock
For Cylindrical Locks For cylindrical lock applications, remove the keeper sliding shim from the strike to ensure proper latch throw depth.
Note:
Proper gap must be reserved between the strike keeper and latch bolt to prevent solenoid valve failure.
Optional Latch Monitor LBM185 Installations


Test the door to make sure that the latch depresses the latch monitor lever. If not, trim the 3 ribs on the lever using side cutters.

Move the door towards the strike.

Mark latch limit lines on the keeper.

Remove the strike.

Mount the LBM 185 (latch monitor) and align with the marked lines on the keeper.

Test to see if any adjustment is necessary.
![]()
DWG # ELG8013, P3/3 , 20220407




















