tams elektronik 72-00315 Power Block

Tams Elektronik GmbH
All rights reserved, in particular the right of reproduction, distribution and translation. Copies, reproductions and alterations in any form require the written permission of Tams Elektronik GmbH. We reserve the right to make technical changes.
Printing the manual
The formatting is optimised for double-sided printing. The standard page size is DIN A6. If you prefer a larger display, printing on DIN A5 is recommended.
Getting started
How to use this manual
This manual gives step-by-step instructions for safe and correct assembly of the kit and fitting and connecting of the ready-built module, and operation. Before you start, we advise you to read the whole manual, particularly the chapter on safety instructions and the checklist for trouble shooting. You will then know where to take care and how to prevent mistakes which take a lot of effort to correct.
Keep this manual safely so that you can solve problems in the future. If you pass the kit or the ready-built module on to another person, please pass on the manual with it.
Intended use
The Power-Block is designed to be operated according to the instructions in this manual in model building, especially with model railways. Any other use is inappropriate and invalidates any guarantees. The Power-Block should not be assembled or mounted by children under the age of 14. Reading, understanding and following the instructions in this manual are mandatory for the user.
Checking the package contents
Please make sure that your package contains:
- one kit, containing the components listed in the parts list (→ page 12) and one PCB or
- one ready-built module
Required materials
To assemble the kit you will need
- a soldering iron with temperature control and a thin tip and a deposit stand or a controlled soldering station
- a scraper, rag or sponge
- a heat-resistant pad
- a small pair of side cutters and wire strippers
- tweezers and flat-nose pliers if necessary
- electronic solder (preferably 0.5 to 0.8 mm diameter)
You need stranded wires to connect the module. The required crosssections depend on the load. Please observe the specifications of the manufacturers of the circuits and components that you connect to the Power Block.
Safety instructions
Mechanical hazards
Cut wires can have sharp ends and can cause serious injuries. Watch out for sharp edges when you pick up the PCB. Visibly damaged parts can cause unpredictable danger. Do not use damaged parts: recycle and replace them with new ones.
Electrical hazards
- Touching powered, live components,
- touching conducting components which are live due to malfunction,
- short circuits and connecting the circuit to another voltage than specified,
- impermissibly high humidity and condensation build up can cause serious injury due to electrical shock. Take the following precautions to prevent this danger:
- Never perform wiring on a powered module.
- Assembling and mounting the kit should only be done in closed, clean, dry rooms. Beware of humidity.
- Only use low power for this module as described in this manual and only use certified transformers.
- Connect transformers and soldering irons only in approved mains sockets installed by an authorised electrician.
- Observe cable diameter requirements.
- After condensation build up, allow a minimum of 2 hours for dispersion.
- Use only original spare parts if you have to repair the kit or the ready-built module.
Fire risk
Touching flammable material with a hot soldering iron can cause fire, which can result in injury or death through burns or suffocation. Connect your soldering iron or soldering station only when actually needed. Always keep the soldering iron away from inflammable materials. Use a suitable soldering iron stand. Never leave a hot soldering iron or station unattended.
Thermal danger
A hot soldering iron or liquid solder accidentally touching your skin can cause skin burns. As a precaution:
- use a heat-resistant mat during soldering,
- always put the hot soldering iron in the soldering iron stand,
- point the soldering iron tip carefully when soldering, and
- remove liquid solder with a thick wet rag or wet sponge from the soldering tip.
Dangerous environments
A working area that is too small or cramped is unsuitable and can cause accidents, fires and injury. Prevent this by working in a clean, dry room with enough freedom of movement.
Other dangers
Children can cause any of the accidents mentioned above because they are inattentive and not responsible enough. Children under the age of 14 should not be allowed to work with this kit or the ready-built module.
In schools, training centres, clubs and workshops, assembly must be supervised by qualified personnel. In industrial institutions, health and safety regulations applying to electronic work must be adhered to.
Safe and correct soldering
Caution:
Incorrect soldering can cause dangers through fires and heat. Avoid these dangers by reading and following the directions given in the chapter Safety instructions.
- Use a soldering iron with temperature control, which you set to approx. 300 °C.
- Only use electronic solder with a flux.
- Never use soldering water or soldering grease when soldering electronic circuits. These contain an acid that destroys components and conductor paths.
- Insert the connecting wires of the components as far as possible through the holes of the board without using force. The body of the component should be close above the board.
- Make sure that the polarity of the components is correct before soldering them.
- Solder quickly: soldering for too long can cause pads or tracks to become detached or even destroy components.
- Hold the soldering tip on the soldering point in such a way that it touches the component wire and the pad at the same time. Add (not too much) solder simultaneously. As soon as the solder begins to flow, remove it from the soldering point. Then wait a moment for the solder to flow well before removing the soldering iron from the soldering joint.
- Do not move the component you have just soldered for about 5 seconds.
- A clean, non-oxidised (scale-free) soldering tip is essential for a perfect soldering joint and good soldering. Therefore, before each soldering, wipe off excess solder and dirt with a damp sponge, a thick damp cloth or a silicone wiper.
- After soldering, cut off the connecting wires directly above the soldering point with a side cutter.
- After assembly, always check each circuit again to ensure that all components are correctly inserted and polarised. Also check that no connections or tracks have been accidentally bridged with tin. This can lead not only to malfunction, but also to the destruction of expensive components. You can re-liquefy excess solder with the clean hot soldering tip. The solder then flows from the board to the soldering tip.
Operation overview
The Power-Block is used wherever a large number of electronic components are to be connected together with one connector. Conventional cabling quickly becomes confusing with a large number of cables. This makes both the creation of the connections and the search for errors very time-consuming.
The Power-Block is electrically divided into 2 sections with 14 connections each. The 14 connections in the two sections are connected to each other. The two sections can be electrically connected to each other by bridging terminal X2.
The circuit diagram, which shows the connection of 13 lamps to a common power supply, is an example of how it works:
Examples of use
- Connection of several consumers to a common power supply (transformer, booster, power supply unit)
- Connection of several loads to the output of a circuit
- Connection of several loads to the common return conductor of a circuit
Indicator LED
When connected to a DC voltage source, one of the two LEDs on the board lights up to indicate on which side the positive voltage (+) is applied. This prevents consumers from being accidentally connected to a voltage source with the wrong polarity
When connected to an AC voltage source, both LEDs light up.
Cascading of several boards
If the number of connections on one board is not sufficient, several power distribution boards can be connected in series (cascaded). The power consumption of all cascaded boards must not exceed 10 A.
Technical specifications
| Number of connections | 28 divided into 2 sections with 14 connections each |
| Maximum total current | 10 A |
| Protected to | IP 00 |
| Ambient temperature in use | 0 … +60 °C |
| Ambient temperature in storage | -10 … +80 °C |
| Comparative humidity allowed | max. 85 % |
| Dimensions of the PCB | approx. 93 ´ 27 mm |
| Weight of the assembled board | approx. 46 g |
Assembling the kit
You can skip this part if you have purchased a ready-built module.
Resistors
Resistors “brake” the current flow and are used, for example, as series resistors for light emitting diodes. The value of resistors for smaller power ratings is indicated through colour rings. Every colour stands for another figure. Carbon film resistors and some types of have 4 colour rings. The 4th ring (given in brackets here) indicates the tolerance of the resistor (gold = 5 %). 1,5 kohms brown – green – red (gold)
Light emitting diodes (LEDs)
When operated in the forward direction the LEDs light. Light emitting diodes should always be connected via a series resistor which limits the current and prevents failure. With the Power-Block the series resistors are integrated on the circuit board.
Screw terminals
Screw terminals provide a solder-free and safe connection of the cables to the circuit, which can still be separated any time.
Modular terminals are designed, for example, as single-row terminals with 2 or 3 poles. Connections with any number of poles can be created by linking several terminal strips. In order to fix them the connecting cables are inserted and screwed (similar to a lustre terminal).
PCB layout and Parts list
| Resistors | R1, R2 | 1,5 kW |
| Light emitting diodes | LED1, LED2 | 3 mm, red |
| Modular terminals | X1, X2 | 2-pole |
| X3 to X6 | X7 to X10 | 4 ´ 3-pole ou 6 ´ 2-pole |
Assembly
Proceed according to the order given in the list below. First solder the components on the solder side of the PCB and then cut the excess wires with the side cutter. Follow the instructions on soldering in section 3.
| 1. | Resistors | The mounting orientation is of no importance. |
| 2. | Light emitting diodes (LEDs) | Observe the polarity! With wired LEDs the longer lead is always the anode (positive pole). Note: If you solder the LED with the wrong polarity, the polarity will be displayed incorrectly when connected to a DC voltage source. |
| 3. | Modular terminals | Put together the terminals X3 to X6 and X7 to X10 before mounting them. |
Performing a visual check
Perform a visual check after the assembly of the module and remove faults if necessary:
- Remove all loose parts, wire ends or drops of solder from the PCB. Remove all sharp wire ends.
- Check that solder contacts which are close to each other are not unintentionally connected to each other. Risk of short circuit!
- Check that all components are polarised correctly. When you have remedied all faults, go on to the next part
Connecting the Power-Block
Connection example 1
The example shows the common connection of a larger number of consumers to one power supply, e.g. to
- an AC voltage transformer
- a direct voltage supply
- a booster
Connection X2 is used here to connect a 13th consumer
Note: When connected to DC voltage, one of the two LEDs on the board lights up to indicate on which side the positive voltage (+) is applied. When connected to AC voltage, both LEDs light up.
If more than 13 connections are required, several power blocks can be cascaded:
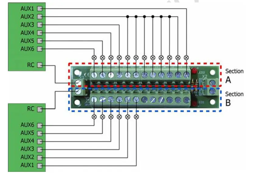
Connection example 2
In the example, the Power-Block is used to connect the loads connected to the outputs of a circuit to the common return conductor (RC) of the circuit. In the example, two different circuits are connected to sections A and B, which are electrically isolated from each other
Please note:
Never connect the return conductors of different circuits together to the same section of the Power-Block. Otherwise the connected circuits may be irreparably damaged.
If more than 12 connections are required, the two sections can be connected by connecting the two connectors of X2. Then, however, only one circuit may be connected!
Check list for troubleshooting
- When connected to DC voltage, one or both LEDs do not light according to polarity.
Possible cause: One or both LEDs are not soldered in accordance with the polarity shown on the board. à Change the installation direction.
Hotline
If problems with your module occur, our hotline is pleased to help you (mail address on the last page).
Repairs
You can send in a defective module for repair (address on the last page). In case of guarantee the repair is free of charge for you. With damages not covered by guarantee, the maximum fee for the repair is the difference between the price for the ready-built module and the kit according to our valid price list. We reserve the right to reject the repairing of a module when the repair is impossible for technical or economic reasons.
Please do not send in modules for repair charged to us. In case of warranty we will reimburse the forwarding expenses up to the flat rate we charge according to our valid price list for the delivery of the product. With repairs not covered by guarantee you have to bear the expenses for sending back and forth.
Guarantee bond
For this product we issue voluntarily a guarantee of 2 years from the date of purchase by the first customer, but in maximum 3 years after the end of series production. The first customer is the consumer first purchasing the product from us, a dealer or another natural or juristic person reselling or mounting the product on the basis of selfemployment.
The guarantee exists supplementary to the legal warranty of merchantability due to the consumer by the seller. The warranty includes the free correction of faults which can be proved to be due to material failure or factory flaw. With kits we guarantee the completeness and quality of the components as well as the function of the parts according to the parameters in not mounted state. We guarantee the adherence to the technical specifications when the kit has been assembled and the ready-built circuit connected according to the manual and when start and mode of operation follow the instructions.
We retain the right to repair, make improvements, to deliver spares or to return the purchase price. Other claims are excluded. Claims for secondary damages or product liability consist only according to legal requirements.
Condition for this guarantee to be valid, is the adherence to the manual. In addition, the guarantee claim is excluded in the following cases:
- if arbitrary changes in the circuit are made,
- if repair attempts have failed with a ready-built module or device,
- if damaged by other persons,
- if damaged by faulty operation or by careless use or abuse.
EU Declaration of Conformity
This product fulfils the requirements of the following EU directives and therefore bears the CE marking.
- 2001/95/EU Product Safety Directive
- 2015/863/EU on the restriction of the use of certain hazardous substances in electrical and electronic equipment (RoHS)
- 2014/30/EU on electromagnetic compatibility (EMC Directive). Underlying standards:
- DIN-EN 55014-1 and 55014-2: Electromagnetic compatibility – Requirements for household appliances, electric tools and similar electrical appliances. Part 1: Emitted interference, Part 2: Immunity to interference
To maintain electromagnetic compatibility during operation, observe the following measures:
Only connect the supply transformer to a professionally installed and fused earthed socket.
Do not make any changes to the original components and follow the instructions, connection and assembly diagrams in this manual exactly.
Only use original spare parts for repair work.

















