YHDC KMB321 Universal SCR Trigger Transformer Owner’s Manual
characteristics
It uses toroidal core to replace foreign similar products. It is used to drive SCR,IGBT and signal isolation transmission.
Technical indicators
- Installation method: PCB
- Flame resistance: UL94-V0
- Operating temperature: -20℃~+50℃
- Storage temperature: -40℃~+85℃
- Frequency range: 30KHz~200KHz
- Dielectric strength: 1.5KV 50Hz 1min
Electrical parameters
| Model Project Parameter | KMB321 | Unit |
| Vout microsecond integral | 8 0 | μvs |
| Input pulse amplitude | 8 | V |
| Output pulse amplitude | ≥ 7 | V |
| Turns radio | 1:1 | |
| Load resistance | 100 | Ω |
| duty ratio | 1:2 | |
| Pulse width | 1 0 | μ s |
| Leading edge time | ≤ 1 | μ s |
| Main circuit operating voltage | 380 | V |
| Weight | 3 | g |
Connection diagram

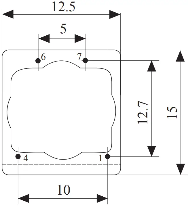
Dimension (in mm)
Side View
Bottom View


















