YHDC KMB519 Universal SCR Trigger Transformer

Product picture print for reference only, subject to the actual product
Characteristics
Suitable for 2000A SCR pulse train trigger.
Technical Index
- Installation method:PCB
- Flame resistance :UL94-V0
- Operation temperature:-20℃~+50℃
- Storage temperature:-30℃~+85℃
- Work frequency:1KHz~50KHz
- Dielectric strength:Pri/Sec 5KV 50Hz 1min Sec/Sec 500V 50Hz 1min
Schematic Diagram
Electrical parameters
(The following parameters are typical values and actual values will be subject to product testing)
| Model Parameter | KMB519 -101 | KMB519 -201 | KMB519 -301 | KMB519 -111 | KMB519 -211 | KMB519 -311 | Unit |
| Vout microsecond integral | 800 | 1500 | 2400 | 800 | 1500 | 2400 | μvs |
| Input pulse amplitude | 8 | 15 | 24 | 8 | 15 | 24 | V |
| Output pulse amplitude | ≥6 | ≥5.5 | ≥5.5 | ≥5×2 | ≥5×2 | ≥5×2 | V |
| Turns radio | 1:1 | 2:1 | 3:1 | 1:1:1 | 2:1:1 | 3:1:1 | |
| Load resistance | 7 | 7 | 7 | 7 | 7 | 7 | Ω |
| duty ratio | 1:2 | 1:2 | 1:2 | 1:2 | 1:2 | 1:2 | |
| Pulse width | 100 | 100 | 100 | 100 | 100 | 100 | μs |
| Leading edge time | ≤4 | ≤4 | ≤4 | ≤4 | ≤4 | ≤4 | μs |
| Main circuit operating voltage | 660 | 660 | 660 | 660 | 660 | 660 | V |
| Weight | 19 | 19 | 19 | 19 | 19 | 19 | g |
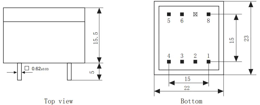
Dimensions
(in mm±0.5)



















