DWIN DMG48480C021-03WTC 2.1 Inch Electronic Modules Circular Display

Product Information
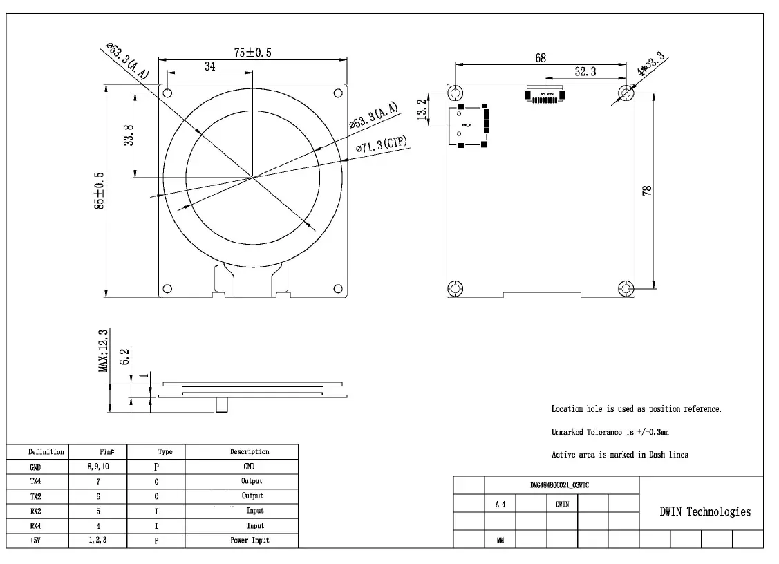
The DMG48480C021_03WTC is a circular LCD display based on T5L1 and runs on DGUS II system. It is a commercial-grade product with a 2.1-inch circular LCD, 480*480 pixels resolution, 16.7M colors, IPS-TFT-LCD, and wide viewing angle. The circular CTP touch panel has a G+FF structure with a surface cover of tempered glass. The product is manufactured by DWIN Technology.
Hardware and Interface
The product has various hardware interfaces such as T5L1 ASIC, LCM interface, CTP interface, User interface, Flash, Expand Flash interface, SD interface, and PGT05 interface. The PGT05 interface can be used to update DGUS kernel in case of product crashes.
Specification Parameters
Display Parameters
- LCD Type: IPS, TFT LCD
- Viewing Angle: 24 8R8G8B
- Color: 24-bit 8R8G8B
- Active Area (A.A.): =53.3mm D=53.3mm
- View Area (V.A.): –
- Backlight Mode: LED
- Backlight Service Life: >20000 hours (Time of the brightness decaying to 50% on the condition of continuous working with themaximum brightness)
- Brightness: 350nit
- Brightness Control: 0~100 grade (When the brightness is adjusted to 1%~30% of the maximum brightness, flickering may occur and is not recommended to use in this range)
Note: Long time display of high contrast still image over 30 minutes may lead to display residual shadow, please use screen saver to avoid this problem.
Touch Parameters
- Type: CTP (Capacitive touch panel)
- Structure: G+FF structure with surface cover of tempered glass
- Touch Mode: Support point touch and drag
- Surface Hardness: 6H
- Light Transmittance: Over 90%
- Life: Over 1,000,000 times touch
Serial Interface Parameters
- Mode: UART2: ON=TTL/CMOS; OFF=RS232 UART4: ON=TTL/CMOS; OFF=RS232 (OS Only available after OS configuration)
- Baud Rate: 3150~3225600bps115200bps 3150~3225600bps, typical value of 115200bps
- Data Format: UART2: N81 UART4: N81/E81/O81/N82 OS 4 modes (OS configuration)
- Interface Cable: 10Pin_1.0mm
Electrical Specifications
- Rated Power
- Operating Voltage
- Operating Current
Product Usage Instructions
The DMG48480C021_03WTC is a circular LCD display with a touch panel. It is recommended to use the screen saver to avoid display residual shadow caused by long time display of high contrast still image over 30 minutes.
In case of product crashes, PGT05 interface can be used to update DGUS kernel and make the product return to normal.
Features
- Based on T5L1, running DGUS II system, commercial grade.
- 2.1-inch circular LCD, 480*480 pixels resolution, 16.7M colors, IPS-TFT-LCD, wide viewing angle.
- Circular CTP
Hardware and interface
Hardware interface
Hardware and interface description
| No. | Name | Description |
|
1 | T5L1 ASIC | Developed by DWIN. Mass production in 2019,1MBytes Nor Flash on the chip, 512KBytes used to store the user database. Rewrite cycle: over 100,000 times |
| 2 | LCM interface | FPC40_0.5mm, RGB interface |
| 3 | CTP interface | FPC6_0.5mm, IIC interface |
| 4 | User interface | Download rate(typical value): 12KByte/s |
| 5 | Flash | 16MBytes NOR Flash, for fonts, pictures and audio files. Rewrite cycle: over 100,000 times |
|
6 | Expand Flash interface | Expandable to 64Mbytes NOR Flash or 48Mbytes NOR Flash+512Mbytes NAND Flash |
| 7 | SD interface | Download rate: 4Mb/s |
|
8 | PGT05 interface | When product crashes by accident, you can use PGT05 to update DGUS kernel and make the product return to normal |
Specification parameters
Display Parameters
| LCD Type | IPS, TFT LCD |
| Viewing Angle | Wide viewing angle, 85°/85°/85°/85°(L/R/U/D) |
| Resolution | 480×480(支持 0°/90°/180°/270°) 480×480 pixels (support 0°/90°/180°/270°) |
| Color | 24-bit 8R8G8B |
| Active Area (A.A.) | 53.3mm D=53.3mm |
| View Area (V.A.) | – |
| Backlight Mode | LED |
|
Backlight Service Life | >20000 hours (Time of the brightness decaying to 50% on the condition of continuous working with the maximum brightness) |
| Brightness | 350nit |
| Brightness Control | 0~100 grade (When the brightness is adjusted to 1%~30% of the maximum brightness, flickering may occur and is not recommended to use in this range) |
| Note: Long time display of high contrast still image over 30 minutes may lead to display residual shadow, please use screen saver to avoid this problem. | |
Touch parameters
| Type | CTP (Capacitive touch panel) |
| Structure | G+FF structure with surface cover of tempered glass |
| Touch Mode | Support point touch and drag |
| Surface Hardness | 6H |
| Light Transmittance | 90%以上 Over 90% |
| Life | >1,000,000 次 Over 1,000,000 times touch |
Serial interface parameters
| Mode | UART2: ON=TTL/CMOS; OFF=RS232 UART4: ON=TTL/CMOS; OFF=RS232 (OS Only available after OS configuration) | ||||
| Voltage Level | Test Condition | Min | Typ | Max | Unit |
| Output 1, Iout = -4mA | 2.7 | 3.2 | – | V | |
| Output 0, Iout = 4mA | – | 0.1 | 0.4 | V | |
| Input 1 | 2.4 | 3.3 | 5.5 | V | |
| Input 0 | 0 | – | 1.0 | V | |
| Baud Rate | 3150~3225600bps,:115200bps 3150~3225600bps, typical value of 115200bps | ||||
| Data Format | UART2: N81 UART4: N81/E81/O81/N82 (OS )4 modes (OS configuration) | ||||
| Interface Cable | 10Pin_1.0mm | ||||
Electrical specifications
| Rated Power | <5W | |
| Operating Voltage | 4.5~5.5V, typical value of 5V | |
| Operating Current | 130mA | VCC = +5V, Backlight on |
| 60mA | VCC = +5V, Backlight off | |
| Recommended power supply: 5V 1A DC | ||
Operating environment
| Operating Temperature | -10℃~60℃ (5V @ 60% RH) |
| Storage Temperature | -20℃~70℃ |
| Conformal coating | None |
| Operating Humidity | 10%~90%RH,60%RH 10%~90%RH, typical value of 60% RH |
Packaging
| Form Factor | 75.0(W)mm×85.0(H)mm×12.3(T)mm | |||
| Net Weight | 70g | |||
| Packaging Standards | ||||
| Model | Dimensions | Layer | Quantity/Layer | Quantity(Pcs) |
| 1 Carton1: | 220mm(L)×160mm(W)×47mm (H) | 1 | 2 | 2 |
| 2 Carton2: | 250mm(L)×200mm(W)×80mm (H) | 2 | 2 | 4 |
| 3 Carton3: | 320mm(L)×270mm(W)×80mm (H) | 2 | 4 | 8 |
| 4 Carton4: | 435mm(L)×335mm(W)×290mm(H) | 2 | 25 | 50 |
| 5 Carton5: | 600mm(L)×430mm(W)×290mm(H) | 2 | 60 | 120 |
Disclaimer: The product design is subject to alternation and improvement without prior notice.
DIMENSION
Debugging tools
It is recommended for new users of DWIN smart LCMs to purchase official accessories. For more details, please refer to the customer service center.
T5L series IC features
- Mature and stable 8051 core which is the most widely used with the maximum operating frequency of
- T5L is up to 250MHz, 1T(single instruction cycle) high-speed operation.
- Separate GUI CPU Core running DGUS II System:
- High-speed display memory, 2.4GB/S bandwidth.
- 2D hardware acceleration, the decompression speed of JPEG is up to 200fps@1280*800 and the
- UI with animation and icons as its main feature is extremely cool and smooth.
- Images and icons stored in JPEG format. Adopt Low-cost 16Mbytes SPI Flash.
- Support CTP or RTP with adjustable sensitivity and maximum 400 Hz touch frequency.
- 1-way 15bit 32Ksps PWM digital power amplifier driver loudspeaker, save power amplifier cost and achieve high signal-to-noise ratio and sound quality restoration.
- 128Kbytes variable storage space for exchanging data with OS CPU Core and memory.
- Support DGUS development and simulation on PC. Support background remote upgrade.
- A separate CPU (OS CPU) core runs user 8051 code or DWIN OS system and user CPU is omitted in practical application:
- Standard 8051 architecture and instruction set, 64Kbytes code space, 32Kbytes on-chip RAM.
- 64 bit integer mathematical operation unit (MDU), including 64 bit MAC and 64 bit divider.
- 28 IOs, 4-channel UARTs, 1-channel CAN, up to 8-channel 12-bit A/Ds and 2-channel 16-bit PWM of adjustable resolution.
- Support IAP on-line simulation and debugging with an unlimited number of breakpoints.
- Upgrade code online through the DGUS system
- 1Mbytes on-chip Flash with DWIN patent encryption technology ensure code and data security.
- Operating temperature ranges from -40℃ to +85℃(IC operating temperature customizable from -55℃ to 105℃).
DWIN encourages users to design your own customized product based on T5L
Revision records
| Rev | Revise Date | Content | Editor |
| 00 | 2022-05-27 | First Edition |
Please contact us if you have any questions about the use of this document or our products, or if you would like to know the latest information about our products:
Customer service Tel: 400 018 9008
Customer service QQ: 400 018 9008
Customer service email: [email protected]
DWIN Developer Forum: http://forum.dwin.com.cn
Thank you all for your continuous support of DWIN, and your approval is the driving force of our progress
DWIN Technology 400 018 9008 www.dwin.com.cn




















