Dantherm SM 4.0 10 Inch Display User Manual

“LOGIN” PAGE (ACCESS)

The him, once powered and connected via the serial line to one or more coolers, displays the screen shown in Pic. 1, with the following information:
- 1) Button for logging in;

Default:
- Enter “admin” as the “user name”;
- Enter “password” as “password”.
After the first access, the installer can choose the access credentials or create new ones with different access properties.
- 2) Available languages;
- 3) System date and time;
- 4) Installed software version.
“MAIN” PAGE

After logging in, you access the “Main” page which shows an overview of the system, each cooler is represented here by an icon.
- 1) Cooler icon;
The number in the top left-hand corner identifies the cooler, the background colour of the box indicates the area to which it belongs, transparency indicates a machine configured as single. The colour of the stylised fan represents the four states of the cooler:
- Offline – (black icon);
- Standby – (yellow icon);
- Running – (green icon);
- Fault – (red icon).
The box at the top right shows the function of the cooler:
- Cooling;
- Ventilation;
- Exhaust;
- Cleaning.
Finally, the bottom right-hand box identifies the “master” cooler within an area. Acting on the icon you access the menu dedicated to the cooler for specific adjustments.
- 2) Icon to access the “Settings” page;
- 3) Icon to access the key;

- 4) Icon to access the page allowing you to change your password;
- 5) Icon to access the “Maintenance” page;
- 6) Icon to return to the “Login” page.
“SETTINGS” PAGE

The main purpose of this page is to define how many and which of the potential 31 coolers managed by the system are actually present and with which address:
- Icons of this type allow you to define which coolers are present (blue icons) and which are not (transparent
icons). The address of a cooler is defined during installation by means of the multiple selector on the board. It is advisable to note down the addresses used during installation so that they can be set correctly on this page. - Icon to return to the “Main” page;
- Icon to access the “Users Settings” page ;
- Icon to access the “Log Settings” page;
- Graphics for setting the date and time;
- Software update button. After downloading an “Update Package” file and copying it to a USB stick, insert the USB stick into the USB port on the back of the HMI. Press the button, wait for the end of the process and then remove the USB stick.
“STATUS” PAGE

Typically, the user only accesses this page in the event of an error, in which case the fan icon is red. The information available is:
- 1) Modbus Address of the selected machine;
- 2) Status of the cooler:
- Offline – (black icon);
- Standby – (yellow icon);
- Running – (green icon);
- Fault – (red icon).
- 3) Drop-down menu for configuration as:
- “Not Installed’;
- “Area 1” (area slave);
- “Area 2” (area slave);
- “Area 3” (area slave);
- “Area 4” (area slave);
- “Area 1 Master” (area master);
- “Area 2 Master” (area master);
- “Area 3 Master” (area master);
- “Area 4 Master” (area master);
- “Single”.
- 4) Icon for setting the Cooling function;
5) Icon for setting the Cooling Auto function;
6) Icon for setting the Ventilation function;
7) Icon for setting the Exhaust function;
8) Icon for setting the Cleaning function; This particular mode can be performed in four ways:- Manually;
- On hourly programming;
- For reached limit “Clean Scheduler”;
- Automatically, at the end of each cooling cycle.
- 9) Icon for setting the Auxiliary option, this option refers to a 230Vac contact that can be freely managed;
- 10) Cooler on/off button;
- 11) Notification of the need for maintenance;
- 12) Temperature measured outside the building;
- 13) Temperature measured inside the building;
- 14) Target temperature (Set temperature);
- 15) Humidity measured inside the building;
- 16) Target Humidity (Set humidity);
- 17) Water level;
- 18) Icon to access the Timer page (Time schedule);
- 19) Icon for bringing a cooler that has gone offline back online;
- 20) Display and adjustment of fan rotation speed; the arrow on the right implements an increase, the arrow on the left a decrease;
- 21) Measurement of current drawn by the cooler motor;
- 22) Fault Code accompanied by a short description;
- 23) Icon to return to the “Main” page.
“TIMER” PAGE (TIME SCHEDULE)

The timer page (Time schedule) allows you to program the operation of the system, you can create time slots within which you can set:
- On which days the function is active;
- The time at which the action applies;
- The action you want to programme;
- The rotation speed of the fan;
- The set point in temperature.
Consistent definitions of a time for an “On” and one for an “Off” define an operating range. An exception is “Clean” where only the start time needs to be defined, as the duration of the function is set in the “Maintenance” page, via the variable “Clean duration” expressed in minutes.
1) Menus for creating operating time slots must be set:
- Days of operation, on a weekly basis;
- A time expressed in hours before and minutes after;
- Fan rotation speed;
- Temperature set point;
- The type of action.
Once the parameters have been defined, use the icon with the green tick to confirm your choices, and the icon with the red cross to cancel your entries;
2) What was defined in the menu in step 1, once saved, is summarised in a line that shows:
- The days of the week on which the action applies;
- The time at which the action applies;
- The type of action;
- Rotational speed;
- Temperature Set point.
Each time slot, once created, can be modified at a later date by clicking on the green icon to the left of the time slot; to delete a time slot, click on the red icon to the right of the time slot.
NOTE: The system knows the day of the week corresponding to the date. The panel is equipped with RTC and buffer cap to maintain the time in case of power failure.
“MAINTENANCE” PAGE

The “Maintenance” page allows you to:
- Set when to display the maintenance banner;
- Clean Scheduler, i.e. the number of hours of continuous operation, after which the “Clean” function is activated. Minimum value 1 hour, maximum value 72 hours, in steps of 1 hour;
- Clean duration, determines the duration of the clean function;
- This option enables or disables cleaning after a cooling cycle;
- This item allows you to set the maximum permitted humidity level, above which cleaning is converted to ventilation;
- Icons for language selection.
“USERS SETTINGS” PAGE

The “Users Settings” page allows you to create, edit or delete HMI access credentials by choosing “User name”, “Password” and access level.
- Icon for creating a new access credential by filling in a form;

- Icon for deleting a new access credential, using a special form that displays the credentials entered in the device;

- Icon for editing a new access credential, using a form similar to the one in point 1;
- Icon to import login credentials from another device via USB;
- Icon for exporting login credentials from another device, via USB;
- Icon to return to the “Main” page.
“LOG SETTINGS” PAGE

The “Log Settings” page manages the creation of a .csv file on a monthly basis, which records the measured temperatures of the active coolers at 30-second intervals, and at the end of the hour sends the data to the network based on the type of storage selected.
Archiving can be done by:
- “FTP”;
- “Shared Folder”.
The following fields must be completed on the basis of the choice made:
- “FTP Server”;
- “Port”; · “User”;
- “Password”. Or:
- “PC”; · “User”;
- “Password”;
- “Path”.
it is also possible to choose whether the .csv file will use the comma (“,”) or a semicolon (“;”) as separators.
- Icon for saving data from flash to ram;
- Icon for saving the log file to a USB stick;
- Icon for deleting log files stored in ram.
![]()
TECHNICAL DATA



The correct installation procedure must be followed to comply with front panel protection ratings:
- The edges of the cut-out must be flat;
- Tighten each fixing screw until the corner of the plastic faceplate comes into contact with the panel; ·
The cut-out for the panel must be the size indicated in this manual.
The equipment is not intended for continuous exposure to direct sunlight.
This may accelerate the ageing process of the front panel film.
The equipment is not intended for installation in contact with corrosive chemicals. Check the resistance of the front panel film to a specific compound before installation.
Do not use tools of any kind (screwdrivers, etc.) to operate the panel touchscreen.
IP66 is only guaranteed if:
- Maximum deviation from the surface plane to be cut out: <= 0.5 mm;
- Thickness of the housing in which the equipment is mounted: 1.5 mm to 6 mm;
- Maximum surface roughness where the gasket is applied: <=120 um.
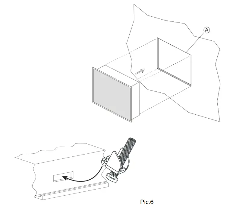
INSTALLATION PROCEDURE

Position the fixing brackets contained in the fixing kit as shown in Pic. 6. Tightening torque: 75 Ncm. Tighten each fixing screw until the corner of the frame is in contact with the panel.
CONNECTIONS
- Serial Port;
- Ethernet Port;
- USB Port;
- Power Supply.

To operate with a 2-wire RS485 Modbus, pins 4-3 and 8-7 must be umpired externally.

ETHERNET PORT

POWER SUPPLY, EARTHING AND SHIELDING
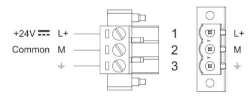
The terminal block of the power supply unit is shown in the following figure.

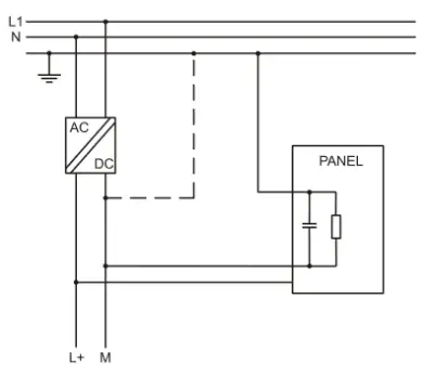
NOTE: Ensure that the power supply has sufficient power capacity to operate the equipment. The unit must always be earthed with a minimum cable size of 1.5 sq. mm. Earthing helps to limit the effects of noise due to electromagnetic interference on the control system. Also earth terminal 3 on the power supply terminal block. The power supply circuit may be floating or earthed. In the latter case, earth the common power source as shown in the figure with a dotted line.

When using the floating power scheme, note that the operator panels internally connect the power supply common to earth with a 1 M resistor in parallel with a 4.7 nF capacitor. The power supply must have double or reinforced insulation. All electronic devices in the control system must be properly earthed. Earthing must be carried out in accordance with the applicable regulations.



















