EATON 40-80 A xEffect Industrial Switchgear Range

Residual Current Devices
Residual Current Devices – General Data Short description of the most important RCD types
Symbol Description
- Eaton standard. Suitable for outdoor installation (distribution boxes for outdoor installation and building sites) up to -25° C.
- Conditionally surge-current proof (>250 A, 8/20 μs) for general application.
- Type AC: AC current sensitive RCCB
- Type A: AC and pulsating DC current sensitive RCCB, not affected by smooth DC fault currents up to 6 mA
- Type F: AC and pulsating DC current sensitive RCCB, trips also at frequency mixtures (10 Hz, 50 Hz, 1000 Hz), min. 10 mms time-delayed, min. 3 kA surge current proof, higher load capacity with smooth DC fault currents up to 10 mA
- Frequency range up to 20 kHz
- Trips also at frequency mixtures (10 Hz, 50 Hz, 1000 Hz)
- Type B: All-current sensitive RCD switchgear for applications where DC fault currents may occur. Non-selective, nondecayed. Protection against all kinds of fault currents.
- Type B+: All-current sensitive RCD switchgear for applications where DC fault currents may occur. Non-selective, non-delayed. Protection against all kinds of fault currents. Provides enhanced fire safety.
- RCD of type G (min 10 mms time delay) surge current-proof up to 3 kA. For system components where protection against unwanted tripping is needed to avoid personal injury and damage to property. Also for systems involving long lines with high capacitive reactance. Some versions are sensitive to pulsating DC. Some versions are available in all-current sensitive design.
- RCD of type S (selective, min 40 mms time delay) surge current-proof up to 5 kA. Mainly used as main switch, as well as in combination with surge arresters. This is the only RCD suitable for series connection with other types if the rated tripping current of the downstream RCD does not exceed one third of the rated tripping current of the device of type S. Some versions are sensitive to pulsating DC. Some versions are available in all-current sensitive design.


Tripping Characteristics (IEC/EN 61008)
Tripping characteristics, tripping time range and selectivity of instantaneous, surge current-proof „G“ and surge current-proof – selective „S“ residual current devices.

IEC 60364-4-41 deals with additional protection: The use of RCDs with a rated residual operating current not exceeding 30 mA, is recognized in a. c. systems as additional protection in the event of failure of the provision for basic protection and/or the provision for fault protection or carelessness by users. This means when using RCDs for fault current/residual current protection two RCDs must be connected in series.
Testing:
RCDs with tripping time delay (Types -G and -S) may be function tested with conventional testing equipment which must be set according to the instructions for operation of the testing device. Due to reasons inherent in the measuring process, the tripping time determined in this way may be longer than expected in accordance with the specifications of the manufacturer of the measuring instrument.
However, the device is ok if the result of measurement is within the time range specified by the manufacturer of the measuring instrument.
Due to the currents flowing off through the filters (designated IF), the sum of currents through the RCD is not exactly zero, which causes unwanted tripping.

Tripping characteristic
This sample tripping characteristic of a 100 mA RCD and a 300 mA RCD shows the following: In the frequency range around 50 Hz, the CDs trip as required (50 – 100 % of the indicated IDNG).
In the range shown hatched in the diagram, i. e. from approx. 100 to 300 Hz, unwanted tripping occurs frequently due to the use of frequency converters. Type F RCCBs are designed to reliably sense
higher frequency residual currents ,which leads to an enormous increase in the reliability and availability of electrical systems. Therefore, we recommend to use RCDs designed for applications
with frequency converter! These special residual current devices can be recognized by an extension of the type designation („-F“). They meet the requirements of compatibility between RCDs and frequency converters with respect to unwanted tripping. Eaton stands for highest availability of your system also in applications where frequency drives are used. Therefore a full suite of Type F RCCBs (mechanical and digital assisted) are available in all feasible ratings to assist you in your application needs.
Our RCDs of type „-F“ are characterized by:
- Improved capabilities of reliably sensing residual currents up to 1 kHz
- Improved capabilities of withstanding 10 mA DC offset
- 10 mms short time delay minimum (G/F)
- Surge current profess of 3 kA (G/F) and 5kA (S/F)

Description
- Comprehensive range of RCCBs with a rating of up to 80A
- Higher tripping currents for special applications
- All current sensitive Type B RCCBs to fulfil highest safety standards
- Line voltage independent 2 and 4 pole RCCB for fault protection, additional protection as well as fire protection
- As also stated in IEC/EN 62423, the B sensitivity relies on line voltage

| In/IDn (A) | Type Designation | Article No. | Units per package | |
| Type B | ||||
| Conditionally surge current-proof 250 A, Type B | ||||
| 4-poles | ||||
| 40/0.1 | FRCMM-40/4/01-B | 187804 | 1/30 | |
| 63/0.1 | FRCMM-63/4/01-B | 187805 | 1/30 | |
| 63/0.5 | FRCMM-63/4/05-B | 303861 | 1/30 | |
| 80/0.03 | FRCMM-80/4/003-B | 187806 | 1/30 | |
| 80/0.1 | FRCMM-80/4/01-B | 187807 | 1/30 | |
| 80/0.3 | FRCMM-80/4/03-B | 187808 | 1/30 | |
| 80/0.5 | FRCMM-80/4/05-B | 303862 | 1/30 | |

FRCmM 40-80 A Type B (non-digital) – Technical Data

FRCmM 40-80 A Type B (non-digital) – Technical Data
| Technical Data | ||
| FRCmM, Type B | ||
| Electrical | ||
| Design according to | IEC/EN 61008, IEC/EN 62423 | |
| Current test marks as printed onto the device | ||
| Tripping | ||
| Type B | short-time delayed | |
| Type S/B | 50 ms delay – with selective disconnecting function | |
| Rated voltage | Un | 230/400 V; 50 Hz |
| Limits operation voltage test circuit | ||
| 30 mA | 250 – 440 V~ | |
| 100, 300, 500 mA | 185 – 440 V~ | |
| Rated tripping current | IDn | 30, 100, 300, 500 mA |
| Sensitivity | All types of current | |
| Rated insulation voltage | Ui | 400 V |
| Rated impulse withstand voltage | Uimp | 2,5 kV |
| Rated short circuit capacity | Icn | 10 kA with back-up fuse |
| Peak withstand current | ||
| Type B | 3 kA (8/20μs), surge current-proof, 10 ms delay | |
| Type S/B | 5 kA (8/20μs), surge current-proof, 40 ms delay | |
| Maximum back-up fuse | Short circuit protection Overload protection | |
| In = 40 A In = 63 A In = 80 A | 100 A gG/gL 40 A gG/gL 100 A gG/gL 63 A gG/gL 100 A gG/gL 80 A gG/gL | |
| Rated breaking capacity or rated fault breaking capacity In = 40 A | Im IDm |
500 A |
| In = 63 A In = 80 A | 630 A 800 A | |

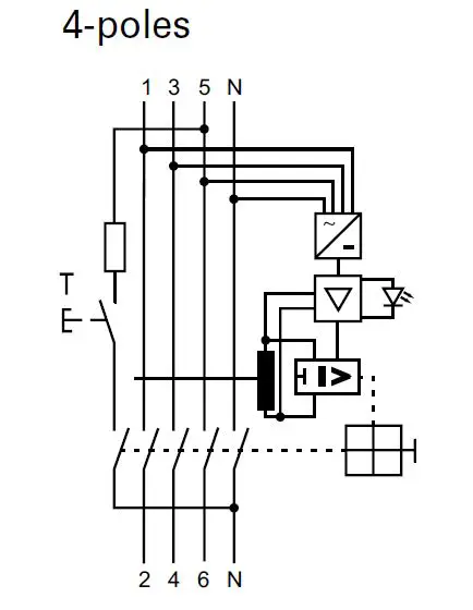
Connection diagram

Dimensions (mm)

Power Loss at In FRCmM – Type B
Eaton’s electrical business is a global leader with deep regional application expertise in power distribution and circuit protection; power quality, backup power and energy storage; control and automation; life safety and security; structural solutions; and harsh and hazardous environment solutions. Through end-to-end services, channel and an integrated digital platform & insights Eaton is powering what matters across industries and around the world, helping customers solve their most critical electrical power management challenges.
For more information, visit Eaton.com.

Eaton Industries (Austria) GmbH Scheydgasse 42 1210 Vienna Austria
Eaton
EMEA Headquarters Route de la Longbrake 7 1110 Merges, Switzerland © 2022 Eaton All Rights Reserved Publication No. CA003021EN Article number 302009-MK May 2022 Changes to the products, to the information contained in this document, and to prices are reserved; as are errors and omissions. Only order confirmations and technical documentation by Eaton is binding. Photos and pictures also do not warrant a specific layout or functionality. Their use in whatever form is subject to prior approval by Eaton. The same applies to trademarks (especially Eaton, Moeller, and Cutler-Hammer). The Terms and Conditions of Eaton apply, as referenced on Eaton Internet pages and Eaton order confirmations. Eaton is a registered trademark.
All other trademarks are property of their respective owners. Follow us on social media to get the latest product and support information.


















