EATON XTCE600DCM22A XT IEC Contactor

Electric current! Danger to life!
Only skilled or instructed persons may carry out the following operations.
Exchange

Expansion

Control

Terminations

- Terminal bars
- Terminal screws
- Tightening torque
Mounting position

Screw fixing

WARNING
Use cover for oversized cable lugs!
Retain screw when fixing!
Pick-up

Retaining


DANGER
In the case of failure, an non-extinguishing electric arc may occur. Take appropriate preliminaries against the impact of a non-self-quenching electric arc.
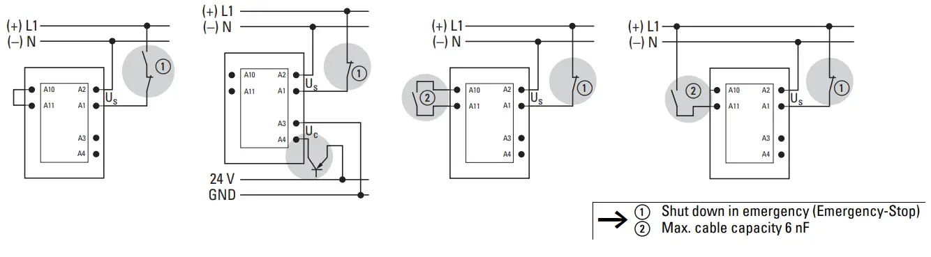
CIRCUIT DIAGRAM




EU: Eaton Industries GmbH, Hein-Moeller-Straße 7-11, 53115 Bonn, Germany
UK: Eaton Electric Ltd., P.O. Box 554, Abbey Park, Southampton Road, Titchfield, PO14 4QA, United Kingdom



















