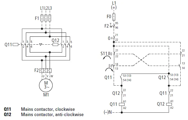
EATON DIULM7 Reversing Contactor
Electric current! Danger to life!
Only skilled or instructed persons may carry out the following operations.
DIULM7
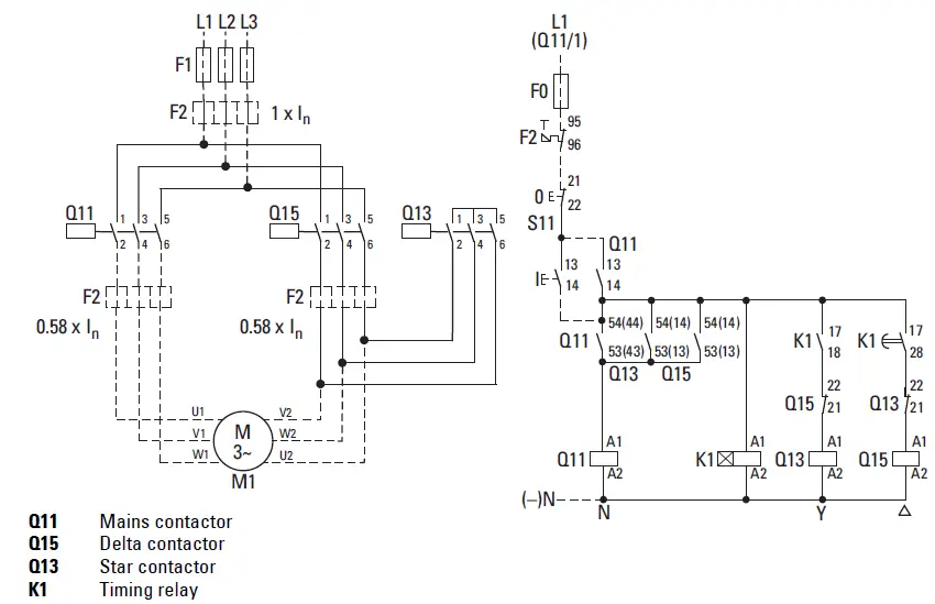
DIULM32 (DIULM40 DIULM150)
XTCR007B
XTCR032B (XTCR040DXTCR150G) 
SDAINLM12-SDAINLM55
(SDAINLM70-SDAINLM260)
XTSD012B10…-XTSD055C10…
(XTSD070D11…-XTSD260G11…) 
© 2004 Eaton Industries GmbH
EU: Eaton Industries GmbH, Hein-Moeller-Straße 7-11,
53115 Bonn, Germany Eaton.com/contacts Eaton.com/aftersales Eaton.com/documentation USA: Eaton.com/eatoncare
08/21 IL03407030Z
UK: Eaton Electric Ltd., P.O. Box 554, Abbey Park,
Southampton Road, Titchfield, PO14 4QA, United Kingdom Eaton.com/recycling



















