
INSTALLATION CONTACTOR
Installation instructions

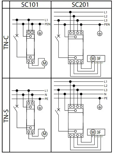
SC101 Modular Contactor
Waste electrical products should not be disposed with household waste. Please recycle where facilities exist. Check with Your Local Authorityor retailer for recycling advice.

- Rated voltage.
- Coil voltage.
- Rated current AC-7a.
- Rated current AC-7b.
- Rated insulation voltage.
- Rated surge voltage.
- International Protection Rating.
- Contamination degree.
- Electric endurance.
- Caution, risk of electric shock.
- For internal use.
- Terminal capacity.
- Control terminal capacity.
- Working temperature.

USER MANUAL
INSTALLATION CONTACTOR
SC101 / SC201
Security
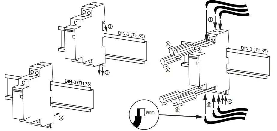
Before mounting, read the instructions and disconnect the power supply.
Installation should be performed by a qualified user authorized to mount electrical devices depending on the applicable regulations in a given country, in accordance with the mounting diagram. Modifications to the product may cause threat and loss of warranty.
Maintenance
All maintenance work should be carried out after disconnecting the power supply. The product temperature may rise to an elevated value. Before commencing maintenance, make sure that the product temperature is safe to make it. Guarantee unrestricted air supply, do not cover the product. Use dry and delicate materials for cleaning. Do not use chemical agents. Product not adapted to work in an environment with unfavorable conditions, i.e. high dustiness / humidity, water, explosive zones, vibrations, chemical fumes.
Recommendations
Failure to follow the instructions in the manual may result in a fire, electric shock, burns or other damage. Bemko sp. O.o. is not responsible for failure to comply with the above recommendations. We also reserve the right to make changes to the manual – the current version is available at www.bemko.eu.

ul. Bocznicowa 13
05-850 Jawczyce
www.schelinger.eu

















