EATON DILM95-XSL Power Contactor Instruction Manual
Electric current! Danger to life
Only skilled or instructed persons may carry out the following operations.
PRODUCT DESTRUCTION
DILM95-XSL, XTCEXSDLF
DILM150-XSL, XTCEXSDLG
DILM95-XSS, XTCEXSDBFD 
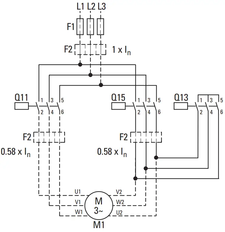
- Q11 Mains contactor
- Q15 Delta contactor
- Q13 Star contactor
DILM95-XSL, XTCEXSDLF

| Q11 | Q15 | Q13 |
| DILM80 | DILM80 | DILM50 |
| DILM95 | DILM95 | DILM65 |
| XTCE080F… | XTCE080F… | XTCE050D… |
| XTCE095F… | XTCE095F… | XTCE065D… |

DILM150-XSL, XTCEXSDLG

| Q11 | Q15 | Q13 |
| DILM115 | DILM115 | DILM80 |
| DILM150 | DILM150 | DILM115 |
| XTCE115G… | XTCE115G… | XTCE080F… |
| XTCE150G… | XTCE150G… | XTCE115G… |

Terminations
| DILM50, DILM65 XTCE050D…, XTCE065D… | DILM80, DILM95, DILM115, DILM150 XTCE080F…, XTCE095F…, XTCE115G…, XTCE150G… | |
| Tightening torque | 3.3 Nm (29.21 lb-in) | 14 Nm (123.91 lb-in) |
EU: Eaton Industries GmbH, Hein-Moeller-Straße 7-11, 53115 Bonn, Germany 09/21 IL03407045Z
UK: Eaton Electric Ltd., P.O. Box 554, Abbey Park, Southampton Road, Titchfield, PO14 4QA, United Kingdom
USA:
Eaton.com/eatoncare
+1 877-386-2273
Eaton.com/contacts
Eaton.com/aftersales
Eaton.com/documentation

09/21 IL03407045Z
Eation.com/recycling
© 2005 Eaton Industries GmbH


















