Schneider Electric LC1G115-800 Giga Series Contactor

Product Information
TeSysTM Control – Giga Series
The TeSysTM Control – Giga Series is an electrical control product designed for use in power line circuits. It includes various models such as LC1G115-800, LC1GppppppA, LC1Gppp4pppA, LC1G225 Control, LC1GppppppN, LC1Gppp4pppN, LC1GpppEHES207N,LC1Gppp4EHES207N, LC1G225 Control, LC1G500 Control, and LC1G800 Control. The product is designed to comply with local and national regulatory requirements for electrical equipment.
Product Usage Instructions
Before installing, operating or maintaining the TeSysTM Control – Giga Series product, it is important to read the user manual and installation guide thoroughly. Failure to follow the safety instructions provided may result in electric shock, explosion or arc flash, which can cause serious injury or death. It is important to apply appropriate personal protective equipment (PPE) and follow safe electrical procedures (PSA) when working with this product. Users should consult with the relevant regulatory requirements such as NFPA 70E, CSA Z462, NOM-029-STPS or local equivalent before handling this product. Users should also turn off all power supplying the equipment before working on or in the equipment. Only the specified voltage should be used when operating the equipment and any associated products. Power line circuits must be wired and protected in compliance with local and national regulatory requirements. It is important to inspect the work area carefully to ensure that no tools or objects have been left inside the equipment. Any maintenance or servicing of this equipment should only be carried out by qualified electrical personnel. Users should also note that the product is designed for use in environment B and may cause unwanted electromagnetic disturbances. In such cases, adequate mitigation measures as defined in IEC 61000-2-3 should be taken.
Finally, it is important to note that this product can expose users to chemicals such as Styrene and Bisphenol A, which are known to the State of California to cause cancer and birth defects or other reproductive harm. For more information, users should visit www.P65Warnings.ca.gov.
DANGER
- HAZARD OF ELECTRIC SHOCK, EXPLOSION OR ARC FLASH
- Read and understand this document and the installation guide before installing, operating, or maintaining your TeSys Giga product.
- Apply appropriate personal protective equipment (PPE) and follow safe electrical work practices. See NFPA 70E, CSA Z462, NOM-029-STPS or local equivalent.
- This equipment must only be installed and serviced by qualified electrical personnel.
- Turn off all power supplying this equipment before working on or in this equipment.
- Use only the specified voltage when operating this equipment and any associated products.
- Power line circuits must be wired and protected in compliance with local and national regulatory requirements.
- Beware of potential hazards, and carefully inspect the work area for tools and objects that may have been left inside the equipment.
- Failure to follow these instructions will result in death or serious injury.
WARNING: This product can expose you to chemicals including Styrene, which is known to the State of California to cause cancer and to Bisphenol A, which is known to the State of California to cause birth defects or other reproductive harm. For more information go to www.P65Warnings.ca.gov.
PLEASE NOTE
- This product is designed for use in environment A, as defined in IEC 61000-2-3.
- Use of this product in environment B may cause unwanted electromagnetic disturbances in which case you may be required to take adequate mitigation measures.
- Electrical equipment should be installed, operated, serviced, and maintained only by qualified personnel.
- No responsibility is assumed by Schneider Electric for any consequences arising out of the use of this material.
DANGER
- HAZARD OF ELECTRIC SHOCK, EXPLOSION, OR ARC FLASH
- Install the contactor so that the minimum clearance to ground metal is maintained.
- Failure to follow these instructions will result in death or serious injury.
WARNING
UNINTENDED EQUIPMENT OPERATION
- Do not change the PLC switch position under voltage.
- Failure to follow these instructions can result in death, serious injury, or equipment damage.
WARNING
- HAZARD OF FLASHOVER BETWEEN PHASES
- Phase separators must be installed if the network voltage is greater than or equal to 690 V~.
- Failure to follow these instructions can result in death, serious injury, or equipment damage.
WARNING
- RISK OF FIRE OR ELECTRIC SHOCK (FOR CONTACTOR WITH UL HI-FAULT SHORT CIRCUIT CURRENT RATINGS ONLY)
- The opening of the branch-circuit protective device may be an indication that a fault current has been interrupted.
- To reduce the risk of fire or electric shock, current-carrying parts and the other components of the controller should be examined and replaced if damaged.
- Failure to follow these instructions can result in death, serious injury, or equipment damage.
Documentation
- DOCA0189EN – TeSys Giga Series – Installation Guide
Description

- A: Power connections
- B: A1-A2 coil terminal
- C: Diagnosis LED
- D: 1NO+1NC auxiliary contacts
- E: Marking flap cover
- F: QR code
- G: Clip-on marker holder
- H: Pole status indicator
- I: PLC terminal
- J: PLC switch
- K: Remote wear diagnosis module plug
- L: Diagnosis reset switch
Mounting on Plate

LC1G115-225

LC1G265-500

LC1G630-800

Power Connections

Control Connections

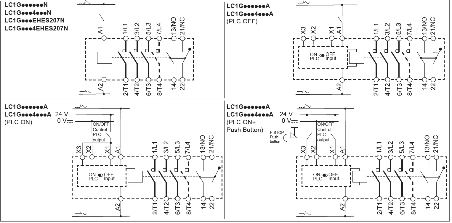
Wiring

Wiring Diagrams

Schneider Electric Industries SAS
- 35, rue Joseph Monier
- CS 30323
- F – 92506 Rueil Malmaison Cedex www.se.com.
Schneider Electric Limited
- Stafford Park 5
- Telford, TF3 3BL
- United Kingdomwww.se.com/uk.




















