Schneider Electric LC1F1250MD Contactor eSys F 3P(3NO) AC-1

PLEASE NOTE
- Electrical equipment should be installed, operated, serviced, and maintained only by qualified personnel.
- No responsibility is assumed by Schneider Electric for any consequences arising out of the use of this material.
DANGER
HAZARD OF ELECTRIC SHOCK, EXPLOSION, OR ARC FLASH
Disconnect all power before servicing equipment. Failure to follow these instructions will result in death or serious injury.
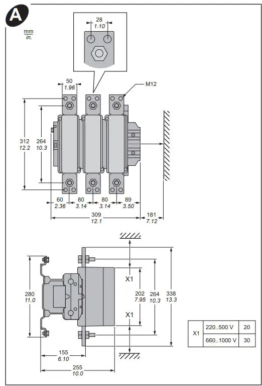
INSTALLATION




LA1 DX/DY/DZ
Sealed contacts for harsh environments.


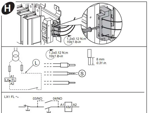
Note: Built-in 03/NO and 04/NO contact to be used only for coil self-holding application.


The following products meet the Energy Efficiency requirements.
The power consumption and the Energy Efficiency grades are:
| Product Type | LC1F1250 |
| Maximum power consumption lower than Consommation maximum |
91.2 |
| Energy efficiency grade Classe |
2 |
|
Part Name | Toxic or hazardous Substances and Elements | |||||
| (Pb) | (Hg) | (Cd) | (Cr6+ ) | (PBB) | (PBDE) | |
| Metal Parts | X | O | O | O | O | O |
| Indicates that this toxic or hazardous substance contained in all of the homogeneous materials for this part is below the limit requirement in SJ/T11363-2006. | ||||||
| Indicates that this toxic or hazardous substance contained in at least one of the homogeneous materials used for this part is above the limit requirement in SJ/T11363-2006 | ||||||
| Note: The products on sale may or may not contain all the parts/components listed here. | ||||||


DANGER
HAZARD OF ELECTRIC SHOCK, EXPLOSION, OR ARC FLASH
Disconnect all power before servicing equipment. Failure to follow these instructions will result in death or serious injury.
Contact wear indicator
The blackening of the contacts and the arc boxes is a natural consequence that occurs during normal operation and does not affect the functioning of the product.
NOTE
The product’s manufacture date is coded PPYYWWD, where:
- PP: plant code
- YY: year of manufacture
- WW: week of manufacture
- (D: weekday of manufacture (Monday = 1))
Schneider Electric Industries SAS
35, rue Joseph Monier CS30323
F – 92506 Rueil Malmaison Cedex
www.se.com
Schneider Electric Limited
Stafford Park 5
Telford, TF3 3BL
United Kingdom
www.se.com/uk
© 2022 Schneider Electric – All rights reserved.



















