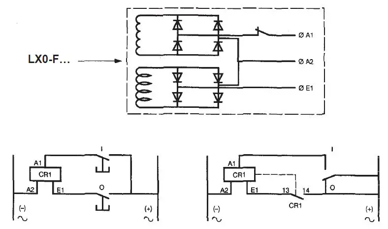
Schneider Electric CR1-F150 Contactors

- “For motor starting use Schneider Electric TeSys Protect – Deca overload relays”
DANGER
HAZARD OF ELECTRIC SHOCK, EXPLOSION OR ARC FLASH
Turn off all power supplying this equipment before working on or in this equipment.
Failure to follow these instructions will result in death or serious injury.
WARNING
UNINTENDED EQUIPMENT OPERATION
The contactor is delivered in closed position (ON).
Before installing the contactor, make sure that the contactor is unlatched (OFF).
Failure to follow these instructions can result in death, serious injury, or equipment damage.














Contact wear indicator

- The blackening of the contacts and the arc-boxes is a natural consequence which occurs during normal operation, and does not affect the functioning of the product.
manufacturing details
The product’s manufacture date is coded PPYYWWD, where:
PP: plant code
YY: year of manufacture
WW: week of
manufacture
(D: weekday of manufacture (Monday = 1)
Schneider Electric Limited
Stafford Park 5
Telford, TF3 3BL
United Kingdom
www.se.com/uk
www.se.com


















