XV-102 HMI Touch Panel
Instruction Manual
Electric current! Danger to life!
Only skilled or instructed persons may carry out the following operations.


Documentation must be consulted.
Eaton.com/documentation
MN04802006Z…
MN04802013Z…
MN05010007Z…
MN05010009Z…
Eaton.com/xv
ACCESSORIES-RES-TOUCH-PEN-10
Part no. 139808
10 x
Interface

RS-232, RS-485, CAN, Profibus

| Pin | RS-232 | RS-485 | CAN | Profibus |
| 1 D | 1 DCD | – | – | – |
| 2 R | 2 RxD | – | CAN-L | – |
| 3 T | 3 TxD | B | CAN-GND | B |
| 4 | DTR | – | – | RTSAS |
| 5 | GND | Ground | – | M5EXT |
| 6 D | 6 DSR | – | GND | P5EXT |
| 7 R | 7 RTS | A | CAN-H | – |
| 8 C | 8 CTS | – | – | A |
| 9 R | 9 RI | – | – | – |
SmartWire-DT

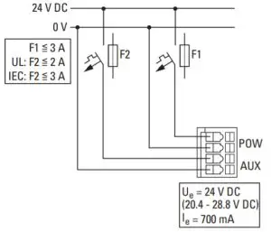
| 1. +24 V DC POW | 6. SWD-LED |
| 2. 0 V DC POW | 7. Config-LED |
| 3. +24 V DC AUX | 8. SWD |
| 4. 0 V DC AUX | 9.Configuration button |
| 5. POW-LED |
Standard connection
GND
→ Connect the GND terminals on all the bus modules.
ETHERNET
Network adjustments, IP address 192.168.1.1.
Support
Region North America
Eaton Corporation
Electrical Sector
1111 Superior Ave.
Cleveland, OH 44114
United States
877-ETN-CARE (877-386-2273)
Eaton.com
Other regions
Contact your local supplier or ✉

RT
| CANopen | Profibus |
| 120 Ω | 120 Ω |
| ISO 11898 | Profibus Specification |
Dimensions

[mm (in)]
| a1 | a2 | b1 | b2 | |
| 3,5‘‘ | 136 (5.35) | 121 (4.73) | 100 (3.94) | 85 (3.35) |
| 5,7‘‘ | 170 (6.69) | 155.6 (6.13) | 130 (5.12) | 115.6 (4.55) |
| 7.0‘‘ | 210 (8.27) | 195.6 (7.7) | 135 (5.31) | 120.6 (4.75) |
| c1 | c2 | |
| 3,5‘‘ | 30 (1.18) | 25 (0.98) |
| 5,7‘‘ | 39 (1.54) | 34 (1.34) |
| 7.0‘‘ | 38 (1.5) | 33 (1.3) |
Mounting position


[mm (in)]
| XV-152-… | 3.5‘‘ | 5.7‘‘ | 7.0‘‘ |
| e | 123 ±1 (4.84 ±0.04) | 157 ±1 (6.18 ±0.04) | 197 ±1 (7.76 ±0.04) |
| f | 87 ±1 (3.43 ±0.04) | 117 ±1 (4.61 ±0.04) | 122 ±1 (4.80 ±0.04) |
| ≦ 0.5 (0.02) | |||
![]() | Rz ≦ 120 IP65: → DIN ISO 2768-2 (K) | ||
Mounting

Power supply

| XV-152-… | 3,5‘‘ | 5,7‘‘ | 7.0‘‘ |
| Ie [A] | ≦ 0.2 | ≦ 0.4 | ≦ 0.4 |
![]() | 0.75 – 2.5 mm² |
| AWG18-AWG12 | |
| use 60°C/75°C copper only | |

SmartWire-DT
XV-152-E…-…
POW/AUX SmartWire-DT (SELV)

≧ 8 mm (≧ 0.31”)![]() | 0.25 – 1.5 mm² |
| 0.2 – 1.5 mm² | |
| AWG 24 – 16 |
SWD-OUT
POW OFF
SWD-Config
POW ON

Eaton.com/documentation
MN05006001Z…
MN05006002Z…
MN120006…
Eaton.com/swd
We, Eaton Industries GmbH, 53105 Bonn, Germany,
Hein-Moeller-Str. 7-11, 53115 Bonn, Germany
declare under our sole responsibility as a manufacturer that the product (family)
HMI-PLC XV-100
according to the list on page 2 and provided that it is installed, maintained, and used in the application intended for, with respect to the relevant manufacturer’s instructions, installation standards, and “good engineering practices”, complies with the statutory requirements:
2016 No. 1091 2012 No. 3032 2016 No. 1107
The Electromagnetic Compatibility Regulations 2016 RoHS in Electrical and Electronic Equipment Regulations 2012 ATEX Regulations 2016
based on compliance with the following standard(s):
EN 60079-31:2014
EN 61000-6-2:2005 + AC:2005
EN 61000-6-3:2007 + A1:2011 + A1lAC:2012
EN 61000-6-4:2007 + A1:2011
EN IEC 60079-0:2018
EN IEC 63000:2018
SSO.I.MIlm
The declaration of conformity applies to the following types within the product family and in combination with products listed below: XV-102 XV-112 XV-152
![]()
i.A. Edgar Willems
Director Quality I
industrial Controls & Protection Division
![]()
i.A. Paolo D’Amico
Head of Product Line Management
Machine Operation & Control
EU: Eaton Industries GmbH, Hein-Moeller-Straße 7-11, 53115 Bonn, Germany
UK: Eaton Electric Ltd., P.O. Box 554, Abbey Park, Southampton Road, Titchfield, PO14 4QA, United Kingdom
USA:
Eaton.com/eatoncare
+1 877-386-2273
Eaton.com/contacts
Eaton.com/aftersales
Eaton.com/documentation
© 2014 Eaton Industries GmbH
07/21 IL04802006Z
Eaton.com/recycling






















