SIEMENS ZN-31U Dual Contact Zone Module Instruction Manual
Operation
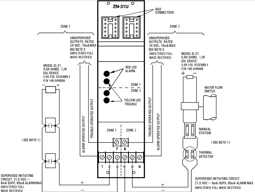
The Model ZN-31U Dual Contact Zone module from Siemens Industry, Inc., is designed to provide two detector line circuits incorporating contact type devices and a similar output for zone trouble. The contact type devices may be manual stations, waterflow switches, thermal detectors, relay contacts, etc.
Upon operation of any shorting type device installed in the detection circuit, the system will lock into alarm condition, initiating the start of the sequential functions designed into the system, such as ringing alarm bells, operating coded alarm transmitters, closing doors, shutting down fans and equipment, recalling elevators, etc. In addition to the system alarm, the red LED alarm lamp on the face of the module for the particular zone under alarm will be illuminated. The module also provides a current-limited output signal for the zone under alarm for activating a supplementary alarm relay module or annunciator module. The zone alarm indicating circuits and signaling lamps are reset from the system control panel.
The yellow LED trouble lamps (one for each circuit) will illuminate should a break occur in the detector lines. Such a condition will initiate a system Trouble signal. The yellow LED Trouble Indicators will be extinguished upon restoration of circult integrity or upon receipt of any system alarm.
Note: In the event of an AC power failure and standby battery operation, the LED Trouble Indicator is not operative. Both red and yellow LEDs can be lamp tested from the system control panel.
Installation
- Mount the module to the horizontal mounting brackets in the control enclosure.
- Install the Model JA-5 (5 in long) bus connector cable assembly between receptacle P2 of the module and receptacle P1 of the module or control panel immediately preceding it in the bus.
Note: If the preceding module is on another row in the enclosure, a JA-24 (24 in long) bus connector cable assembly will be required. - Modules are to be bus-connected from right to left. For two-row enclosures, the modules in the lower row are to be connected from left to right. Succeeding rows are to be alternately connected, right to left, left to right, etc.
- If a module is the last module in the system, install either a JS-30 (30 in long) or JS-64 (64 in long) bus connector assembly from the unused receptacle of the last module to terminal 41 of the CP-35 control panel. This completes the module supervision circuit.
- Wire the circuit(s) as described in the CP-35 Control Panel Instruction Manual, (P/N 315-085063), Installation and Wiring. Refer to the Wiring illustration.
Note: If a zone is not used, the EOL device should be connected to the alarm initiating circuit terminals 2 and 3 (Zone 1) or 4 and 5 (Zone 2) of the module. - If a supplementary relay module, annunciator, or other output module is used, then the alarm outputs, terminals 1 (Zone 1) and 6 (Zone 2), should be connected to these units.
Wiring Test
Refer to the CP-35 Control Panel Instruction Manual, Installation and Wiring
Troubleshooting
Refer to Troubleshooting the System, in the Instruction Manual for the Control Panel (P/N 315-085063).
- An open or high line resistance will cause trouble.
- Check open lines for 5.6K ohms end of line device (EL-31), approximately 6mA supervisory current.
Electrical Information
Supervisory: 15mA
Alarm: 110mA per circuit
TYPICAL WIRING

NOTES:
- The ZN-31U is suitable for direct shorting devices, such as thermal detectors and manual stations, only.
- The maximum loop resistance of each zone is 100 ohms.
- Connect the unsupervised outputs to annunciators or relay modules.
- Minimum wire size: 18 AWG Maximum wire size: 12 AWG
- Positive and negative ground fault impedance threshold ≤ 40K ohms.
- Terminals 1 – 6 are power limited.
Siemens Industry, Inc.
Building Technologies Division
Florham Park, NJ
Siemens Building Technologies, Ltd.
Fire Safety & Security Products
2 Kenview Boulevard
Brampton, Ontario
L6T 5E4 Canada



















