EATON T3-2-2092CH ELECTRIC SUVA safety switches

Electric current! Danger to life!
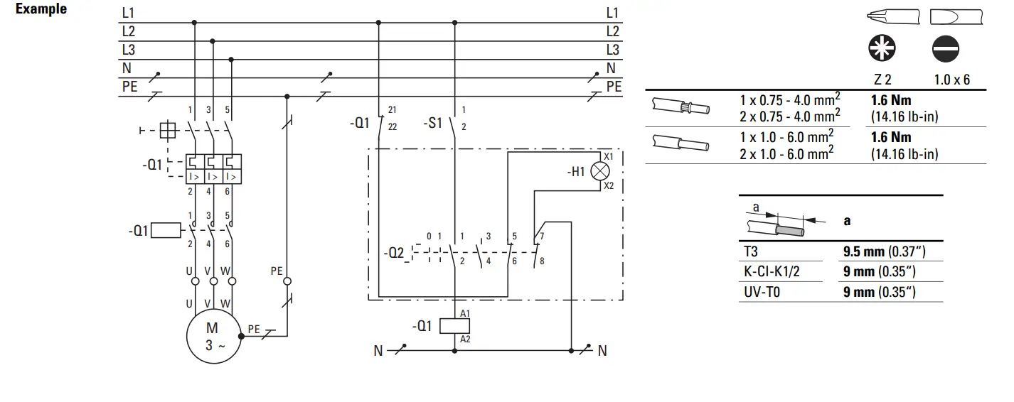
Only skilled or instructed persons may carry out the following operations.
INSTALLATION



EU: Eaton Industries GmbH, Hein-Moeller-Straße 7-11, 53115 Bonn, Germany 07/21 IL008005ZU
UK: Eaton Electrical Products Ltd, Melton Road, Burton-on-the-Wolds, Leicestershire, LE12 5TH, United Kingdom




















