IDEC HS5D Series Safety Interlock Switch

Confirm that the delivered product is what you have ordered. Read his instruction sheet to make sure of correct operation.
* In order to verify if the product you are interested in is certified with the S mark, please check the following section on our website: “List of type numbers certified with the S mark”
![]()
Warning notices are used to emphasize that improper operation may cause severe personal injury or death.
![]()
Caution notices are used where inattention might cause personal injury or damage to equipment.
Type

Specifications and Ratings
| Applicable Standards | EN ISO / ISO14119 IEC60947-5-1, EN60947-5-1, GS-ET-15 UL508, CSA C22.2 No.14, GB14048.5 | ||||||
| Standards for Use | IEC60204-1, EN60204-1 | ||||||
| Interlocking device Type / the level of coded | Type 2 Interlocking device / low level coded actuator (EN ISO / ISO14119) | ||||||
| Applicable Directives | Low Voltage Directive, Machinery Directive | ||||||
| Operating Condition | Operating Temperature | -30 to +70°C (no freezing) | |||||
| Operating Humidity | 45 to 85%RH (no condensation) | ||||||
| Pullution Degree | 3 (Inside 2) | ||||||
| Al itude | 2000m maximum | ||||||
| Impulse with voltage ‹Uimp› | 4kV | ||||||
| Rated Insula ion voltage ‹Ui› | 300V | ||||||
| Thermal Current ‹Ith› | 10A | ||||||
| Contact Raings ‹Ue,Ie› | 30V | 125V | 250V | ||||
| AC | Resistive load (AC12) | 10A | 10A | 6A | |||
| Inducive load (AC15) | 10A | 5A | 3A | ||||
| DC | Resistive load (DC12) | 8A | 2.2A | 1.1A | |||
| Inducive load (DC13) | 4A | 1.1A | 0.6A | ||||
| Class of Protection | Class II (IEC61140) ![]() | ||||||
| Operating Frequency | 900 operations / hour | ||||||
| Operating Speed | 0.05 to 1.0 m/s | ||||||
| B10d | 2,000,000 (EN ISO 13849-1 Annex C Table C.1) | ||||||
| Mechanical Durability | 1,000,000 operations minimum (GS-ET-15) | ||||||
| Electrical Durability | 100,000 operations min. (AC-12 250V•6A) 1,000,000 operations min. (AC/DC 24V 100mA) (900 operations / hour) | ||||||
| Shock Resistance | Damage Limits: 1000m/s2 | ||||||
| Vibration Resistance | Operating Extremes:10 to 55 Hz, half amplitude 0.5mm Damage Limits: 30 Hz, half amplitude 1.5mm | ||||||
| Direct Opening Travel | 10 mm minimum (HS9Z-A51) | ||||||
| Direct Opening Force | 50 N minimum (HS9Z-A51) | ||||||
| Contact Resistance | 50mΩ maximum (Initial value) | ||||||
| Degree of Protection | IP67 (IEC60529) | ||||||
| Conditional short circuit current | 100A(250V) | ||||||
| Short-Circuit Protective Device | 250V AC, 10A fast acting type fuse | ||||||
Ratings approved by safety agencies
(1) TÜV rating / CCC rating / KOSHA rating
AC-15 250V, 3A
DC-13 30V, 4A
(2) UL, c-UL rating
A300 3A, 250V ac, Pilot Duty
4A, 30V dc
HS5D Head Removal Detection Function (Screw Terminal No.11-12)
| Mechanical durability | 10 operations min. |
| Insulation resistance | 100MΩ(Initial value) |
| Dielectric strength | 1,000V 1minute(Initial value) |
Mounting Examples
- Install the interlock switch on the immovable machine or guard, and install the actuator on the movable door. Do not install both interlock switch and actuator on the movable door, otherwise the angle of insertion of the actuator to the safety switch may become inappropriate, and failure will occur.

(Examples of Mounting on Hinged Doors)
Changing the Mounting Directions of the HS5D Head
- The head of HS5D can be mounted in four directions by removing the four screws on the corners of the HS5D head.

![]()
Mounting Directions of the HS5D Head
- When replacing the HS5D head, make sure that no foreign object enters into the safety switch.
- Tighten the screws tightly, oherwise he safety switch may malfunction.
- Don’t remove the screws of head expect when the mooting directions of head is changed.
- When tightening the screw in the head section with an electric screwdriver or similar tool, temporarily tighten the first part of the screw by hand first, and then tighten with the electric screwdriver.
Mounting the HS5D Head
- Do not use the metal head for the HS5L with lock type. Be sure to use the plastic head or metal head for the HS5D. Be sure to use the correct head

HS5D Head Removal Detection Function
- The the NC contacts of the two main circuits (11-12, 21-22) are operated similarly by the actuator. But, when the HS5D head is removed, the NC contact of the main circuit (11-12) is opened, and other NC contact (21-22) remains closed.

![]()
- When the HS5D head is removed, the NC contact of the main circuit (11-12) is opened, and other NC contact(s) remain closed. Use the NC contact of the main circuit (11-12) for the safety circuit.
- Turn off he power when using this function.
Minimum Radius of Hinged Door
- When using the safety switch for a hinged door, the minimum radius of the applicable door is shown in the following figures.
When the center of the hinged door is on the extension line of the actuator mounting surfade.

When the center of the hinged door is on the extension line of the contact surface of actuator and safety switch.

| Minimum Radius | |||||
| R1 | R2 | R3 | R4 | ||
| HS9Z-A52 | 230 mm | 260 mm | 170 mm | 190 mm | |
| HS9Z-A52A | Mounting centers:12mm | 230 mm | 260 mm | 120 mm | 140 mm |
| Mounting centers:20mm | 310 mm | 170 mm | |||
| HS9Z-A55 | 70 mm (Horizontal Swing) | 70 mm (Vertical Swing) | 50 mm (Horizontal Swing) | 50 mm (Vertical Swing) | |
\
The above example are based on the condi ion that the actuator enters and exits the actuator entry slot smoothly when the door is closed or opened.
Since there may be deviation or dislocation of the hinged door, make sure of correct operation in the actual application before installation.
Adjusting the Angle Adjustable (vertical/horizontal) Actuator (Type HS9Z-A53/A55)
- Using the angle adjustment screw (M3 hexagon socket set screw), the actuator angle can be adjusted up to 20°(refer to dimensions).
- The larger the actuator angle, the smaller the applicable radius of the door swing. After installing the actuator, open the door. Then adjust the actuator angle so that the actuator enters the entry slot of the safety switch properly.
- After adjusting the actuator angle, apply Loctite or the like on the adjustment screw to prevent loosening.
(Type HS9Z-A53)
Tightening torque of angle adjustment screw : 0.8 N•m.
(Type HS9Z-A55)
Use screw locking agent that is compatible with the base material.
Base : PA66 (66 nylon) of glass reinforced grade
Angle adjustment screws : stainless steel
Actuator Mounting Reference Position
As shown below, the mounting reference position of the actuator inserted into the safety switch is:
(Type HS9Z-A53)
The actuator stop film placed on the actuator touches the safety switch lightly.
(Except Type HS9Z-A53)
The actuator and actuator cover touches the actuator stop placed on the safety switch lightly.
(After mounting the actuator, remove the actuator stop from the safety switch.)
Actuator Mounting Tolerance
- Mounting tolerance of the actuator is 1.0mm in the four lateral directions.
- Make sure he actuator can be inserted into the entry slot without any issue.
- When closing the door, the actuator is inserted within a certain distance from the reference position. The contact operation is not affected by the actuator movement.

| (Actuator deviation) + (Door movement) | |
| HS9Z-A51 | ≤ 1.7 mm |
| HS9Z-A52 HS9Z-A51A HS9Z-A52A | ≤ 3.0 mm |
| HS9Z-A55 | ≤ 2.5 mm |
HS9Z-A51A/HS9Z-A52A
- When there is a displacement of safety switch and actuator, the actuator may hit the entry slot of safety switch hardly, thus damaging the entry slot and actuator. The rubber cushions on the HS9Z actuator prevent the actuator from damaging the entry slit by absorbing the shock with movement flexibility. Do not, however, exert excessive shocks, otherwise the failure of safety switch may be caused.
- The rubber cushions may deteriorate depending on the operating environment and conditions. Immediately replace the deformed or cracked rubber cushions with new ones.
Recommended Screw Tightening Torque
| Name or Use | Screw Tightening Torque |
| For moun ing the safety switch (M4 screw) *1 | 1.8 to 2.2 N ・m |
| For moun ing the HS5D lid (M3) | 0.2 to 0.4 N ・m |
| Terminal screw (M3) | 0.6 to 0.8 N ・m |
| Cable gland | 2.7 to 3.3 N ・m |
| For mounting the HS5D head (M3) | 0.9 to 1.1 N ・m |
| For mounting the actuator (HS9Z-A51: M4 screw) *1 (HS9Z-A52: M4 Phillips screw) (HS9Z-A51A/A52A/A55: two M4 screws) *1, 2 | 1.8 to 2.2 N ・m 0.8 to 1.2 N ・m 1.0 to 1.5 N ・m |
![]()
- When the torque is not enough to recommended screw tightening torque, make sure hat the screw do not become loose by using adhesive sealants etc. to keep right operation and mounting positioning.
- In the case of HS9Z-A51A and HS9Z-A52A, using two M4 screws and two attached washers, fasten the actuator securely on the door.

Precautions for Operation
- Do not apply an excessive shock to the safety switch when opening or closing the door. A shock to the safety switch exceeding 1000 m/s2 may cause failure.
- Provide a door guide, and ensure that force is applied on the safety switch only in the actuator insertion direction.
- When opening the safety switch lid to wire, open the lid 1 only.

(See the figure on the right.) Never remove other screws, otherwise the safety switch may be damaged. - Entry of foreign objects in the actuator entry slot may affect the mechanism of the switch and cause a breakdown. If the operating atmosphere is contaminated, use a protective cover to prevent the entry of foreign objects into he switch through the actuator entry slots.
- When wiring or installing a gland, make sure that no foreign objects, dust, and water enter into the safety switch.
- Make sure to install the product in a place where it cannot be damaged. Make sure to conduct a proper risk assessment evaluation before using the product, and use a shield or a cover to protect the product if need be.
- Use only the designaged actuator for the HS5D. Other actuators will cause a breakdown of the switch.
![]()
- Turn off the power to the safety switch before starting installation, removal, wiring, maintenance, and inspection on the safety switch. Failure to turn power off may cause electrical shocks or fire hazard.
- Do not disassemble or modify the switch. Also do not attempt to disable the safety switch function, otherwise a breakdown or an accident will result.
- Use wires of a proper size to meet voltage and current requirements. Tighten the terminal screws to a recommended tightening torque of 1.0N・m. Loose terminal screws will cause unexpected heating and fire hazard during operation.
![]()
- HS5D Series Safety Switches are Type 2 low-level coded interlocking devices (EN
ISO / ISO14119). The following system installation & mounting instructions are EN
ISO / ISO14119 requirements to prevent function failure from the interlock switch.
1. Using permanent fixing methods (e.g. welding, rivets, special screws…etc) to prevent dismantling or de-positioning of the interlock device. However, permanent fixing methods are not an adequate solution if you expect the interlock device to fail during the machinery lifetime, or if you need to replace the product in quick manner. In these situations, other measures (see 2.) should be put in place to reduce the risks of function failure.
2. At least one of the following measures should be applied to prevent function failure.
(1) Mounting the interlock device in a place out of reach from workers
(2) Using shielding protection to prevent physical obstruc ion of the device
(3) Mounting the interlock device in a hidden position
(4) Integrate status monitoring & cycling testing of the device to the control system to prevent product failure. - Do not use the safety switch as a door stop on any type of doors. Install
mechanical door stops on the door ends to protect the safety switch from excessive force. - Mount the actuator so that it will not hit the operator when the door is open, otherwise injury may be caused
- Pay attention to the management of spare actuator. Safety function of door safety switch will be lost in case the spare actuator is inserted into the safety switch.
- Ensure that the actuator is firmly fastened to the door (welding, rivet, special screw) in the appropriate location, so that the actuator cannot be removed easily.
- Do not cut or remodel the actuator, otherwise failure will occur.
- If multiple safety components are wired in series, the Performance Level to EN ISO 13849-1 will be reduced due to the restricted error detection under certain circumstance.
- The entire concept of the control system, in which the safety component is integrated, must be validated to EN ISO 13849-2.
Contact Operation
Contact Configuration and Operation

- Contact operation is based on the condition that the actuator is inserted into the center of the safety switch slot.
- Contact operation shows the HS9Z-A51 actuator.
(For other actuators, add 1.3mm to contact operation.)
Wiring
Terminal wiring method
- Terminal NO.

Wire Length inside the Safety Switch
| Screw Terminal No. | When using crimping terminal | When using without crimping terminal | |
| Wire Length: L1 (mm) | A | 25±2 | 30±2 |
| B | 25±2 | 30±2 | |
| C | 40±2 | 45±2 | |
| D | 40±2 | 45±2 | |
| E | 50±2 | 55±2 | |
| F | 50±2 | 55±2 | |
| Wire Stripping Length:L2(mm) | 7±1 | ||


Recommended Wire Core Size: 0.5 to 1.5 mm2
Applicable Crimping Terminal
| Manufacture | Type | Recommended Wire Core Size |
| JST | N0.5-3 | 0 2 to 0.5mm2 |
- Use an insulation tube on the crimping terminal.
- When using crimping terminals, be sure to install insulation tubes on the crimping terminals to prevent electric shocks.
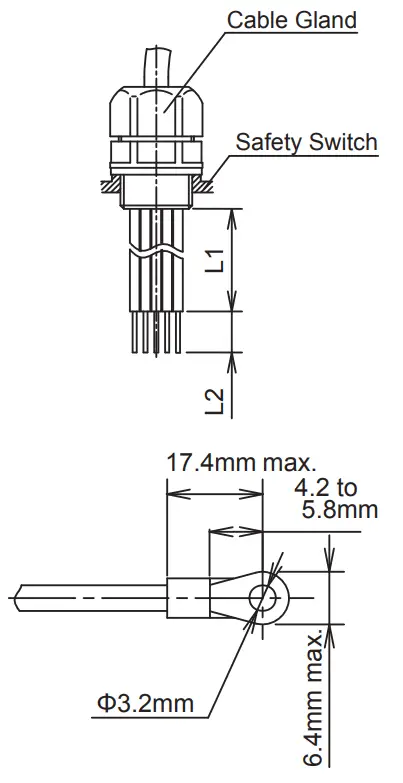
Gland Port Size Identification
Gland port size is identified by the arrow on the back of the HS5D safety switch. The following example shows he identification of the M20 gland port size.

| Mark | Gland port size |
| G | G1/2 |
| PG | PG13.5 |
| M20 | M20 |
Applicable Cable Glands
- Use a cable gland with a degree of protection IP67.
- Applicable cable gland dimensions

- When using flexible conduit and metal cable gland Applicable Flexible Conduit Example: Type VF-03 (made by Nihon Flex)
| Gland port size | Plastic cable gland | Metal cable gland |
| G1/2 |
| RLC-103 (made by Nihon Flex) |
| PG13.5 |
| RBC-103PG13.5 (made by Nihon Flex) |
| M20 |
| RLC-103EC20 (made by Nihon Flex) |
- When using plastic cable gland, metal cable gland and multi-core cable.
Gland port size Plastic cable gland Metal cable gland G1/2 SCS-10□
(made by Seiwa Electric)ALS-16□□
(made by Nihon Flex)PG13.5 ST13.5
(made by K-MECS)ABS-□□PG13.5
(made by Nihon Flex)M20 ST-M20X1.5
(made by K-MECS)ALS-□□EC20
(made by Nihon Flex) - When using a 1/2-14NPT cable gland, use HS5D safety switch with M20 gland port size (Type: HS5D-□□□BM) together with adaptor (Type: MA-M/NPT 20X1.5 5402-0110, made by K-MECS) and gasket (Type: GP M20, made by K-MECS) which are sold separately. Install the gasket between the safety switch and the adaptor. Apply a sealing tape between the cable gland and the adaptor so that the enclosure will conform to IP67.
![]()
Confirm the outside diameter of the multi-core cable because the cable gland type
depends on the outside diameter of the multi-core cable.
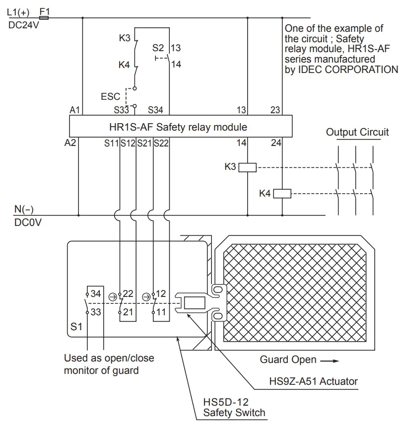
Example of wiring Diagram realizing Safety Category
Example of a circuit diagram for Safety Category 3 (attainable PL = d)
(Condition 1: To apply he fault exclusion of mechanical structural parts including he actuator
→ Make sure to use the product within the product specification range described in this manual and the version of the manual provided with the product.)
(Condition 2: Documentation of he reason for the machine/equipment manufacturer to have applied the fault exclusion based on ISO13849-1, ISO13849-2 or IEC62061.)

S1: HS5D-12 Safety Switch
S2: Starting Switch (HW Series Momentary)
S3: Safety limit Switch
ESC: Outside start condition
K3, 4: Safety Contactor
F1: Outside fuse of safety relay module at power supply line
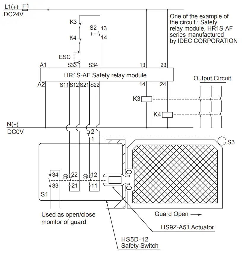
Example of a circuit diagram for Safety Category 4 (attainable PL = e)

Note: Use the monitoring device(Safety relay module) provided the capavility to detect a cross short circuit. The insulation of the cable has to withstand environmental influences. If a control device other than the one shown in the draft is used, the used control device has to be equipped with a cross short circuit monitor.
Dimensions (mm)
Safety Switch dimensions
- HS5D-□□RN□ (Plastic Head)

- HS5D-□□ZRN□ (Metal Head)

Accessories dimensions

Type : HS9Z-A51A Actuator with Rubber Cushions Type : HS9Z-A51A Actuator with Rubber Cushions
- Make sure to use the product with the mounting pitch at either 12 mm or 20 mm.
- Mounting pitch is set to 12 mm in factory. When setting the mounting pitch to 20mm, widen the pitch of rubber cushions to 20mm.
- The actuator has movement flexibility to the directions shown in
B.
Type : HS9Z-A52A Actuator with Rubber Cushions
- Make sure to use the product with the mounting pitch at either 12 mm or 20 mm.
- When the mounting pitch is 12 mm (factory setting), the actuator has movement flexibility to the directions shown in
AandB. - When the mounting pitch is 20 mm, the actuator has movement flexibility to the directions shown in
B. Side the rubber cushions together with the screws.
Type : HS9Z-A55 Angle Adjustable (vertical / horizontal) Actuator
(horizontal adjustment)

(vertical adjustment) <<factory default>>

- The actuator stop is used when adjusting the actuator position. Remove after the actuator position is determined.
- The direction of adjustable angle can be changed (vertical or horizontal) by changing the insertion direction of the joint (white plastic part). Do not lose the joints. Actuators do not operate normally without a joint.

Precaution for Disposal
Dispose of the HS5D safety switch as an industrial waste.
Manufacturer: IDEC CORP.
2-6-64 Nishimiyahara Yodogawa-ku, Osaka 532-0004, Japan
EU Authorized Representative:IDEC Elektrotechnik GmbH
Heselstuecken 8, D-22453 Hamburg, Germany
DECLARATION OF CONFORMITY
We, IDEC CORPORATION 2-6-64, Nishimiyahara Yodogawa-ku,Osaka 532-0004, Japan declare under our sole responsibility that the product:
Description: Safety Switch
Model No: HS5D
to which this declaration relates is in conformity with the EC Directive on the following standard(s) or other normative document(s). In case of alteration of the product, not agreed upon by us, this declaration will lose its validity.
Applicable EC Directive: Low Voltage Directive (2014/35/EU) Machinery Directive (2006/42/EC)
Applicable Standard(s): EN 60947-5-1,GS-ET-15



































