Telemecanique Sensors XCSE5513 Solenoid Locking Interlock Switch

Safety interlock switch


These devices have been designed to be in compliance with the standards currently in effect: EN/IEC 60947-5-1, EN/ISO 13849-1, EN/IEC 62061, EN/IEC 60947-1, EN/ISO 14119, EN/IEC 60204. These devices can achieve up to category 4 PL=e or SIL 3 (if combined with an appropriate Control Safety Unit PL=e / SIL 3).
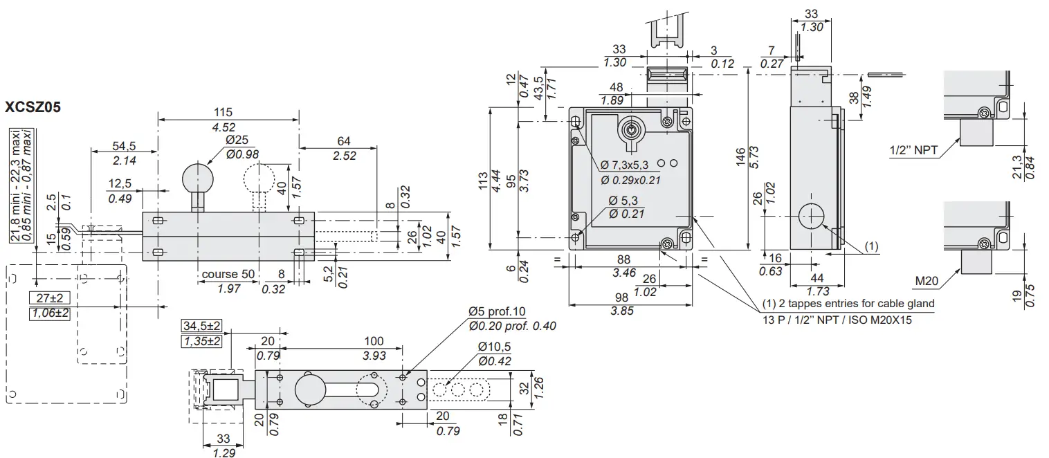
Dimensions
- XCSE•••1 (13P/Pg13)
- XCSE•••2 (M20)
- XCSE•••3 (1/2’’ NPT)
- XCSE•••1 (M20 with DE9RA13520 adaptor)
- XCSE•••2 (1/2’’ NPT with DE9RA2012 adaptor)

- M20 entry with DE9-RA13520 adaptor and 1/2’’ NPT entry with DE9-RA2012 adaptor : in case of connection by a metal conduit, a flexible metal conduit shall be used. Max. conduit torque : 17 N.m / 150 Lb.in

- Shim provided with XCSZ01 enabling an XCKJ with a ZCKY07 key to be replaced by an XCSE with an XCSZ01 key without redrilling any attaching holes.
- Shim provided with XCSZ01 enabling an XCKJ with a ZCKY07 key to be replaced by an XCSE with an XCSZ01 key without redrilling any attaching holes.
Tongued key actuation radii

Head orientation

Tightening torque, tightening capacity
- 1/2’’ NPT : in case of connection by a metal conduit, a flexible metal conduit shall be used. Max. conduit torque : 9 N.m / 80 Lb.in

Adjustment of tongued keys
- The safety interlock switch must not be used as a mechanical stop or as a centring tool for the moving guard.
- An additional limit stop on the fixed part must be anticipated.
- After adjustment, make it impossible to dismantle the support key.
- Only keys XCSZ 01/02/03/05 must be used.

Contacts state
- Transient state
- Contact open (0)
- Contact closed (1)

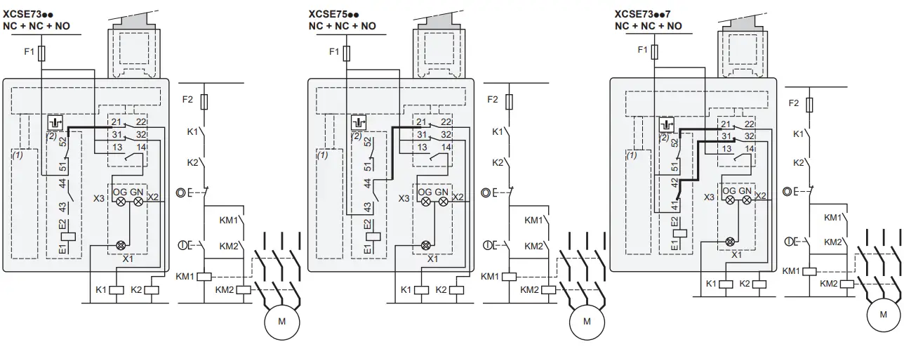
Wiring diagram

- Contacts represented with the actuating key inserted and solenoïd not energized.
- Solenoïd
- Solenoid contacts
- Safety pre-wiring mandatory

DANGER
HAZARD OF ELECTRIC SHOCK, BURN OR EXPLOSION Turn off all power before working on this equipment. Failure to follow these instructions will result in death or serious injury.
INCORRECT INSTALLATION
- All spare actuating keys must be stored in a safe place and only used or installed by authorized persons.
- Do not use a master key, modified or dummy actuating key.
- Actuating keys must be permanently mounted by soldering, riveting or One-way screws.
Failure to follow these instructions can result in equipment damage.
- Operation example of a safety switch XCSE: Locking when the solenoid is unpowered (Locking on de-energisation models) or locking when the solenoid is powered (Locking on energisation models).




Characteristics
| Product certifications | UL, CSA, CCC, EAC |
| Ambient air temperature | Operation : -25…+40 C° / -13…104 F° – Storage : -40…+70 C° / -40…158 F° |
| Vibration resistance | 5 gn (10-500 Hz) conforming to EN/IEC 60068-2-6 |
| Shock resistance | 10 gn (11 ms) conforming to EN/IEC 60068-2-27 |
| Number of operations | > 106 |
| Reliability data B10d | 5.500.000 (data value for a service life of 20 years can be limited by contact and mechanical wear) |
| Rated electric characteristics of use | a AC-15, B300 : Ue = 240 V, Ie = 1,5 A or Ue = 120 V, Ie = 3 A, c DC-13, Q300: Ue = 250 V, Ie = 0,27 A or Ue = 125 V, Ie = 0,55 A conforming to IEC 60 947-5-1, EN 60 947-5-1 |
| Electric shock protection | Class I conforming to EN/IEC 61140 |
| Actuation speed | mini = 0,01 m/s (0.39 in/s) – maxi = 0,5 m/s (19.68 in/s) |
| Short-circuit protection | 10 A gG (gl) cartridge fuse (use type CC in the United States) |
| Cable connection | Screw clamps terminals – Clamping capacity : min : 1 x 0.5 mm² / 1 # 20 AWG, max : 2 x 1.5 mm² / 2 # 16 AWG. |
| Resistance to forcible withdrawal of actuator | F1max = 2600N / 584.5 lbf, fZh = 2000N / 449.6 lbf |
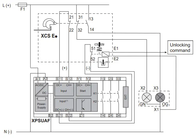
- Wiring example : XCSE with 2 LED module associated with the XPSUAF
- Contacts represented with actuating key inserted and solenoïd not energized.
- XPSUAF for monitoring category-3 PL=d
- Key inserted and locked : GN LED on / Key not inserted : OG LED on

- GN: OG:
- Green LED Orange LED
- 2°) XPSUAF for monitoring category-4 PL=e (Assuming that the failure of the single mechanical point can be excluded)
- Key inserted and locked : GN LED on / Key not inserted : OG LED on
- Eliminate the XCSE prewiring across terminals 21-22 and 51-52

Maintenance
It is imperative to check the following points regularly
- the mechanical adjustment of product XCSE with the XCSZ 01/02/03/05 tongued key
- wear: the devices should not be used beyond the characteristics stated in catalogs
- make sure of the good electric switching
- it is forbidden to modify the devices.
Any and all liability shall be excluded in case of noncompliance with the requirements of this notice.
Servicing precautions
































