Telemecanique Sensors XCSC503 Safety Door Switches Instructions
Safety interlock switch

These devices have been designed to be in compliance with the standards currently in effect: EN/IEC 60947-5-1, EN/ISO 13849-1, EN/IEC 62061, EN/IEC 60947-1, EN/ISO 14119, EN/IEC 60204. These devices can achieve up to category 4 PL=e or SIL 3 (if combined with an appropriate Control Safety Unit PL=e / SIL 3).
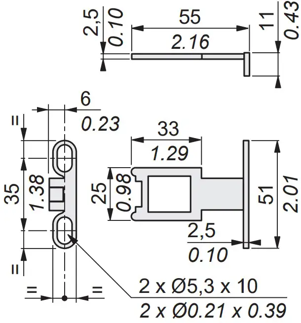
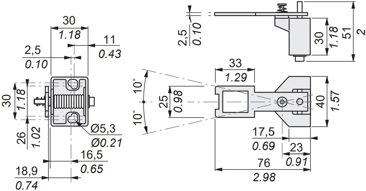
Dimensions
1/2’’ NPT : in case of connection by a metal conduit, a flexible metal conduit shall be used.
Max. conduit torque : 9 N.m / 80 Lb.in





Shim provided with XCSZ01 enabling an XCK-J with a ZCKY07 key to be replaced by an XCS-A/B/C with an XCSZ01 key without redrilling any attaching holes.

Electrical equipment should be installed, operated, serviced, and maintained only by qualified personnel. No responsibility is assumed by Schneider Electric for any consequences arising out of the use of this material.
Tongued key actuation radi


Head orientation

Tightening torque

Adjustment of tongued keys
The safety interlock switch must not be used as a mechanical stop or as a centring tool for the moving guard. An additional limit stop on the fixed part must be anticipated. After adjustment, make it impossible to dismantle the support key. Only keys XCSZ 01/02/03/05 must be used.

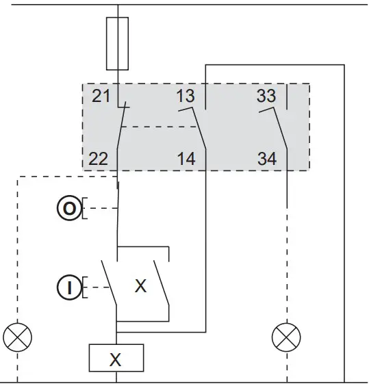
Contact status
- Contact closed (1)
- Contact open (0)
- Transient state

Position of keylock on XCS-B/C


Wiring diagram
For mechanical/electrical redundancy, add another switch with positive opening contacts.
Cat. 1 – PL=c (EN/ISO 13849-1)
XCSA5••
XCSB5••
XCSC5••
NC + NO + NO
Check that starting cannot be carried out when the protector is opened.

Cat. 3* – PL=d (EN/ISO 13849-1)
XCSA7••
XCSB7••
XCSC7••
NO + NC + NC

Maintenance
It is imperative to check the following points regularly
- the mechanical adjustment of product XCS/A/B/C with the XCSZ01/02/03/05 tongued key
- wear: the devices should not be used beyond the characteristics stated in catalogues
- make sure of t he good electric switching
- it is forbidden to modify the devices.
Any and all liability shall be excluded in case of non compliance with the requirements of this notice
DANGER
HAZARD OF ELECTRIC SHOCK, BURN OR EXPLOSION
Turn off all power before working on this equipment. Failure to follow these instructions will result in death or serious injury.
CAUTION
INCORRECT INSTALLATION
- All spare tongued keys must be stored in a safe place and only used or installed by authorized persons.
- Use of a master key, modified or dummy tongued key may give rise to dangerous situations.
- Tongued keys must be fixed by soldering, riveting or unretractable screws.
Failure to follow these instructions can result in equipment damage.
Characteristics
| Product certifications | UL, CSA, CCC, EAC |
| Ambient air temperature | Operation : -25…+70 C° / -13…158 F°………..Storage : -40…+70 C° / -40…158 F° |
| Vibration resistance | 5 gn (10-500 Hz) conforming to EN/IEC 60068-2-6 |
| Shock resistance | 10 gn (11 ms) conforming to EN/IEC 60068-2-27 |
| Number of operations | XCSA: 106 – XCSB/C: 0,6 x 106 |
| Reliability data B10d | XCSA: 5.000.000 – XCSB/C: 3.000.000 (data value for a service life of 20 years can be limited by contact and mechanical wear) |
| Rated electric characteristics of use | a AC-15, A300 : Ue = 240 V, Ie = 3 A or Ue = 120 V, Ie = 6 A c DC-13, Q300: Ue = 250 V, Ie = 0,27 A or Ue = 125 V, Ie = 0,55 A conforming to IEC 60 947-5-1, EN 60 947-5-1 |
| Protection against electric shock | Class I conforming to EN/IEC 61140 |
| Actuation speed | mini = 0,01 m/s (0.39 in/s) – maxi = 0,5 m/s (19.68 in/s) |
| Short-circuit protection | 10 A gG (gl) cartridge fuse (use type CC in the United States) |
| Cable connection | Screw clamps terminals…………………… Clamping capacity : min : 1 #20 AWG (1 x 0.5 mm2 |
| Minimum key pull-out resistance | XCSA: F min = 20 N / 4.5 lbf |
| Resistance to forcible withdrawal of actuator | XCSB/C: F1max=1500N / 337.2 lbf, fZh=1150N / 258.5 lbf |




















