Province Electric Supply XCSLE XCSZ05 Safety Interlock Switch

Safety interlock switch (Original instruction)


These devices have been designed to be in compliance with the standards currently in effect: EN/IEC 60947-5-1, EN/ISO 13849-1, EN/IEC 62061, EN/IEC 60947-1, EN/ISO 14119, EN/IEC 60204. These devices can achieve up to category 4 PL=e or SIL 3 (if combined with an appropriate Control Safety Unit PL=e / SIL 3).
DANGER
HAZARD OF ELECTRIC SHOCK, EXPLOSION, OR ARC FLASH
Before servicing this device:
- Disconnect all power before servicing equipment.
- Place a “DO NOT TURN ON” label on all power disconnects.
- Lock all power disconnects in the open position.
- Install and close all covers before applying power or using this device.
Failure to follow these instructions will result in death or serious injury.
- Electrical equipment should be installed, operated, serviced, and maintained only by qualified personnel. No responsibility is assumed by Schneider Electric for any consequences arising out of the use of this material.
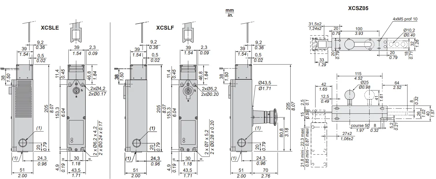
Dimensions

- Tapped entries for cable gland 1/2” NPT / ISO M20X1,5
XCSLE / XCSLF

- Shim provided with XCSZ01 enabling an XCKJ or XCSL5/7 with a ZCKY07 key to be replaced by an XCSLF with an XCSZ01 key without redrilling any mounting holes.
Tongued key actuation radii

LOSS OF SAFETY FUNCTIONALITY
- All spare actuating keys must be stored in a safe place.
- Do not use a master key, modified or dummy actuating key.
- Actuating keys must be permanently mounted by soldering, riveting or non-retractable screws.
- Perform a periodic inspection and verify:
- secure mounting of components, including the head
- mechanical adjustment of XCSLE/LF switch with the XCSZ0* actuating key
- proper operation of the head and proper switching function
- correct sealing of cable entry
- wear: devices should not be used beyond the characteristics stated in catalogue
- do not modify the devices.
- The switch must be protected from environmental shocks.
Failure to follow these instructions can result in death, serious injury, or equipment damage.
Wiring diagram
- Contacts represented with actuating key inserted and solenoïd not energized.

- Solenoid
- Solenoid contacts
- Safety pre-wiring mandatory
M23 19-pin connectors

- PE wiring only for XCSLF/XCSLE 19 pins.
- Examples XCSLp with 2-LED module associated with the XPSUAF
- 1°) XPSUAF for monitoring category-3 PL=d

- Key inserted and locked : GN (green) LED on / Key not inserted : OG (orange) LED on
Head orientation

IMPROPER INSTALLATION
- Do not use the safety limit switch as stopper or as centering device for the moving guard.
- Use physical stop designed for that purpose.
Failure to follow these instructions can result in death, serious injury, or equipment damage.
Adjustment of actuating keys

- This document concerns only products made with a date code previous to 1119
Tightening torque, tightening capacity
Note: Connection support is made through a 1/2″ NPT and M20 fitting. If using metal conduit, use flexible metal conduit only. Maximum conduit tightening torque is: 23 Nm (17 Ft-lb) for XCSLE, 90 Nm (66 Ft-lb) for XCSLF.
Contact status
- Transient state
- Contact open (0)
- Contact closed (1)

IMPROPER COVER CLOSING
- Close and screw cover following tightening torque values.
- Lock with manual locking key.
- Remove manual locking key and store it in a safe place.
Failure to follow these instructions can result in death, serious injury, or equipment damage.
Servicing procedures

Maintenance
It is imperative to check the following points regularly
- the mechanical adjustment of product XCSLE / LF with the XCSZ 01/02/03/05 tongued key
- wear: the devices should not be used beyond the characteristics stated in catalogs
- make sure of the good electric switching
- it is forbidden to modify the devices.
Any and all liability shall be excluded in case of noncompliance with the requirements of this notice.
Characteristics

An operation example of a safety switch XCSLE/LF: Locking when the solenoid is unpowered (Locking on de-energization models) or locking when the solenoid is powered (Locking on energization models).

This document concerns only products made with a date code previous to 1119





















