KEYENCE GS-M Series GS-M51P Safety Interlocking Switch

Detailed information and use of the GS-M are also described in the “GS-M User’s manual”. In order to acquire the “GS-M User’s manual”, download it from the KEYENCE website or call the nearest KEYENCE office. This manual explains items such as the handling, operation, and precautions for the Safety Interlocking Switch GS-M. Read this manual carefully and thoroughly understand its contents to use the GS-M to the full extent of its capabilities. Also, keep this manual in a safe place for future reference. Ensure that the end user of this product receives this manual. This manual is the original instruction manual.
Symbols
- DANGER: Indicates a hazardous situation that, if not avoided, will result in death or serious injury.
- CAUTION: It indicates a hazardous situation that, if not avoided, could result in minor or moderate injury.
- important: Indicates cautions and limitations that must be followed during operation.
Safety Precautions
- KEYENCE does not guarantee the function or performance of the GS-M if it is used in a manner that differs from the GS-M specifications contained in this manual or if the GS-M is modified by the customer.
- The GS-M can only be used in combination with dedicated actuators listed in this manual. It cannot be used in combination with other actuators or similar devices.
- Do not use a replacement actuator to bypass the GS-M. Store replacement actuators strictly to prevent their easy access.
- When using the GS-M to protect machine operators against a hazard or hazardous zone or when using the GS-M as a safety component for any purpose, always follow the applicable requirements of the laws, rules, regulations and standards in the country or region where the GS-M is used. For such regulations, you should directly contact the regulatory agency responsible for occupational safety and health in your country or region.
- The responsible person must do the training to the assigned personnel for the correct use, installation, maintenance, and operation of the GS-M.
- The user of the machine must receive specialized training related to the GS-M and must then understand and adhere to the safety restrictions, laws, and regulations in the country or area in which the GS-M is being used.
- The GS-M is designed with the assumption that it would be correctly installed in accordance with the installation procedures described in this manual and correctly operated according to the instructions in this manual. You must perform an appropriate installation of the GS-M after performing a sufficient risk assessment for the target machine.
- Danger: Machine builders must consider the time the machine with inertia takes to stop.
- Do not use a device that emits strong electromagnetic waves near the GS-M.
- This product is not intended for use as an explosion-proof product. Do not use this product in a hazardous location and/or potentially explosive atmosphere.
- Do not use the GS-M in the presence of substances, such as heavy smoke, particulate matter, or corrosive chemical agents, that may induce deterioration in product quality.
- Be sure to absolutely confirm that there is nobody in the hazardous zone before the interlock is released (i.e. the machine system restarts) by the interlock reset mechanism.
- Indoor use only.
- It must be possible to perform an emergency stop on the machine to which GS-M is installed at any and all operation points during the operation cycle. Also, do not use the GS-M on machines that have irregular stop times.
- Do not use the GS-M to control (stop forward motion, etc.) trains, cars, and other transportation vehicles, aircraft, or equipment for use in space, medical devices, or nuclear power generation systems.
- Be sure to turn the power supply off before performing electrical wiring.
- Perform electrical wiring according to the electrical standards, regulations, and laws in the country or area in which the GS-M will be used.
- Use cables with a length less than or equal to the specification in this manual. The usage of cables longer than the specified length may cause the improper operation of safety functions.
- Important: When disposing of the GS-M, always follow the applicable requirements of the laws, rules, regulations and standards in the country or region where the GS-M is used.
- Dispose of this product as industrial waste.
Precautions on Regulations and Standards
- CE Marking
KEYENCE Corporation has confirmed that this product complies with the essential requirements of the applicable EU Directive(s), based on the following specifications. Be sure to consider the following specifications when using this product in the Member States of the European Union.
- Machinery Directive
- RE Directive
- The power supply that complies with SELV or PELV must be used.
- The full text of the EU declaration of conformity is available at the following internet address: http://www.keyence.com/cedoc
- These specifications do not give any guarantee that the end-product with this product incorporated complies with the essential requirements of RE and Machinery
- Directive. The manufacturer of the end-product is solely responsible for the compliance on the end-product itself according to these Directives.
- UL Certificate
The GS-M is a UL/c-UL-certified product.
- UL File No.: E301717
- Category: NRKH/NRKH7
- Enclosure Type 1 (based on UL50) Be sure to consider the following specifications when using this product as a UL/c-UL-certified product.
- Use a power supply with Class 2 output defined in NFPA70 (NEC: National Electrical Code).
- Connect the power supply, external input, and control output to a single power supply with Class 2 output.
North American Regulations
- The GS-M complies with the following North American regulations. Applicable regulations:
- FCC Part15 Subpart B, Class A Digital Device
- FCC Part15 Subpart C
- ICES-003, Class A Digital Apparatus
- RSS-210
This device complies with part 15 of FCC Rules and Innovation, Science and Economic Development Canada’s license-exempt RSSs. Operation is subject to the following two conditions:
- this device may not cause harmful interference, and
- this device must accept any interference received, including interference that may cause undesired operation.
Le présent appareil est conforme à la partie 15 des règles de la FCC et aux normes des CNR dʼInnovation, Sciences et Développement économique Canada applicables aux appareils radio exempts de licence. Lʼexploitation est autorisée aux deux conditions suivantes : (1)lʼappareil ne doit pas produire de brouillage, et (2) lʼappareil doit accepter tout brouillage subi, même si le brouillage est susceptible dʼen compromettre le fonctionnement.
FCC CAUTION
Changes or modifications not expressly approved by the party responsible for compliance could void the user’s authority to operate the equipment.
Note: This equipment has been tested and found to comply with the limits for a Class A digital device, pursuant to part 15 of the FCC Rules. These limits are designed to provide reasonable protection against harmful interference when the equipment is operated in a commercial environment. This equipment generates, uses, and can radiate radio frequency energy and, if not installed and used in accordance with the instruction manual, may cause harmful interference to radio communications. Operation of this equipment in a residential area is likely to cause harmful interference in which case the user will be required to correct the interference at his own expense.
Chapter 1 Before Operation
Overview
The GS-M is a Type 4 Interlocking Device based on ISO14119. Both the low-level coded actuator and the high-level coded actuator can be used.
By combining the GS-M with a door or similar movable safety guard and with a safety-related control system, it is possible to stop hazardous machine operations if the door or similar part opens during hazardous machine operations.
- Danger: Do not use the lock function with a safety-related control system.
Product List
- Actuator
| Model | Main unit | Coding level | Weight |
| GS-MA5M | GS-M5 | Low | Approx. 160 g |
| GS-MA5U | High | Approx. 160 g | |
| GS-MA9M | GS-M9 | Low | Approx. 250 g |
| GS-MA9U | High | Approx. 250 g | |
| GS-MAL5M | GS-ML5 | Low | Approx. 130 g |
| GS-MAL5U | High | Approx. 130 g |
Package Contents
Main unit
- Sensor (main unit)
- Instructions Manual
- Assist tool for alignment (Only with M12 connector type of GS-M5 and GS-M9) “Actuator” has no accessories.
Chapter 2 Installation
Installation Conditions
- The sensor’s operating distance may be affected by the presence of metal in the surrounding area. After installation, determine the minimum safety distance based on the actual operating distance and check if it is provided appropriately.
- To minimize defeat possibilities, refer to ISO 14119 for relevant requirements and precautions.
- The GS-M should be installed in a position where the main unit cannot be accessed or onto the metal frame which has heat dissipation capacity. Otherwise, accidental contact with the main unit might cause burn injury.
- Install the actuator and main unit in a manner that ensures the magnet centers are in close contact. If they are not in close contact, the holding force will be reduced.
Alignment tolerance
Typical Installation
- GS-M5 / GS-M9: Align both the alignment marks and the magnet centers. (See Chapter 6, Dimensions).
- GS-ML5: Align both the detection centers and the magnet centers. (See Chapter 6, Dimensions).

Tolerance GS-M5 / GS-M9
- It is recommended to use the attached assist tool for alignment as it helps make aligning the unit very simple. (Except for GS-M50 terminal type)

- After alignment, remove the assisting tool from the main unit.
- GS-ML5

- Mutual interference
When using multiple GS-M units in close proximity, they may malfunction due to mutual interference. To prevent mutual interference, do not place the detection center of any other main unit within 50mm around the detention center.
GS-ML5
GS-M9
GS-ML5
- Actuator teaching (when using the high-coded actuator)
Chapter 3 Wiring
Terminal and Pin Assignment
- Terminal type (GS-M50)
| Terminal number | Function |
| 1 | +24 V |
| 2 | Safety input 1 |
| 3 | Safety input 2 |
| 4 | Lock control input |
| 5 | 0 V |
| 6 | OSSD1 |
| 7 | OSSD2 |
| 8 | AUX output |

When wiring, the cover should be temporarily removed. Tightening torque for screws of the cover: M4, 1.5N m The terminal can be removed. If you pull the cable strongly, the terminal block may be removed.
- Cable and Cable Gland Maximum cable length: 31 m Cable size: AWG 26 to 16 When using ferrule: AWG24 to 18 (The maximum diameter is 1.5 mm.) Sleeve length for AWG24 to 22: 8 to 12mm Sleeve length for AWG20 to 18: 12 mm Cable stripping length: 9 to 10mm Cable gland: M16 x 1.5 (Male)
- To secure IP65/67 and to anchor the cable, use a cable gland that has been tested according to IEC 60529 (IP65/67) and IEC 62444.
Standard type (GS-M51/ GS-M91/ GS-ML51)
| Pin number | Wire color | Function |
| 1 | Gray | AUX output |
| 2 | Brown | +24 V DC |
| 3 | Light blue | Lock control input |
| 4 | Red/white | Safety input 2 |
| 5 | Black | OSSD1 |
| 6 | White | OSSD2 |
| 7 | Blue | 0 V |
| 8 | Red/black | Safety input 1 |
- Advanced function type (GS-M53/ GS-M93/ GS-ML53)

| Pin number | Wire color | Function |
| 1 | Brown | +24 V DC |
| 2 | Red/black | Safety input 1 |
| 3 | Blue | 0 V |
| 4 | Black | OSSD1 |
| 5 | Gray | AUX output1 |
| 6 | Red/white | Safety input 2 |
| 7 | White | OSSD2 |
| 8 | Pink | EDM selection input |
| 9 | Gray/black | AUX output 2 |
| 10 | Light blue | Lock control input |
| 11 | Yellow | Reset/EDM input |
| 12 | Light blue/ black | OSSD operation switching input |
Wiring Example
- When using cascade connection, the safety input1 and 2 should be connected to the OSSD1 and 2 of 2
- When setting the OSSD operation to “Open/close link, the AUX should be connected to +24VDC.
- When setting the OSSD operation to “Open/close link”, the AUX should be connected to OV.
- GS-M51P / 91P / L51P (PNP)

- When setting the OSSD operation to “Open/close link, the AUX should be connected to +24V DC.
- GS-M51N / 91N / L51N (NPN)

- When set the OSSD operation to “Open/close link, the AUX should be connected to OV DC.
- GS-M53P / 93P / L53P (PNP) (OSSD operation: Lock link)

- When using only 1st unit, the safety input1 and 2 should be connected to +24VDC.
- When using only EDM function, the Pink cable (No.8) should be open and insulated.
- Cable length and number of cascaded units
Maximum cable length: 31 m
Maximum number of cascaded units: 20 (for GS-M5 and GS-ML5) or 16 (for GS-M9)
- If only one OSSD output is used to construct the machine’s control system, an OSSD malfunction will make it impossible to stop the machine.
- To prevent malfunctions caused by ground faults on the OSSD output wire, perform wiring in a manner such that the requirements specified in IEC 60204-1 are met.
- Use an emergency stop switch/button that has two or more independent, NC (normally closed) contacts. For the requirements related to emergency stop switches/buttons, see IEC 60204-1, ISO 13850, and all other requirements, regulations, standards, and laws related to occupational safety and health in the country or area where the GS-M will be used. For such regulations, you should directly contact the regulatory agency responsible for occupational safety and health in your country or region.
- Ensure that the device does not start or restart automatically when the emergency stop switch/button is reset.
- When using a PNP sensor, please connect the OSSDs of the PNP type GS-M or GS to the safety inputs.
- When using a NPN sensor, please connect the OSSDs of the NPN type GS-M or GS to the safety inputs.
- Be sure to absolutely confirm that there is nobody in the hazardous zone before the interlock condition is terminated (i.e., the machine system restarts) by the interlock reset mechanism.
- Install the switch, etc. for releasing the interlock state in a position where it is possible to check the entirety of the hazardous zone and where the switch, etc. cannot be operated from within the hazardous zone.
- When the interlock function is set to Automatic, it is necessary to ensure the safety of the entire control system in order to prevent unexpected starts from occurring.
- Exercise caution to prevent the reset/EDM input from forming a short circuit with other inputs or outputs.
- The AUX outputs cannot be used as the safety outputs to a safety-related control system.
Chapter 4 Functions
The functions that can be used with the GS-M vary depending on the model of the main unit (simple function type/standard type/advanced function type).
| Function | Terminal type | Standard | Advanced function |
| OSSD operation | Lock link or Open/close link | Lock link or Open/close link | Lock link or Open/close link |
| Safety inputs | ✓ | ✓ | ✓ |
| Number of AUX | 1 *1 | 1 *1 | 2 |
| Interlock function | – | – | ✓ |
| EDM function | – | – | ✓ |
- When set the OSSD operation to “Open/close link”, the AUX cannot be used.
4-1 OSSD
An OSSD is a safety output for the safety-related part of a machine control system. The OSSD 1/2 is a pair of safety outputs that are redundant. The GS-M generates self-diagnosis signals on its internal control circuit to perform diagnostics on the OSSD. These signals periodically force the OSSD into a temporary OFF-state when the OSSD is in the ON-state. If the internal control circuit receives a feed-back signal (OFF-signal) based on the self- diagnosis, the GS-M determines that its OSSD is operating normally. If the OFF-signal is not returned to the internal control circuit, the GS-M determines that there is a problem with the OSSD or wiring and enters into an error state.
OSSD operation
The OSSDs go to OFF state during start up and in the error state. When all of the conditions shown below are met during normal operation, the OSSDs go to ON state
- Lock link
- The actuator and main unit are aligned properly and in contact.
- Lock control input is ON.
- Safety inputs are ON.
Open/close link
- The actuator and main unit are aligned properly and in contact.
- Safety inputs are ON.
Safety Input
This function controls the OSSDs of the GS-M with input signals from sensors or emergency stop switches/buttons connected to the safety inputs. Safety input 1 and safety input 2 form a safety input pair. If safety input 1 or safety input 2 goes into an OFF state, the OSSDs go to OFF state. Multiple GS-M units can be connected and used in an expanded system (with a cascade connection) by connecting the OSSDs of a different GS-M or other GS models to the safety input.
Interlock Function
Interlock is a function that prevents the OSSDs from automatically going into the ON-state from the OFF-state. This prevents the unintended start-up and/or the unintended restart of the machine if the interlock is applied to the GS-M. It is necessary to perform the reset operation in order for the GS-M to go back to normal operation from the interlock condition. On the advanced function type, the interlock function setting can be selected from two types: Automatic and Manual.
Automatic: The OSSDs immediately switches to the ON state when the conditions for doing so—such as the unit being in the lock state with the guard closed—are met.
Manual: Even if the conditions for switching the OSSDs to the ON state are met, the OSSDs maintain the OFF state (interlock state).
EDM Function
The GS-M can monitor the state of external devices, such as a force guided relay or magnetic contactor that are connected to the OSSDs, in order to detect the failure of the external device (such as contact welding), thereby enabling start or stop control of the machine’s hazard. This monitoring function is called the EDM function.
Lock Function
The lock function makes it possible to keep closed the guard (e.g. door) to which the GS-M actuator is installed by electromagnetic power.
AUX Output
This is an informational output used to check the operating status of the GS-M. The operation of the AUX output varies depending on the type of the main unit.
If an error occurs, the AUX outputs turn ON.
AUX operation
| Terminal/ Standard type | Advanced | |
| AUX output 1 | Open/close link | Open/close link |
| AUX output 2 | – | Lock link |
| Operating distance *1 | Sao(OFF→ON) | 0.1mm |
| Sar(ON→OFF) | 15mm | |
| Response time (ms) *2 | Lock → Unlock | 250ms |
| Unlock → Lock | 250ms | |
| Detect → Not detect | 20ms + 2ms × (number of cascaded unit -1) | |
| Not detect → Detect | 300ms + 25ms × (number of cascaded unit -1) | |
| Acceptable operation frequency | 1.6Hz (IEC 60947-5-3) | |
|
Control output (OSSD output) | Output | Transistor outputs × 2 |
| Max. load current | 150 mA | |
| Residual voltage (during ON) | Max. 2.5V (with a cable length of 5m) Max. 3.5V (with a cable length of 31m) | |
| OFF state voltage | Max. 2.0V (with a cable length of 5m) Max. 3.0V (with a cable length of 31m) | |
| Leakage current | Max. 0.5mA | |
| Max. capacitive load | 0.8μF | |
| Load wiring resistance | Max. 2.5Ω | |
| AUX (Non-sefety- related output) | Output | Transistor output |
| Max. load current | 50mA | |
| Residual voltage (during ON) | Max. 2.5V(with a cable of 5m) Max. 3.5V(with a cable of 31m) | |
| External input (Short circuit current) | Safety input | Approx. 1.5mA × 2 |
| Lock control input | Approx. 2.5mA | |
| Reset/EDM input | Approx. 5mA (For advanced function type only) | |
| OSSD operation switchin input | Approx. 2.5mA (For advanced function type only) | |
| Power suplly | Power voltage | 24 V DC ±20 % (Ripple P-P 10% or less, Class2) |
| Power consumption | GS-M5 and GS-ML5: 5W, GS-M9: 6W | |
| Protection circuit | Reverse current protection, short-circuit protection and surge protection for each output | |
|
Environ-mental resistance | Enclosure rating | IP65/67 (IEC60529) |
| Operating ambient temperature | -20~55℃(No freezing) | |
| Storage temperature | -25~70℃(No freezing) *3 | |
| Operating relative humidity | 5%~95%RH | |
| Storage relative humidity | 5%~95%RH | |
| Vibration resistance | 10 to 55 Hz, Double amplitude 2.0 mm, 5 minutes in each of the X, Y, and Z directions (IEC 60947-5-3) | |
| Shock resistance | 30 G in X, Y, Z directions 6 times each axis (IEC 60947-5-3) | |
| Applicable Standards (Safety) | EN61508, IEC61508(SIL3), EN ISO13849-1:2015(PL e, Category 4), EN ISO14119(Type4), IEC60947-5-3, EN60947-5-3, UL 60947-5-2 | |
| Material | Main unit | PBT, PET/PAR, TPC, PC, Nickel-plated steel |
| Actuator | GS-MA5 and GS-MAL5: PBT, SUS304, Nickel-plated steel GS-M9: PBT, Steel (Painted and Nickel-plated) | |
| Weight | Main unit | GS-M50: Approx. 270 g, GS-M51/53: Approx. 250 g,GS-ML5: Approx. 240 g, GS-M9: Approx. 480 g |
- Due to the flexible structure of the actuator, the guard can open 3.8 mm larger than the “Sar”. The clearance between the actuator and the main unit may be narrowed by a maximum of 2.3 mm due to the magnet power built into the actuator.
- Risk time according to IEC60947-5-3 is 150 ms + 2 ms × (number of cascaded units – 1).
- When stored for a long period of time, please store it at temperature of 55°C or lower.
| Mission time | 20 years |
| Hardware fault tolerance | 1 |
| Type of element | B |
| Performance level (ISO13849-1) | e |
| Category (ISO13849-1) | 4 |
| SIL (IEC 61508) | 3 |
| PDF (IEC 61508) | 4.78×10-10 |
Chapter 6 Appendix
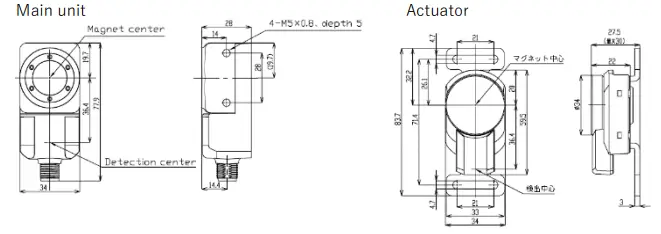
Dimensions
GS-M5
GS-M9
GS-ML5
Indicator Descriptions
- Lock link mode (OSSD Operation)
| Indicator | OSSD | Safety inputs | Lock control input | Actuator |
| Green*1 | ON | ON | ON | Detected |
| Red | OFF | ON or OFF | ON or OFF | Not detected |
| Blinking green | OFF | ON | OFF | Detected |
| Orange | OFF | OFF | ON | Detected |
| Blinking orange | OFF | OFF | OFF | Detected |
| OFF | Power OFF | |||
| Blinking orange(fast) | OFF | Incorrect actuator is detected. It is different from the high coded actuator memorized by teaching. | ||
| Blinking red | OFF | Error state. See “6-3 Troubleshooting”. | ||
- When the interlock function is set to manual, the indicator will light orange until the reset/EDM input is operated.
Inspection and Maintenance
Inspect the safety function of the GS-M on the basis of the results of a risk assessment of the target machine. It is strongly recommended that, at minimum, the following items and periods be met.
- To prevent danger due to the machine starting, thoroughly ensure that no one is present in the hazardous zone during inspection.
- If some error is found on the GS-M as a result of the inspection, do not operate the machine.
Initial inspection Items
- The main unit and actuator are installed on the basis of the installation conditions, installation methods, and wiring specifications specified in this manual.
- The safety functions being used (“4-1 OSSD” (page 7), “4-2 Safety Input” (page 7), “4-3 Interlock Function” (page 8) or “4-4 EDM Function” (page 9)) operate as intended.
Periodic inspection Periods
If there is only infrequent action to change the state of OSSD due to open and closing the guard or if an emergency stop switch is connected to the safety inputs, the inspection shall be made within the following test intervals in accordance with ISO 14119:
- SIL 3/ PL e: Once per month or more
- SIL 2/ PL d: Once per year or more
Items
- If an emergency stop switch is connected to the safety input, the safety function acts correctly when the emergency stop switch is pressed.
- There are no changes in the mounting conditions of the main unit and actuator or in the guard (e.g. door) to which these devices are installed.
- The guard (e.g. door) is not deformed.
- There are no changes to the installation status that will affect the results of the risk assessment carried out at the start of the installation.
- The seals have been applied correctly, in the case that seals have been applied to the mounting screws.
- No excessive damage or dirt is present.
Especially in the following cases, check the same details as the initial inspection.
- When a change is made to the installation, wiring, or functions
- When the main unit or actuator is replaced
- When the machine is not used for a long period of time
- When a defect occurs
Store the inspection results together with the machineʼs records. Errors found on the main unit or actuator cannot be repaired by the customer. Replace the product with a new one or contact the nearest KEYENCE office.
Cleaning
In case metal powder or a similar substance is in contact with the faces of the main unit and actuator, clean the product.
WARRANTIES AND DISCLAIMERS
- KEYENCE warrants the Products to be free of detects in materials and woISsup oapenod o Oreyear Om e daie o spinet. any modeis or samples were shown to Buyer, Sucn mooeis or sampies were used merely to illustrate the general type and quality of the Products and not to represent that the Products would necessarily oonform to said models or samples. Any Products found to be defective must be shipped to on by KEY KEYENCE, at its sole option, will refund the purchase price of, or repair or
replace at no charge any Products found to be defective. This warranty aoes not appiy to any derecis resuing rom any action or Buyer, ncluaing Dut not ed o nproper siaaon, imprOper iettaing, inprOper repair, unauthorized modification, misapplication and mishandling, such as exposure to excessive current, heat, coldness, moisture, vibration or outdoors air. Components which wear are not warranted. se e sugesus e o s vanous ascertain the fitness of the Products for Buyer’s intended use. - KEYEN it i to will not be responsible tor any damages that may result from the use of the Products.
- The Products and any samples (Products/Samples) supplied to Buyer are not to be used internaily in numans, TOr numan transportatOn, as sarey aevices or tall-sare systems, unesS tneir witen speciicaons state otherwise. Should any Products/samples be used in sucha manner or misused in any way, KEYENCE assumes no responsibility, and additionally Buyer will indemnity KEYENCE and hold KEYENCE harmless trom any abiny or damage wnarsoever ansing our or any misuse o the Producs
- THER THAN AS STATED HEREIN, THE PRODUCTS/SAMPLES ARE PROVIDED WITH NO OTHER WARRANTIES WHATSOEVER. ALL EXPRESS, IMPLIED, AND STATUTORY WARRANTIES, INCLUDING, wITHOUT LIMTATION, THE WARRANTIES OF MERCHANTABILITY, FITNESS FOR A PARTICULAR PURPOSE, AND NON-INFRINGEMENT OF PROPRIETARY RIGHTS, ARE EXPREsSLY DISCLAIMED. IN NO EVENT SHALL KEYENCE AND ITS AFFILIATED ENTITIES BE INCIDENTAL. PUNITIVE. SPECIAL OR CONSEOUENTIAL DAMAGES (INCLUDING, WITHOUT LIMITATION, ANY DAMAGES RESULTING FROM LOSs OF USE, BUSINESS INTERRUPTION, LOSS OF INFORMATION, LOSS OR INACCURACY OF DATA, LOSS OF PROFITS, Loss OF SAVINGS, THE COST OF PROCUREMENT OF SUBSTITUTED GOODS, SERVICES OR TECHNOLOGIES, OR FOR ANY MATTER ARISING OUT OF OR IN CONNECTION WTH THE USE OF ITS AFFILIATED ENTITIES WAS ADVISED OF A POssIBLE THIRD PARTY’S CLAIM FOR DAMAGES OR ANY OTHER CLAIM AGAINST BUYER. In some jurisdictions, some of the foregoing warranty disclaimers or damage limitations may not apply.
BUYER’S TRANSFER OBLIGATIONS: if the Products/Samples purchased by Buyer are to be resold or delivered to a third party, Buyer must provide such third party with a copy of this document, all specifications, manuals, catalogs, leaflets and written information provided to Buyer pertaining to the Products/Samples
KEYENCE CORPORATION
1-3-14, Higashi-Nakajima, Higashi-Yodogawa-ku,
Osaka, 533-8555, Japan
PHONE:+81-6-6379-2211
www.keyence.com/glb


























