B-LOCK511-C Shift Interlock
Instructions
B-LOCK511-C Shift Interlock
B-LOCK511-C Shift Interlock
2021 – 2022 Ford E-Series
Contact InterMotive for additional vehicle applications
System Overview
The LOCK511-C is designed for controlling wheelchair lift operation. The system will operate with the vehicle ignition on or off. Lift operation will be enabled when specific vehicle safety conditions are met and will lock the transmission shifter in Park when the wheelchair lift is in use. Optional Plug and Play harnesses are available for most applications, making installation fast and easy.
Installation Instructions
Disconnect vehicle battery before proceeding with installation.
WARNING Disconnect the battery to prevent setting a check engine light.
IMPORTANT — READ BEFORE INSTALLATION
It is the installer’s responsibility to route and secure all wiring harnesses where they cannot be damaged by sharp objects, mechanical moving parts and high heat sources. Failure to do so could result in damage to the system or vehicle and create possible safety concerns for the operator and passengers. Avoid placing the module where it could encounter strong magnetic fields from high current cabling connected to motors, solenoids, etc. Avoid radio frequency energy from antennas or inverters next to the module. Avoid high voltage spikes in vehicle wiring by always using diode clamped relays and solenoids when installing upfitter circuits.
CAUTION
All electronic products are susceptible to damage from Electrostatic Discharge or ESD. Ground yourself before handling or working with the module and harnessing by first touching chassis ground, such as the barrel of the cigarette lighter.
LOCK511-C Module
Remove the lower dash panel below the steering column area and find a suitable location to mount the module so that the Diagnostic LED’s can be viewed with the lower dash panel removed. Secure using 2-sided foam tape, screws or wire ties. Locate the module in an area away from any high heat sources. Do not actually mount the module until all wire harnesses are routed and secure (last step of the installation is to mount the module).
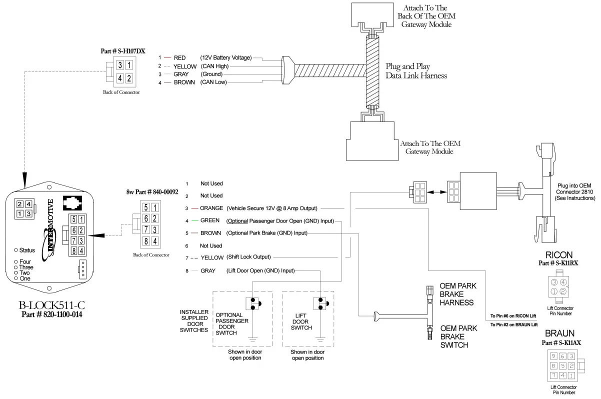
Gateway Plug and Play Harness (4-pin connector)
- Locate the vehicles Gateway Module. It will be mounted below the lower left dash panel.
- Remove the harness behind the Gateway module by pressing the locking tab and pulling outward.

- Plug the Female side of the InterMotive Gateway Harness into the back of the Gateway module. Ensure the connection is fully seated and secured by the locking tab.
- Plug the Male side of the InterMotive Data Link Harness into the Gateway harness.
- Secure the LOCK511-C Gateway harness so that it does not hang below the lower dash panel.
- Plug the free end of the Data Link harness into the mating 4-pin connector on the LOCK511-C module.

Control Inputs/Outputs – 8-pin connector
The LOCK511-C provides three ground side inputs and one 12V, 8 amp output.
Refer to the LOCK511-C CAD drawing as reference when reading these instructions.
The blunt-cut (4-wire) harness provides for control connections to the vehicle as follows:
Orange – connect this output to the lift or lift relay. Refer to the particular lift model drawing when making this connection. This output provides 12V @ 8 amp when it is safe to operate the lift.
Gray – connect this input to the Lift Door switch. Ensure that a ground signal is provided with the door open. When the door is open the vehicle is prevented from shifting out of Park. This door must be open in order to allow lift operation.
Green – Connect this wire only if an additional door connection is desired.
This input is an optional connection for an additional door (passenger). It is connected the same as the Lift Door and also prevents shifting out of Park. This door does not have to be open to allow lift operation.
Brown – Connect this wire only if “key off” lift operation is desired
Yellow – Connect this output to the OEM Shift Lock circuit. (See next page for detailed instructions)
This optional input connects to the OEM Park Brake switch (as shown) such that the switch is made when the Park Brake is set. Install a standard rectifier diode (digikey
RL202-TPCT-ND or equivalent) to isolate the Parking Brake ground signal. Strip backsome insulation off the WT/VT wire, solder the Brown wire on and tape or use heat
shrink tubing.
Shift Lock Harness
- Remove the upper and lower steering column covers by removing the 3 screws in the lower column cover.

- Locate the Shift Lock (4-pin) harness (OEM Connector 2810).
- Unplug the Shift Lock connector.
- Plug the OEM Shift Lock connector into the mating connector on the LOCK511-C harness.
- Plug the 4-pin connector on the LOCK511-C harness into the mating connector on the OEM Shift Lock harness.

- Pin #1 — N/C
- Pin #2 — N/C
- Pin #3 — ORANGE (Vehicle Secure (12V) Output)
- Pin #4 — GREEN (Passenger Door Open (GND) Input) *Optional
- Pin #5 — BROWN (Park Brake (GND) Input) *Optional
- Pin #6 — N/C
- Pin #7 — YELLOW (Shift Lock Output)
- Pin #8 — GRAY (Lift Door Open (GND)
Connect the 8 pin connector to the module

LOCK511-C Module
Ensure all the harnesses are properly connected and routed, and are not hanging below the dash area. Mount the LOCK511-C module as described on page one and secure using screws or doubled sided tape.
Reconnect vehicle battery
Post Installation / Check List
The following checks must be made after installation of the system, to ensure correct and safe operation of the lift.
If any of the checks do not pass, do not deliver the vehicle. Recheck all connections per the installation instructions
Begin the checklist with the vehicle in the following state:
- Lift stowed
- Lift access door closed
- Park Brake set (PB)
- Transmission in park
- Ignition off (Key off)
- Turn ignition key on (to “run”), attempt to deploy the lift. The lift must not deploy with the Lift Door closed.
- With key on, release the Park Brake (PB) and open the lift access door, attempt to deploy the lift. The lift must not deploy with Park Brake released.
- With key on, Lift Door open, PB set, transmission in park, attempt to deploy the lift. Verify the lift deploys.
- With key on, Lift Door closed, PB set, verify the transmission will not shift out of Park.
- With key on, Lift Door open, PB released, verify the transmission will not shift out of park.
- With the lift deployed, attempt to shift the transmission out of Park. Verify the transmission shift lever does not shift out of Park.
- With key on, Lift Door closed, PB released, and the Service Brake applied, attempt to shift the transmission shift lever out of Park. Verify the vehicle will shift out of Park
Optional input: If the vehicle is equipped with key off lift function, the Park Brake must be set for system to be operational.
Note: If the vehicle has Daytime Running Lights they will be activated when the Lift Door is open and/or the Park Brake is on and the Ignition Key is on.
Lift Interlock Diagnostic Mode Testing
Enabling Diagnostic Mode allows a visual indication of system status and is a good troubleshooting tool when used in conjunction with the above tests. The module is fully functional in this mode. Enter Diagnostic Mode by doing the following steps:
- Place transmission in Park and turn ignition switch to run position.
- Momentarily press the Red “Test” button on the module. LED’s on the module will prove out, then become status indicators:

- LED 1 will be on when Shift Lock enabled.
- LED 2 will be on when transmission is in Park.
- LED 3 will be on when Park Brake is set.
- LED 4 will be on when Lift Door is open.
- LED marked “status” indicates “Vehicle Secure” or “Lift enabled” meaning there is 12V on Pin 3 (green wire) which connects to the lift.
- Cycling the key will exit Diagnostic Mode and all LED’s will be off.
System Operation
The LOCK511-C is designed for controlling wheelchair lift operation. The system will operate with the vehicle ignition on or off (if optional Park Brake input supplied). Lift operation will be enabled when specific vehicle safety conditions are met and will lock the transmission shifter in Park when the wheelchair lift is in use. The LOCK511-C prevents the vehicle from being shifted out of park if the lift door is open. As an added feature, the vehicle cannot be shifted out of park anytime the parking brake is applied. This eliminates excessive park brake wear due to driving with the parking brake applied.
Key on operation – Lift operation will only be allowed when all of the following conditions are met:
- The vehicle is in “Park”
- The Park Brake is applied.
- The vehicle ignition is on.
- The Lift Door is open.
Key Off operation (if optional input connected)
- Vehicle must be in Park before turning key off.
- The Park Brake is applied
- The Lift Door is open
When the Lift Door is closed and ignition power is not present for 5 minutes, the system will enter a low current “sleep” mode of operation. To wake from “sleep” mode, the ignition must be turned on (key on) or the Lift Door must be opened.
Note: If the vehicle has Daytime Running Lights they will be activated when the Lift Door is Open and/or the Park Brake is On and the Ignition key is On.
Do not leave the Lift Door open when the vehicle is not in use. This will cause a draw on the vehicle’s electrical system and may result in a dead battery.

Submit product registration at www.intermotive.net
If the B-LOCK511-C fails any step in the Post Installation Check List, review the installation instructions and check all connections.
If necessary, call InterMotive Technical Support at (530) 823-1048.
InterMotive Vehicle Controls
12840 Earhart Ave. Auburn, CA 95602
530-823-1048
[email protected]
www.InterMotive.ne






















