IDEC HS1L Interlock Switches

Thank you for purchasing this IDEC product. Confirm that the delivered product is what you have ordered. Read this instruction sheet to make sure of correct operation.
SAFETY PRECAUTIONS
In this operation instruction sheet, safety precautions are categorized in order of importance to Warning and Caution:
![]()
Warning notices are used to emphasize that improper operation may cause severe personal injury or death.
![]()
Caution notices are used where inattention might cause personal injury or damage to equipment.
Type

Type Nos. in [ ] are not supplied as standard. Contact IDEC if required.
![]()
Solenoid lock type
- This safety switch is designed to lock the actuator while the solenoid is energized and to release it when deenergized.
- When the power to the solenoid is interrupted by accident, such as disconnection, the lock is released before a machine stops completely. Then, the worker may be exposed to hazards.
- This safety switch can be used only for limited applications which do not especially need to be locked for safety.
Specifications and Ratings
| Applicable Standards | EN ISO / ISO14119, GB14048.5 IEC60947-5-1, EN60947-5-1 GS-ET-19, UL508, CSA C22.2 No.14 GB14048.5 | ||||||
| Standards for Use | IEC60204-1/EN60204-1 | ||||||
| Interlocking device Type / the level of coded | Type 2 Interlocking device / low level coded actuator (EN ISO / ISO14119) | ||||||
| Applicable Directives | Machinery Directive, Low Voltage Direc ive | ||||||
| Operating Condition | Operating Temperature | -20 to +55°C (no freezing) | |||||
| Operating Humidity | 45 to 85%RH (no condensation) | ||||||
| Storage Temperature | -40 to +80°C (no freezing) | ||||||
| Pollution Degree | 3 | ||||||
| Altitude | 2,000m maximum | ||||||
| Impulse withstand voltage ‹Uimp› | 2 5kV (Between ground and LED, solenoid circuit : 1.5kV) | ||||||
| Rated insulation voltage ‹Ui› | 250V (Between ground and LED, solenoid circuit : 30V) | ||||||
| Thermal Current ‹Ith› | 2.5A | ||||||
| Contact Ratings ( Reference Values ) ‹Ue, Ie› | 30V | 125V | 250V | ||||
| AC | Resistive load (AC-12) | 2.5A | 2.5A | 2.5A | |||
| Inductive load (AC-15) | 2.5A | 2.5A | 2.5A | ||||
| DC | Resistive load (DC-12) | 2.5A | 2.2A | 1.1A | |||
| Inductive load (DC-13) | 2.5A | 1.1A | 0.6A | ||||
| Class of Protection | Class II (IEC61140) *1 ![]() | ||||||
| Operating Frequency | 900 operations/hour | |
| Operating Speed | 0.05 to 1.0 m/s | |
| B10d | 2,000,000 (EN ISO 13849-1 Annex C Table C.1) | |
| Mechanical Durability | 1,000,000 operations min. (GS-ET-19) | |
| Electrical Durability | 100,000 operations min. (900 operations / hour, Rated Load) 1,000,000 operations min. (900 operations / hour, 24V AC/DC 0.1A Resistive Load) | |
| Shock Resistance | Damage Limits 1,000m/s2 | |
| Vibration Resistance | Operating Extremes 10 to 55 Hz, half amplitude 0 35 mm Damage Limits 30 Hz, half amplitude 1.5 mm | |
| Actuator Tensile Strength when Locked | Fzh=3,000N minimum F1max.=3,900N minimum (GS-ET-19) *2, *3, *4 | |
| Direct Opening Travel | 11mm min. | |
| Direct Opening Force | 50N min. | |
| Contact Resistance | 300mΩmax. (Initial value) *5 | |
| Degree of Protection | IP67 (IEC60529) | |
| Conditional short circuit current | 100A (250V) | |
| Short-circuit protective device | 250V, 10A fast acting type fuse *6 | |
| Solenoid | Rated Operating Voltage | 24VDC 100%ED |
| Rated Current | 200mA (Initial value) | |
| Turn ON Voltage | Rated Voltage × 85% max. (at 20°C) | |
| Turn OFF Voltage | Rated Voltage × 10% min. (at 20°C) | |
| Rated Power Consumption | Approx. 5W | |
| Indicator | Rated Operating Voltage | 24VDC |
| Rated Current | 10mA | |
| Light Source | LED | |
| Lens Color | R(Red), G(Green) (Φ12 Lens) | |
| Weight | Approx. 450g | |
Ratings approved by safety agencies
(1) TÜV rating
AC-15 250V, 2.5A
DC-13 30V, 2.5A
(2) UL , c-UL rating
2.5A, 250V ac, General Use
2.5A, 250V ac, Resistive
2.5A, 30V dc
(3) CCC rating
AC-15 2.5A, 250V ac
DC-13 2.5A, 30V dc
*1 Basic insulation of 2.5kV impulse withstand voltage is ensured between different contact circuits and between contact circuits and LED or solenoid in the enclosure. When both SELV (safety extra low voltage) or PELV (protective extra low voltage) circuits and other circuits (such as 230V AC circuits) are used for the solenoid power and contact circuits at the same time, the SELV or PELV requirements are not met any more.
*2 See item 8 Dimensions.
*3 The actuator locking strength is rated at 3,000N of staic load. Do not apply a load higher than the rated value. When a higher load is expected to work on the actuator, provide an additional system consisting of another safety switch without lock (such as the HS5D safety switch) or a sensor to detect door opening and stop the machine.
*4 F1max. is maximum force. The actuator’s guard-locking force Fzh is calculated in accodance with GS-ET-19

*5 When applicable connector and 1m cable (0.3mm2 AWG22) are connected.
*6 Make sure that a fast acting fuse for short-circuit protection trips before overheating of the wires.
Mounting Examples
- Install the interlock switch on the immovable machine or guard, and install the actuator on the movable door. Do not install both interlock switch and actuator on the movable door, otherwise the angle of insertion of the actuator to the safety switch may become inappropriate, and failure will occur.
(Examples of Mounting on Sliding Doors)

(Examples of Mounting on Hinged Doors)

Minimum Radius of Hinged Door
When using the safety switch for a hinged door, the minimum radius of the applicable door is shown in the following figures.
- L-shaped actuator : HS9Z-A2S
( When the center of the hinged door is on he extension line of the actuator mounting surface.)

( When he center of the hinged door is on the extension line of the contact surface of actuator and safety switch.)

- Adjustable actuator : HS9Z-A3S
(When the center of the hinged door is on the extension line of the actuator mounting surface.)

(When the center of the hinged door is on the extension line of the contact surface of actuator and safety switch.)

![]()
The figures shown above are based on the condition that the actuator enters and exits the actuator entry slot smoothly when the door is closed or opened. Since there may be deviation or dislocation of the hinged door, make sure of correct operation in the actual application before installation.
Actuator Mounting Reference Position
- As shown below, the mounting reference position of the actuator inserted into the safety switch is the actuator cover or stop film touches the safety switch lightly. (After mounting the actuator, remove the actuator cover or stop film from the actuator.)

Actuator Mounting Tolerance
- Mounting tolerance of the actuator is 0.5mm from the center of the actuator to up, down, right, and, left.
- Make sure the actuator can be inserted into the entry slot without any issue.

- Actuator can move 3.3mm (HS9Z-A1S and -A2S) / 2.6mm (HS9Z-A3S) from the mounting reference position without affecting the contact operation.
(Deviation of actuator position ) + (Deviation of door position) ≤ 3 3/ 2.6mm - When closing the door, the actuator is inserted and locked within approx. 3.8mm (HS9Z-A1S and -A2S) / 3.3mm (HS9Z-A3S) from the mounting reference position.

Recommended Screw Tightening Torque
| Screw Tightening Torque | |
| For mounting the safety switch (M5 screw) *7 | 3.2 to 3.8 N•m |
| For mounting the actuator HS9Z-A1S, HS9Z-A2S (M5 screw) *7 *8 HS9Z-A3S (M6 screw) | 2.7 to 3.3 N•m 4.5 to 5.5 N•m |
| For mounting the lid (M4) | 0.9 to 1.1 N•m |
| Terminal screw (M3) | 0.6 to 0.8 N•m |
| Connector | 2.7 to 3.3 N•m |
| Angle adjusting screw of HS9Z-A3S (M3 Hexagon Socket Head Screw) | 0.8 N•m |
![]()
*7 When the torque is not enough to recommended screw tightening torque, make sure that the screw do not become loose by using adhesive sealants etc. to keep right operation and mounting positioning.
*8 When rubber cushions (and spacers) are not used, use M6 screws and tighten to a torque of 4.5 to 5.5 N•m.

Opening the Connector Hole
- Break a desired knockout to mount a connector using a hammer and a screwdriver.
- Remove the connector lock nut from inside the safety switch before breaking the knockout to open a connector hole.
- When breaking the knockout to open a connector hole, be careful not to damage the internal contact block.
Note : Cracks or burrs on the connector hole will degrade the waterproof characteristics.
Adjusting the Angle Adjustable Actuator (HS9Z-A3S)
- Using the angle adjusting screw (M3 hexagon socket head screw), the actuator angle can be adjusted up to 20°.
- The larger the actuator angle, the smaller the applicable radius of the door swing. After installing the actuator, open the door. Then adjust the actuator angle so that the actuator enters the entry slot of the safety switch properly.
- After adjusting the actuator angle, apply loctite or the like on the adjusting screw to prevent loosening.

Precautions for Operation
Installation
- Do not apply an excessive shock to the safety switch when opening or closing the door. A shock to the safety switch exceeding 1,000 m/s2 may cause failure.
- Provide a door guide, and ensure that force is applied on the safety switch only in the actuator insertion direction.
- Do not pull the actuator while it is locked. Also, regardless of door types, do not use the safety switch as a door lock. Install a separated lock as shown in item 3.
- When opening the safety switch lid to wire, open the lid
only. (See the figure on the right.) Never remove other screws, otherwise the safety switch may be damaged.
- The safety switch cover can be only removed or installed with the special L-shaped wrench supplied with the safety switch.
- Entry of foreign objects in the actuator entry slot may affect the mechanism of the safety switch and cause a breakdown. If the operating atmosphere is contaminated, use a protective cover to prevent the entry of foreign objects into the safety switch through the actuator entry slots.
- Avoid foreign objects such as dust, liquid and oil from entering the safety switch while connecting a conduit or iring.
- Make sure to install the product in a place where it cannot be damaged. Make sure to conduct a proper risk assessment evaluation before using the product, and use a shield or a cover to protect the product if need be.

- While the solenoid is energized , the switch temperature rises approximately 40°C above the ambient temperature (to approximately 95 °C while the ambient temperature is 55°C). Keep hands off to prevent burns.

- Use only the designated actuator for the HS1L. Other actuators will cause a breakdown of the safety switch.
- Solenoid / Indicator has polarity. Besure to wire correctly.
- Fully press down on the lock nut of the safety switch so they are not lifting or rattling when tightening the connector. Tighten it carefully so that there is no gap between the connector and safety switch.
Opening / Closing the Cover (Type : HS1L-*K)
- To ensure safety, make sure that the power is turned off before opening or closing the cover.
- Do not touch the part
(shown in the figure on the bellow) with tools or fingers when opening the interlock switch cover. Otherwise the interlock switch may be damaged. - Close the cover only as described below, otherwise failure of interlock switch will be caused.

(Method)
- Confirm that the manual unlock state on the cover is in “normal state”.
- Open the door (actuator is removed).
- Close the cover, and tighten the screws to the appropriate torque.
![]()
- Turn off the power to the safety switch before starting installation, removal, wiring, maintenance, and inspection on the safety switch. Failure to turn power off may cause electrical shocks or fire hazard.
- Do not disassemble or modify the switch. Also do not attempt to disable the interlock switch function, otherwise a breakdown or an accident will result.
- Use wires of a proper size to meet voltage and current requirements.
![]()
- HS1L Series Safety Switches are Type 2 low-level coded interlocking devices (EN
ISO / ISO14119). The following system installation & mounting instructions are EN
ISO / ISO14119 requirements to prevent function failure from the interlock switch.
1. Using permanent fixing methods (e.g. welding, rivets, special screws…etc) to prevent dismantling or de-positioning of the interlock device. However, permanent fixing methods are not an adequate solution if you expect the interlock device to fail during the machinery lifetime, or if you need to replace the product in quick manner. In these situations, other measures (see 2.) should be put in place to reduce the risks of function failure.
2. At least one of the following measures should be applied to prevent function failure.
(1) Mounting the interlock device in a place out of reach from workers
(2) Using shielding protection to prevent physical obstruction of the device
(3) Mounting the interlock device in a hidden position
(4) Integrate status monitoring & cycling testing of the device to the control system to prevent product failure. - Do not install the actuator in the location where the human body may come into contact. Otherwise injury may occur.
- Pay attention to the management of spare actuator. Safety function of safety switch will be lost in case the spare actuator is inserted into the safety switch. Ensure that the actuator is firmly fastened to the door (welding, rivet, special screw) in the appropriate location, so that the actuator cannot be removed easily.
- Do not cut or remodel the actuator, otherwise failure will occur.
- Performance Level according to EN ISO 13849-1 is reduced with series connected safety components due to decreased fault recognition.
- The insulation of the cable has to wi hstand environmental influences.
- The overall concept of control system, into which the safety components has been integrated, must be validated in accordance with EN ISO 13849-2
For Manual Unlocking
(Type HS1L-□4)
The HS1L allows manual unlocking of the key to precheck door operation before wiring or turning on power, as well as for emergency use such as a power failure.
(Type HS1L-□7Y)
In case the actuator is not unlocked when the solenoid is deenergized, the actuator can be unlocked manually.
(Unlocking Method)
- HS1L with manual unlock key:
To change the normal position to the manual unlocking position as shown on the right, turn the key fully (90 degrees) using the red plastic key included with the safety switch.
Using the safety switch with the key being not fully turned (less than 90 degrees) may cause damage to the safety switch or errors. (note: when manually unlocked, the safety switch will keep the main circuit and the lock monitor circuit disconnected and he door unlocked.)
Do not attach the key to the safety switch intentionally (the key is designed to fall off when he operator’s hand is off the key).
In such case, safety standards become unapplied because the safety switch can be always unlocked during machine operation, and therefore will give hazardous conditions to workers. - HS1L without manual unlock key
Remove the screw at the side of the safety switch using the wrench for mounting the HS1L lid. Push the lever inside the safety switch toward the pilot light using a small screwdriver until the actuator is unlocked. See the figure on he right.
- Common
Insert a small screwdriver form the hole of the reverse side of the safety switch. Push the pin inside the safety switch toward the pilot light using a small screwdriver until the actuator is unlocked. See the figure on the right.
A hole for the lever should be opened on the mounting panel. When opening the hole, apply proper protection against water and other foreign objects.
![]()
- Before manually unlocking the safety switch, make sure the machine has come to a complete stop. Manual unlocking during operation may unlock the safety switch before he machine stops, and the function of safety switch is lost.
- While the solenoid is energized, do not unlock the actuator manually (Solenoid lock type).
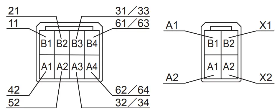
Contact Operation
Contact Configuration and Operating Characteristic

![]()
*9 This locking monitoring marking has been newly described in section 9.2.1 of EN ISO / ISO14119. It indicates that any devices with this marking meet the following EN ISO / ISO 14119 requirements:
– General (- General requirements for guard locking devices) (Section 5.7.1) *
– Locking monitoring (- Locking monitoring for guard locking devices) (Section 5.7.2.2)
When a lock monitor circuit (contact) has the locking monitoring marking, it means that one circuit (contact) can monitor the position and the locking function of the protective door. (The locking monitoring circuit (contact) turns ON only when the protec ive door is closed and locked.)
*note Both types of HS1L safety switches – spring lock type switches and solenoid lock type switches – have obtained the locking monitoring certification marking. Based on risk assessment results, solenoid lock type switches can be used only for limited applications which do not especially need to be locked for safety.
*10 The Actuator is inserted, and HS1L is locked.
- Contact operation is based on the condition that the actuator is inserted onto the center of the safety switch slot.
- Contact opera ion shows he HS9Z-A1S, A2S, A3S actuator.
- Use main circuit or monitor circuit with for the input to safety circuit.
Operation Cycle
| Door States | Closed | Closed | Open | Closed |
| Manual Unlock Key | – | – | – | Turn the key to unlock position |
| Main Circuit 11-42 21-52 | Closed | Open | Open | Open |
| Monitor Circuit 31-32 | Closed | Closed | Open | Closed |
| Monitor Circuit 33-34 | Open | Open | Closed | Open |
| Monitor Circuit 61-62 | Closed | Open | Open | Open |
| Monitor Circuit 63-64 | Open | Closed | Closed | Closed |
| Spring Lock Type (HS1L-□4) Solenoid Power A1-A2 | Off | On | Off / On | Off |
| Solenoid Lock Type (HS1L-□7Y) Solenoid Power A1-A2 | On | Off | Off / On *12 | Off *11 *12 |
|
|
|
|
![]()
*11 Do not attempt manual unlocking when the solenoid is energized.
*12 Do not energize the solenoid for a long time while the door is open or when the door is unlocked manually.
Wiring
Wire Length inside the Safety Switch

* Do not remove the wires of the terminals 12-41 and 22-51, because these terminals are interconnected in factory for safety circuit inputs. Use terminals 11-42 or 21-52 for safety circuit inputs.

Terminal Number Identification

When wiring, the terminal number on each contact is identified by connector number. The following shows the identification of terminal number.

Applicable Wire Size in Cable Side Applicable Connector
: 0.05 to 0.86mm2
(AWG30 to 18)
* Confirm application of Receptacle Contact to use.
* When using a stranded wire, make sure that adjoining terminals are not short-circuited with protruding core wires. Also, do not solder the core wires to avoid protruding wires.
Internal Connectors
The connector built in the safety switch
Tab housing : 1-1903130-4 (8pin) (made by Tyco Electronics AMP K.K.)
The connector built in the safety switch
Tab housing : 1-1903130-2 (4pin) (made by Tyco Electronics AMP K.K.)
Cable side applicable connector (option) D-1200D series (made by Tyco Electronics AMP K.K.)
Receptacle housing : 1-1827864-4 (8pin)
Cable side applicable connector (option) D-1200D series (made by Tyco Electronics AMP K.K.)
Receptacle housing : 1-1827864-2 (4pin)
Receptacle contact :1827586-2 (Applicable cable size : AWG30 to 28, loose piece)
1827587-2 / 1827588-2 (Applicable cable size : AWG28 to 22, loose piece)
1827589-2 (Applicable cable size : AWG22 to 18, loose piece)
* To prepare correct Cable side appricable connector for the connector type, read the instruction sheet and catalog of Tyco Electronics AMP K.K. and understand the installation and wiring method.
Conduit Hole Connectors
Use a connector with a degree of protection IP67. Applicable connector dimensions: See the figure on the right.
- When using flexible conduit and metal connector
Applicable Flexible Conduit Example: Type VF-03 (made by Nihon Flex)
Applicable Metal Connector Example:
(G1/2) Type RLC-103 (made by Nihon Flex)
(PG13.5) Type RBC-103PG13.5 (made by Nihon Flex)
(M20) Type RLC-103EC20 (made by Nihon Flex)
- When using plastic connector, metal connector and multi-core cable
(G1/2) Applicable Plastic Connector Example : Type SCS-10□ (made by Seiwa Electric)
Applicable Metal Connector Example : Type ALS-16□□ (made by Nihon Frex)
(PG13.5) Applicable Plastic Connector Example : Type ST13.5 (made by LAPP)
Applicable Metal Connector Example : Type ABS-□□PG13.5 (made by Nihon Flex)
(M20) Applicable Plastic Connector Example : Type ST-M20×1.5 (made by LAPP)
Applicable Metal Connector Example : Type ALS-□□EC20 (made by Nihon Flex)
Note : Confirm the outside diameter of the multi-core cable, the connector type depends on the outside diameter of multi-core cable.
Note : When using ST-M20×1.5, use with gasket GP-M (Type No: GPM20, made by LAPP).
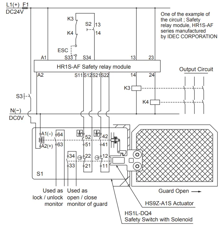
Example of wiring Diagram realizing Safety Category
Example of a circuit diagram for Safety Category 3 (attainable PL = d)
(Condition 1: To apply the fault exclusion of mechanical structural parts including the actuator
→ Make sure to use the product within he product specification range described in his manual and the version of the manual provided wi h the product.)
(Condition 2: Documentation of the reason for the machine/equipment manufacturer to have applied the fault exclusion based on ISO13849-1, ISO13849-2 or IEC62061.)

S1: HS1L-DQ4 Safety Switch with Solenoid
S2: Starting Switch (HW Series Momentary)
S3: Unlocking Enabling Switch
S4: Safety limit Switch
ESC: Outside start condition
K3, 4: Safety Contactor
F1: Outside fuse of safety relay module at power supply line
Example of a circuit diagram for Safety Category 4
(attainable PL = e)
Example of a circuit diagram for Safety Category 4 (attainable PL = e)

Note: Use the monitoring device(Safety relay module) provided the capability to detect a cross short circuit. The insulation of the cable has to withstand environmental influences. If a control device other than the one shown in the draft is used, the used control device has to be equipped with a cross short circuit monitor.
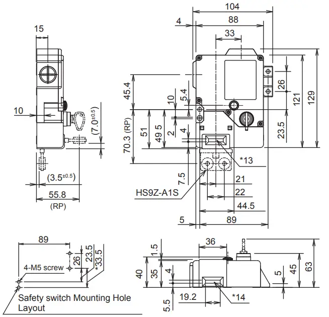
Dimensions (mm)
Safety Switch dimensions
RP: Actuator mounting reference position

Use this mounting hole when a strong actuator retention force is imposed to he actuator entry slot vertical to the mounting panel.

*13 The actuator entry slot vertical to the mounting panel
*14 The actuator entry slot horizontal to the mounting panel
Type : HS9Z-A1S Type : HS9Z-A2S
Note: Use the slot plug attached to the safety switch to close the unused actuator entry slot.
Note: When the actuator entry slot vertical to the moutning panel is used: Install the interlock switch on he panel using four mounting screws.
When the actuator entry slot horizontal to the mounting panel is used: Install the interlock switch on he panel using three mounting screws.
Accessories dimensions
Type : HS9Z-A1S

Type : HS9Z-A2S

Type : HS9Z-A3S

Precaution for Disposal
Dispose of the HS1L-C safety switch as an industrial waste.
Manufacturer: IDEC CORP.
2-6-64 Nishimiyahara Yodogawa-ku, Osaka 532-0004, Japan
EU Authorized Representative:IDEC Elektrotechnik GmbH
Heselstuecken 8, D-22453 Hamburg, Germany
DECLARATION OF CONFORMITY
We, IDEC CORPORATION 2-6-64, Nishimiyahara Yodogawa-ku,Osaka 532-0004, Japan declare under our sole responsibility that the product:
Description: Safety Switch
Model No: HS1L-C
to which this declaration relates is in conformity with the EC Directive on the following standard(s) or other normative document(s). In case of alteration of the product, not agreed upon by us, this declaration will lose its validity.
Applicable EC Directive : Low Voltage Directive (2014/35/EU) Machinery Directive (2006/42/EC)
Applicable Standard(s) : EN 60947-5-1,GS-ET-19

































