INSTRUCTION SHEET
Original Instructions
Solenoid Type Safety Switch
HS1C Series![]()
HS1C Solenoid Type Safety Switch
Thank you for purchasing this IDEC product. Confirm that the delivered product is what you have ordered. Read this instruction sheet to make sure of correct operation.
SAFETY PRECAUTIONS
In this operation instruction sheet, safety precautions are categorized in order of importance to Warning and Caution :
WARNING
Warning notices are used to emphasize that improper operation may cause severe personal injury or death.
CAUTION
Caution notices are used where inattention might cause personal injury or damage to equipment.
Type
*1 Type Nos. in [ ] are not supplied as standard. Contact IDEC if required.
Specifications and Ratings
| Applicable Standards | EN ISO / ISO14119 IEC60947-5-1, EN60947-5-1 GS-ET-19, UL508 CSA C22.2 No.14, GB14048 5 | ||||||
| Standards for Use | IEC60204-1/ EN60204-1 | ||||||
| Applicable Directives | Low Voltage Direc ive, Machinery Directive | ||||||
| Operating Condition | Operating Temperature …….. -25 to +50°C (no freezing) Operating Humidity ……….. 45 to 85%RH (no condensation) Pollution Degree ……………. 3 Al itude …………………… 2,000m maximum | ||||||
| Inpulse withstand voltage ‹Uimp› | 4kV (Between ground and LED, solenoid circuit : 2.5kV) | ||||||
| Raed Insulation voltage ‹Ui› | 300V (Between ground and LED, solenoid circuit : 60V) | ||||||
| Thermal Current ‹Ith› | Main Circuit : 10A, Auxiliary Circuit : 3A | ||||||
| Contact Ra ings (Reference Values) ‹Ue , Ie› | 30V | 125V | 250V | ||||
| Main Circuit | A C | Resistive load (AC-12) | 10A | 10A | 6A | ||
| Induc ive load (AC-15) | 10A | 5A | 3A | ||||
| D C | Resistive load (DC-12) | 6A | – | – | |||
| Induc ive load (DC-13) | 3A | 0.9A | – | ||||
| Auxiliary Circuit | A C | Resistive load (AC-12) | – | 3A | 3A | ||
| Induc ive load (AC-15) | – | – | 3A | ||||
| D C | Resistive load (DC-12) | 3A | – | – | |||
| Induc ive load (DC-13) | 3A | 0.9A | – | ||||
| Class of Protection | Class I ( EC61140) *2 | ||||||
| Operating Frequency | 900 operations/hour | ||||||
| Operating Speed | 0.05 to 1.0 m/s | ||||||
| B10d | 2,000,000 (EN ISO 13849-1 Annex C Table C.1) | ||||||
| Mechanical Durability | 1,000,000 operations min. (GS-ET-19) | ||||||
| Electrical Durability | 100,000 opera ions min. (AC-12 250V•6A) 1,000,000 operations min. (AC/DC 24V 100mA) (900 operations / hour) | ||||||
| Shock Resistance | Damage Limits : 1,000m/s2 | ||||||
| Vibration Resistance | Operating Extremes :10 to 55Hz, half amplitude 0.5mm Damage Limits : 30Hz, half amplitude 1.5mm | ||||||
| Actuator Tensile Strength when Locked | Fzh=1,500N minimum F1max.=1,950N minimum (GS-ET-19) *3, *4 | ||||||
| Direct Opening Travel | 11 mm minimum | ||||||
| Direct Opening Force | 20 N minimum | ||||||
| Contact Resistance | 100 mΩ maximum (Ini ial value) | ||||||
| Degree of Protection | IP67 (IEC60529) | ||||||
| Conditional short circuit current | 100A(250V) | |
| Short-Circuit Protective Device | 250V AC,10A fast acting type fuse | |
| Solenoid | Rated Operating Voltage | 24VDC |
| Rated Current | 415mA | |
| Turn ON Voltage | Rated Voltage × 85% maximum (at 20°C) | |
| Turn OFF Voltage | Rated Voltage × 10% minimum (at 20°C) | |
| Rated Power Consumption | Approx. 10W | |
| Indicator | Rated Operating Voltage | 24VDC |
| Rated Current | 10mA | |
| Light Source | LED lamp | |
| Illumination Color | R(Red), G(Green) (Φ12Lens) | |
Ratings approved by safety agencies
- TÜV rating
AC-15 250V, 3A - UL, c-UL rating
3A, 250V ac, General Use
3A, 30V dc, Resistive - CCC rating
AC-15 250V, 3A
DC-13 125V, 0.9A
*2 Basic insulation of 4kV impulse withstand voltage is ensured between different contact circuits and between contact circuits and LED or solenoid in the enclosure.
When both SELV (safety extra low voltage) or PELV (protective extra low voltage) circuits and other circuits (such as 230V AC circuits) are used for the solenoid power and contact circuits at the same time, the SELV or PELV requirements are not met any more.
*3 The actuator locking strength is rated at 1,500N of static load. Do not apply a load higher than the rated value. When a higher load is expected to work on the actuator, provide an additional system consisting of another safety switch without lock (such as the HS5D safety switch) or a sensor to detect door opening and stop the machine.
*4 F1max. is maximum force. The actuator’s guard-locking force Fzh is calculated in accodance with GS-ET-19 :
Mounting Examples
• Install the interlock switch on the immovable machine or guard, and install the actuator on the movable door. Do not install both interlock switch and actuator on the movable door, otherwise he angle of insertion of the actuator to he safety switch may become inappropriate, and failure will occur.
Minimum Radius of Hinged Door
When using the safety switch for a hinged door, the minimum radius of the applicable door is shown in the following figures.
When he center of the hinged door is on the extension line of he actuator mounting surfase.
When the center of the hinged door is on the extension line of the contact surface of actuator and safety switch.
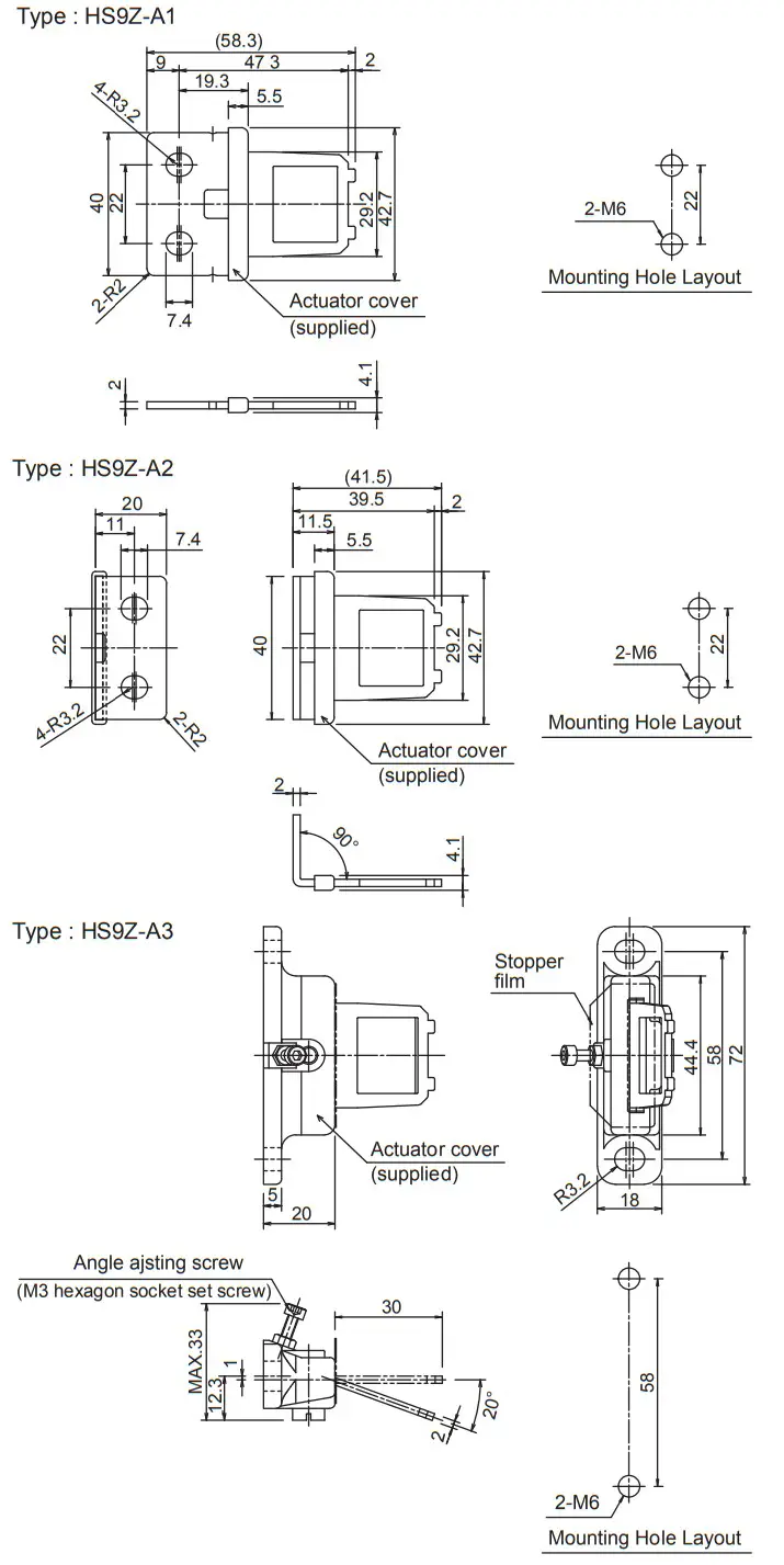
- L-shaped actuator : HS9Z-A2

- Adjustable actuator : HS9Z-A3

CAUTION
The figures shown above are based on the condition that the actuator enters and exits the actuator entry slot smoothry when the door is closed or opened. Since there may be deviation or dislocation of the hinged door, make sure of correct operation in the actual application before installation.
Actuator Mounting Reference Position
• As shown below, the mounting reference position of the actuator inserted into the safety switch is the actuator cover or stop film touches the safety switch ligh ly. (After mounting the actuator, remove the actuator cover or stop film from the safety switch.)
Note : During installation, ensure that there is no excess force applied between the safety switch and actuator by installing a door stopper as shown in the image.
Actuator Mounting Tolerance
- Mounting tolerance of the actuator is 1.0mm from the center of the actuator to up, down, right, and, left.
- Make sure the actuator can be inserted into the entry slot without any issue.

- Actuator can move 3.8mm (HS9Z-A1 and -A2) / 2.7mm (HS9Z-A3) from the mounting position without affecting the contact operation.


- When closing the door (when actuator is inserted into safety switch), the solenoid is locked as the actuator has reached at approx. 6.4mm (HS9Z-A1 and -A2) / 5.3mm (HS9Z-A3) to the moun ing reference position.

CAUTION
*5 To ensure that the door locks correctly, install the actuator in a position that is within 6.4 mm (HS9Z-A1 and -A2) / 5.3 mm (HS9Z-A3) of the standard installation position. If the actuator is not in the correct position, the door will not lock and there is a risk that an incorrect safety circuit may turn ON.
Recommended Screw Tightening Torque
Name or Use | Screw Tightening Torque |
| For mounting the safety switch (M5 hexagon socket head cap screw) *6 | 4.5~5.5 N•m |
| For moun ing the actuator (M6 hexagon socket head cap screw) *6 | 4.5~5.5 N•m |
| For moun ing the lid (M4) | 1.1~1.3 N•m |
| Connector (G1/2) | 2.7~3.3 N•m |
| Plug for Unused Conduit Hole (G1/2) | 1.8~2.2 N•m |
| Screw Terminal No.1 to 6 (M3) | 0.4~0.6 N•m |
| Screw Terminal No.7,8 (M3.5) | 0.9~1.1 N•m |
| Ground Terminal screw (M4) | 0.9~1.1 N•m |
| Angle adjusting screw of HS9Z-A3 (M3 hexagon socket head cap screw) | 0 8 N•m |
CAUTION
*6 When the torque is not enough to recommended screw tightening torque, make sure that the screw do not become loose by using adhesive sealants etc. to keep right opera ion and mounting positioning.
Adjusting the Angle Adjustable Actuator (HS9Z-A3)
- Using the angle adjusting screw (M3 hexagon socket head screw), the actuator angle can be adjusted up to 20°.
- The larger the actuator angle, the smaller the applicable radius of the door swing. After installing the actuator, open the door. Then adjust the actuator angle so that the actuator enters the entry slot of the safety switch properly.

- After adjusting the actuator angle, apply loctite or the like on the adjusting screw to prevent loosening.
Precautions for Operation
Installation
- Do not apply an excessive shock to the safety switch when opening or closing the door. A shock to the safety switch exceeding 1,000 m/s 2 may cause failure.
- Provide a door guide, and ensure that force is applied on the safety switch only in the actuator insertion direction.
- Do not pull the actuator while it is locked. Also, regardless of door types, do not use the safety switch as a door lock. Install a separate lock as shown in item 3.
- When opening the safety switch lid to wire, open the lid 1 only. (See the figure on the right.)Never remove other screws, otherwise the safety switch may be damaged.

- The safety switch cover can be only removed or installed with the special L-shaped key wrench supplied with the switch.
- Make sure to install the product in a place where it cannot be damaged. Make sure to conduct a proper risk assessment evaluation before using the product, and use a shield or a cover to protect the product if need be.
- Solenoid has polarity. Be sure to wire correctly. Do not apply voltage that exceed the rated voltage, otherwise the solenoid will be burnt out.
- Avoid foreign objects such as dust, liquid, and oil from entering the switch while connecting a conduit or wiring.
- Entry of foreign objects in the actuator entry slot may affect the mechanism of the switch and cause a breakdown. If the operating atmosphere is contaminated, use a protective cover to prevent the entry of foreign objects into the switch through the actuator entry slots.
- Use only the designated actuator for the HS1C. Other actuators will cause a breakdown of the switch.

WARNING
- Turn off the power to the safety switch before starting installation, removal, wiring, maintenance, and inspection on the safety switch. Failure to turn power off may cause electrical shocks or fire hazard.
- Use wires of a proper size to meet voltage and current requirements. Tighten the terminal screws to a recommended tightening torque of 1.0N・m. Loose terminal screws will cause unexpected heating and fire hazard during operation.
CAUTION
- Regardress of door types, do not use the safety switch as a door stop. Install a mechanical door stop at the end of the door to protect the safety switch against an excessive force.
- Mount the actuator so that it will not hit the operator when the door is open, o herwise injury may be caused.
- Pay attention to the management of spare actuator. Safety function of door interlock switch will be lost in case the spare actuator is inserted into the interlock switch. Ensure that the actuator is firmly fastened to the door (welding, rivet, special screw) in the appropriate location, so that the actuator cannot be removed easily.
- Do not cut or remodel the actuator, otherwise failure will occur.
- If multiple safety components are wired in series, the Performance Level to ISO13849-1 will be reduced due to the restricted error detection under certain circumstance.
- The insulation of the cable has to withstand environmental influences.
- The entire concept of the control system, in which the safety component is integrated, must be validated to ISO13849-2.
Manual Unlocking
- The HS1C allows manual unlocking of the actuator to precheck door operation before wiring or turning on power, as well as for emergency use such as a power failure.
- Remove the screw from the side of the safety switch using the wrench for mounting the lid. Push the lever inside the safety switch towards the pilot light using a small screwdriver until the actuator is unlocked. See the figure on the right.

CAUTION
- Before manually unlocking the safety switch, make sure the machine has come to a complete stop. Manual unlocking during operation may unlock the switch before the machine stops, and the function of safety switch with solenoid is lost.
- After the unlocking operation, be sure to turn the screw to the original position for safety.
Contact Operation
Contact Configuration
CAUTION
*7 The Actuator is inserted , and HS1C is locked.
Operation Cycle
| Closed | Closed | Open | ||
| Type HS1C-□44R-□ | Main Circuit | 3-4 : Closed | 3-4 : Open | 3-4 : Open |
| Auxiliary Circuit | 1-2 : Open | 1-2 : Closed | 1-2 : Closed | |
| Solenoid Power | 5-6 : Off | 5-6 : On | 5-6 : Off | |
| Type HS1C-□144R-□ | Main Circuit | 3-4 : Closed | 3-4 : Open | 3-4 : Open |
| Auxiliary Circuit | 1-2 : Open | 1-2 : Open | 1-2 : Closed | |
| Solenoid Power | 5-6 : Off | 5-6 : On | 5-6 : Off | |
| Type HS1C-□244R-□ | Main Circuit | 3-4 : Closed | 3-4 : Open | 3-4 : Open |
| Auxiliary Circuit | 1-2 : Closed | 1-2 : Open | 1-2 : Open | |
| Solenoid Power | 5-6 : Off | 5-6 : On | 5-6 : Off | |
| Type HS1C-□344R-□ | Main Circuit | 3-4 : Closed | 3-4 : Open | 3-4 : Open |
| Auxiliary Circuit | 1-2 : Closed | 1-2 : Closed | 1-2 : Open | |
| Solenoid Power | 5-6 : Off | 5-6 : On | 5-6 : Off | |
| • Door is locked. • The machine can be operated. | • Door is unlocked. • The machine can not be operated. | • The machine can not be operated. | ||
Wiring
Wire Length inside the Safety Switch
| Screw Terminal No. | Through Conduit Hole | |||
| 1 | 2 | 3 | ||
| Wire Length : L1(mm) | 1 | 30±2 | 45±2 | 70±2 |
| 2 | 30±2 | 50±2 | 65±2 | |
| 3 | 25±2 | 55±2 | 60±2 | |
| 4 | 25±2 | 60±2 | 55±2 | |
| 5 | 30±2 | 65±2 | 50±2 | |
| 6 | 30±2 | 70±2 | 45±2 | |
| 7 | 65±2 | 35±2 | 110±2 | |
| 8 | 65±2 | 110±2 | 35±2 | |
| E | 85±2 | 45±2 | 45±2 | |
| Wire Stripping Leng h : L2 (mm) | 7±1 | |||
Recommended Wire Core Size
Screw Terminal No.1, 2, 5, 6, 7, 8 : 0.5 to 0.75 mm 2
Screw Terminal No 3, 4, E : 1.0 to 1.25 mm 2
Applicable Crimping Terminal
Screw Terminal No. 1 to 6 : Direct Wiring Using a solid or standed wire
Note : When using a stranded wire, make sure that adjoining terminals are not short-circuited with protruding core wires. Also, do not solder the core wires to avoid protruding wires.
<Ferrules> : Recommended ferrules (Phoenix Contact)
| Type No. | Applicable Wire |
| AI 0.75-8 GY | 0.5 to 0.75mm2 |
| AI 1.0-8 RD | 0.75 to 1.0mm2 |
| AI 1.5-8 BK | 1.0 to 1.5mm2 |
Crimping Tool : CRIMPFOX UD6
Screw Terminal No. 7,8:
Terminal Screw (M3.5)
Screw Terminal No. E:
Ground Terminal Screw (M4)
Note : Make sure to use an insulation tube on the crimping terminal.
Applicable Connectors
Use a connector with a degree of protection IP67.
- When using flexible conduit and metal connector
Applicable Flexible Conduit Example
: Type VF-03 (made by Nihon Flex)
Applicable Metal Connector Example (G1/2)
: Type RLC-103 (made by Nihon Flex) - When using plastic connector, metal connector and multi-core cable (G1/2)
Applicable Plastic Connector Example : Type SCS-10□ (made by Seiwa Electric)
Applicable Metal Connector Example : Type ALS-16□□ (made by Nihon Frex)
Note : Confirm the outside diameter of the multi-core cable, the connector type depends on the outside diameter of multi-core cable.
Example of wiring Diagram realizing Safety Category
Example of a circuit diagram for Safety Category 3 (attainable PL = d)
(Condition 1: To apply the fault exclusion of mechanical structural parts including the actuator
→ Make sure to use the product within he product specification range described in his manual and the version of the manual provided wi h the product.)
(Condition 2: Documentation of the reason for the machine/equipment manufacturer to have applied the fault exclusion based on ISO13849-1, ISO13849-2 or IEC62061.)
S1: HS1C-24 Safety Switch with Solenoid
S2: Starting Switch (HW Series Momentary)
S3: Unlocking Enabling Switch
S4: Safety limit Switch
ESC: Outside start condition
K3, 4: Safety Contactor
F1: Outside fuse of safety relay module at power supply line
Example of a circuit diagram for Safety Category 4 (attainable PL = e)
Note: Use the monitoring device(Safety relay module) provided the capavility to detect a cross short circuit. The insulation of the cable has to withstand environmental influences. If a control device other than the one shown in the draft is used, the used control device has to be equipped with a cross short circuit monitor.
Dimensions (mm)
Safety Switch dimensions
Accessories dimensions
Precaution for Disposal
Dispose of the HS1C safety switch as an industrial waste.
IDEC CORPORATION
http://www.idec.com
Manufacturer: IDEC CORP.
2-6-64 Nishimiyahara Yodogawa-ku, Osaka 532-0004, Japan
EU Authorized Representative:IDEC Elektrotechnik GmbH
Heselstuecken 8, D-22453 Hamburg, Germany
DECLARATION OF CONFORMITY
We, DEC CORPORATION 2-6-64, Nishimiyahara Yodogawa-ku,Osaka 532-0004, Japan declare under our sole responsibility that the product:
Description: Safety Switch
Model No: HS1C
to which this declaration relates is in conformity with the EC Directive on the following standard(s) or other normative document(s). In case of alteration of the product, not agreed upon by us, this declaration will lose its validity.
Applicable EC Directive : Low Voltage Directive (2014/35/EU)
Machinery Directive (2006/42/EC)
Applicable Standard(s) : EN 60947-5-1,GS-ET-19
INSTRUCTION SHEET – HS1C Series Solenoid Type Safety Switch
2016.08
B-1909-1(0)





























