
HIGH SECURITY CONTACT SWITCH MODEL
HSC-1
INSTALLATION, OPERATION AND
INSTRUCTION MANUAL
WARRANTY INFORMATION
The essential purpose of any sale or contract for sale of any of the products listed in the POTTER catalog or price list is the furnishing of that product. It is expressly understood that in furnishing said product, POTTER does not agree to insure the Purchaser against any losses the Purchaser may incur, even if resulting from the malfunction of said product.
POTTER warrants that the equipment herein shall conform to said descriptions as to all affi rmations of fact and shall be free from defects of manufacture, labeling and packaging for a period of one (1) year* from the invoice date to the original purchaser, provided that representative samples are returned to POTTER for inspection. Upon a determination by POTTER that a product is not as warranted, POTTER shall, at its exclusive option, replace or repair said defective product or parts thereof at its own expense except that Purchaser shall pay all shipping, insurance and similar charges incurred in connection with the replacement of the defective product or parts thereof. This Warranty is void in the case of abuse, misuse, abnormal usage, faulty installation or repair by unauthorized persons, or if for any other reason POTTER determines that said product is not operating properly as a result of causes other than defective manufacture, labeling or packaging.
THE AFORESAID WARRANTY IS EXPRESSLY MADE IN LIEU OF ANY OTHER WARRANTIES, EXPRESSED OR IMPLIED, IT BEING UNDERSTOOD THAT ALL SUCH OTHER WARRANTIES, EXPRESSED OR IMPLIED, INCLUDING THE WARRANTIES OF MERCHANTABILITY AND FITNESS FOR PARTICULAR PURPOSE ARE HEREBY EXPRESSLY EXCLUDED. IN NO EVENT SHALL POTTER BE LIABLE TO PURCHASER FOR ANY DIRECT , COLLATERAL, INCIDENTAL OR CONSEQUENTIAL DAMAGES IN CONNECTION WITH PURCHASER’S USE OF ANY OF THE PRODUCTS LISTED HEREIN, OR FOR ANY OTHER CAUSE WHATSOEVER RELATING TO THE SAID PRODUCTS.
NEITHER POTTER NOR ITS REPRESENTATIVES SHALL BE LIABLE TO THE PURCHASER OR ANYONE ELSE FOR ANY LIABILITY , CLAIM, LOSS, DAMAGE OR EXPENSE OF ANY KIND, OR DIRECT COLLATERAL, INCIDENTAL OR CONSEQUENTIAL DAMAGES RELATIVE TO OR ARISING FROM OR CAUSED DIRECTLY OR INDIRECTLY BY SAID PRODUCTS OR THE USE THEREOF OR ANY DEFICIENCY , DEFECT OR INADEQUACY OF THE SAID PRODUCTS. IT IS EXPRESSLY AGREED THAT PURCHASER’S EXCLUSIVE REMEDY FOR ANY CAUSE OF ACTION RELATING TO THE PURCHASE AND/OR USE OF ANY OF THE PRODUCTS LISTED HEREIN FROM POTTER SHALL BE FOR DAMAGES, AND POTTER’S LIABILITY FOR ANY AND ALL LOSSES OR DAMAGES RESULTING FROM ANY CAUSE WHATSOEVER, INCLUDING NEGLIGENCE, OR OTHER FAULT , SHALL IN NO EVENT EXCEED THE PURCHASE PRICE OF THE PRODUCT IN RESPECT TO WHICH THE CLAIM IS MADE, OR AT THE ELECTION OF POTTER, THE RESTORATION OR REPLACEMENT OR REPAIR OF SUCH PRODUCT .
POTTER ELECTRIC SIGNAL COMPANY , LLC
St. Louis, MO
(866) 956-1211 (314) 595-6900 FAX (314) 595-6999
www.pottersignal.com
GENERAL DESCRIPTION
The model HSC, a High Security Contact switch is listed by Underwriters Laboratories, Inc. and Underwriters Laboratories of Canada for monitoring the open or closed position of safe and vault doors. The switch includes design features, which makes it highly defeat resistant in critical environments.
FEATURES
- Triple-biased, SPDT (Form C) reed alarm switches in the switch unit with a magnet array in the magnet unit, makes the defeat of the switch with an external magnet virtually impossible.
- Magnetic fi eld tamper output added to further resist defeat with an external magnet or magnet array assembly.
- Hidden pry tamper, SPST (Form A) alarm switch output.
- For indoor / outdoor use.
- Lead type-8 foot fl exible stainless steel armored cable.
- Narrow housing allows for mounting on narrow door frames
- Grey powdercoat aluminum housings with protective end caps.
SPECIFICATIONS
- Dimensions: 4 5/16” W x 1” H x 29/32” D
- Switch Contact Rating:
30 VDC max. switching voltage
250 mA max. switching current
3 Watts max. power rating - Warning: Each electrical rating is an individual maximum and must not be exceeded.
- Tamper Contact Rating:
30 VDC max. switching voltage
250 mA max. switching current
3 Watts max. power rating
Warning: Each electrical rating is an individual maximum and must not be exceeded. - Ambient temperature range: -31°F (-35°C) to 151°F (66°C)
- Optional Accessory: (L) Bracket-HSC Mounting
ORDERING INFORMATION
| HSC-1 | HSC-1 SPDT Stk. (L) Bracket-HSC Mounting Spacer Bracket Stk. | Stk. No. 2020350 Stk. No. 5160248Stk. No. 5160260 |
MOUNTING AND INSTALLATION
Warning: The High Security Contact switch unit and magnet were manufactured and tested as a set. They must be installed as a set to insure proper operation.
For UL High Security Level 1 installations:
- When installed on the unprotected side – door must be outward swinging.
- When installed on the protected side – door must be inward swinging.
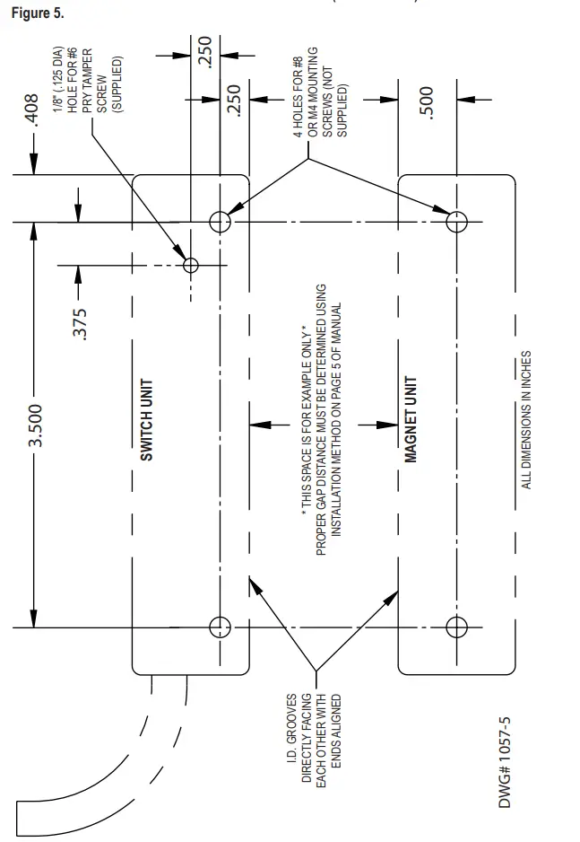
Locate the desired mounting location of the switch unit (preferably at the top of a door frame as far as possible from the hinges.) In planning for mounting of the HSC, note that the switch and magnet must be oriented correctly. The switch and magnet must be aligned in the same plane and be at a defi ned operating distance apart. Note the I.D. groove along the side of each housing.
Position the switch and magnet so that the I.D. grooves are facing each other and the end of the magnet aligns with the end of the switch.
The maximum and minimum operating distance (gap distance) is the distance at which the unit will report secure. If the magnet is too close to the switch unit or too far away, the unit will alarm. The gap distance for the HSC is approximately .20”-.60”. However, environmental conditions and the type of surface mounting material and its thickness may slightly alter the actual gap distance and the minimum distance at which the gap starts for your particular installation. For best reliability, it is recommended that the unit be mounted at the midpoint of the actual gap distance of the unit.
The optimum midpoint of the gap distance can be determined by the following recommended installation method:
- With the switch located and magnet oriented correctly on the mounting surface, monitor the closed loop wires of the switch. Slowly advance the magnet toward the switch until the circuit closes and mark the mounting surface at the leading edge of the magnet housing.
- Continue to slowly advance the magnet toward the switch until the circuit opens and once again mark the mounting surface at the leading edge of the magnet housing.
- Position the leading edge of the magnet at the midpoint of the two marks.
- Use the supplied switch and magnet templates (See fi gure 5) to mark the mounting holes.
- Pre-drill the pilot holes for #8 or M4 mounting screws (not supplied).
- For High Security Certifi ed Safe and Vault applications a pry tamper is required. For these applications, also use the switch template to mark the pry tamper screw location.
- Pre-drill a .125 dia. pilot hole for the #6 pry tamper screw. Install the supplied #6 oval head pry tamper screw fl ush to the mounting surface. The fl ush screw head yields the correct height to actuate the pry tamper switch on the back of the switch unit.
- Mount the switch and magnet units using #8 or M4 mounting screws (not supplied).
- Connect leads as shown in wiring diagrams per fi gure 1 and check for proper operation.
OPERATION
The following operating features and conditions exist with the switch and magnet units in its secured condition (positioned, mounted, and wired correctly):
- Triple Biased Switch Operation – The three biased switches will be in the closed position when the switch is in its secured condition. Opening of the door or removal of the switch unit or magnet unit will cause an alarm condition.
- Pry Tamper Operation – The pry tamper switch will be in the closed position when the switch is in its secured condition (depressed by tamper screw). Removal of the switch unit from the mounting surface will cause a tamper alarm condition.
- Magnetic Tamper Operation – applying an external magnet in an attempt to defeat the switch will operate a normally closed switch causing a magnetic tamper alarm condition.
WIRING
Warning: A color code wire designation is located on the wire ends. Be sure to label wires before shortening lead lengths.
If the alarm system provides for a 24-hour supervision circuit, connect the magnetic and pry tampers to that circuit. This wiring confi guration will signal an alarm condition when the switch unit is tampered with, whether the door is open or closed. Figure 2a. shows an example of this wiring confi guration.
If the alarm system does not provide for a 24-hour supervision circuit, connect the magnetic and pry tampers in series with the switch in the alarm protective circuit. This wiring confi guration will create an alarm condition when the switch unit is tampered with, but only when the door is closed in the secure position. Figure 2b. shows an example of this wiring confi guration.
Either confi guration of connecting the HSC supervisory circuits complies with Underwriters’ Laboratories UL 681 installation standards.
WIRING DIAGRAM
Figure 1.




DIMENSIONS


POTTER ELECTRIC SIGNAL COMPANY , LLC
St. Louis, MO
(866) 956-1211 (314) 595-6900 FAX (314) 595-6999
www.pottersignal.com
Manual #5401057 Rev L 2/16



















