SI-MAG Non-Contact Magnetic Safety Interlock Switch
Instruction Manual
Product Overview
SI-MAG Non-Contact Magnetic Safety Interlock Switch for interlocking and position monitoring
- A two-piece coded magnetic field safeguarding device
- One switch and coded magnet properly placed on a door can achieve the highest levels of safety (Control Reliable, Cat 4, PL e or SIL CL 3) when properly monitored by a Safety Monitoring Module
- Accommodating to misalignment
- Coded magnets minimize the risk of intentional defeat
- Sealed components resist water and dirt
- Three housing styles are available for flat or 30 mm barrel mounting
- Can be used for safety or non-safety interlocking and position monitoring
Models
Magnet/Sensor Pair | Magnet Sensor | Coded Magnet | ||
Model | Connection | |||
![]() | SI-MAGBISM | 3 m cable with flying leads | ||
| SI-MAGB1SMCO | 3 m cable with flying leads; cable SI-MAGB1MM (Switching distance: 4 mm to 14 opposite mm) | |||
| — SI-MAGB1SMQD | OR 4-pin M8 QD connector SI-MAGB1MM90 (90° orientation) (Switching | |||
| SI-PAAGBISMCOQD | distance: 4 mm to 14 mm) OR 4-pin M8 QD connector: connector SI-MAGB1MMHF (Switching distance: 8 mm to 16 opposite mm) | |||
![]() | 31-MAGB2SM | 3 m cable with flying leads | ||
| Sl-MAGB2SMQD | 4-pin M8 OD connector | SI-MAGB2MM (Switching distance: 3 mm to 14 mm) | ||
![]() | Sl-MAGB3SM | 3 m cable with flying leads | ||
| Sl.MAGB3SMQD | SI-MAGB3MM (Switching distance: 5 mm to 14 4-pin M12 QD connector 1 mm) | |||
The magnet sensors listed have a 3 m (10 ft) cable. To order 9 m (30 ft) cables models, add w/30 to the model number (e.g. SI-MAGB1SM w/30). To order non-UL approved units, remove the B; only flying lead models are available as non-UL approved models.
A basic SI-MAG system requires an SI-MAG sensor, coded magnet, cable (for QD versions), and a safety monitoring device.
Note: This manual also applies to the older magnetic switches, specifically the models that do not contain the ‘B’ in their model name.
Important… Read this before proceeding!
The user is responsible for satisfying all local, state, and national laws, rules, codes, and regulations relating to the use of this product and its application. Banner Engineering Corp. has made every effort to provide a complete application, installation, operation, and maintenance instructions. Please contact a Banner Applications Engineer with any questions regarding this product.
The user is responsible for making sure that all machine operators, maintenance personnel, electricians, and supervisors are thoroughly familiar with and understand all instructions regarding the installation, maintenance, and use of this product, and the machinery it controls. The user and any personnel involved with the installation and use of this product must be thoroughly familiar with all applicable standards, some of which are listed within the specifications. Banner Engineering Corp. makes no claim regarding a specific recommendation of any organization, the accuracy or effectiveness of any information provided, or the appropriateness of the provided information for a specific application.
EU Declaration of Conformity (DoC)
Banner Engineering Corp. herewith declares that these products are in conformity with the provisions of the listed directives and all essential health and safety requirements have been met. For the complete DoC, please go to www.bannerengineering.com.
| Product | Directive |
| SI-MAG Non-Contact Magnetic Safety Interlock Switch | 2006/42/EC |
Representative in EU: Peter Mertens, Managing Director, Banner Engineering BV. Address: Park Lane, Culliganlaan 2F, bus 3,1831 Diegem, Belgium.
Overview
The SI-MAG Non-Contact Magnetic Safety Interlock Switch is a magnetically operated position switch based on reed contact technology.
The switching function is triggered by a permanent magnet approaching the active face or side. The operating distance depends on the size, strength, and direction of the actuating magnet and on the sensitivity of the reed contact.
Use the SI-MAG Safety Switch to monitor the position of a guard to detect its movement, opening, or removal. A “guard” can be a gate, door, cover, panel, barrier, or other physical means that separates an individual from a hazard. Safety switches will issue a signal to the machine control system to prevent or stop (halt) hazardous situations when the guard is not in the proper position. These switches are designed for non-locking guarding applications unless another means of locking is provided.
The SI-MAG Safety Switch is considered a Type 4 interlocking device per ISO 14119 that is actuated when the coded magnetic field interacts with the actuator (magnet) typically mounted on the guard. The coding of the SI-MAG Safety Switch is considered low because any coded magnet can work with any of the same body style switches.
Applications involving the use of magnetic safety interlock switches should take into consideration the following standards:
- ISO 13849-1/2 – Safety of Machinery – Safety Related Parts of Control Systems
- ISO 12100 – Safety of Machinery – Risk Assessment and Risk Reduction
- ISO 14119 – Safety of Machinery – Interlocking Devices Associated with Guards
- ANSI B11.0 – Safety of Machinery – General Requirements and Risk Assessment
- ANSI B11.19 – Performance Criteria for Safeguarding
Installation Instructions
Installation Requirements
The following general requirements and considerations apply to the installation of interlocked gates and guards for the purpose of safeguarding. In addition, the user must refer to the relevant regulations and comply with all necessary requirements. See ANSI B11.19, or ISO 14119 and ISO 14120, or the appropriate standard.
Hazards guarded by the interlocked guard must be prevented from operating until the guard is closed; a stop command must be issued to the guarded machine if the guard opens while the hazard is present. Closing the guard must not, by itself, initiate a hazardous motion; a separate procedure must be required to initiate the motion.
Locate the guard an adequate distance from the danger zone (so the hazard has time to stop before the guard is opened sufficiently to provide access to the hazard). Guard locking or supplemental safeguarding must be used if the overall stopping time of the machine or the time to remove the hazard is greater than the time to access the guarded area. The guard must open either laterally or away from the hazard, not into the safeguarded area. The guard also should not be able to close by itself and activate the interlocking circuitry. The installation must prevent personnel from reaching over, under, around, or through the guard to access the hazard. Any openings due to positioning, movement, or misalignment in the guard must not allow access to the hazard—see ANSI B11.19, ISO 13855, ISO 13857, or the appropriate standard.
The guard must be strong enough and designed to protect personnel and contain hazards within the guarded area that can be ejected, dropped, or emitted by the machine. Mount the SI-MAG Safety Switch securely so that the physical position cannot shift, using reliable fasteners that require a tool to remove. Mounting slots in the housing, if provided, are for initial adjustment only; final mounting holes (round) must be used for a permanent location. The switches, actuating systems, and actuators must not be used as a mechanical or end-of-travel stop.
When the guard is closed, the magnet is guided toward the switch. When the switch on distance is reached, the magnetic field of the magnet interacts with the reed switches. If the polarity of the magnetic field is correct the reed switches change state to the door closed position. When the guard is opened, the magnetic field is removed from the response range of the switch. This allows the reed relays to switch back to the door open position.
See Mechanical Installation on page 6, Electrical Installation on page 9, switching distances listed in Models on page 3, and Specifications on page 13 for additional information.
Design and install the safety switches and actuators so that they cannot be easily defeated. Measures to minimize defeat (bypassing) of interlocking safety switches include:
- Minimizing motivation for defeating interlocking by providing training, supervision, and efficient means for machine setup/adjustment, operation, and maintenance
- Limiting accessibility to the interlocking device, such as mounting out of reach, mounting behind a physical obstruction, mounting in a concealed position
- Preventing the switch or the actuator from being disassembled or repositioned compromises the safety function.
(for example, welding, one-way screws, riveting) - Monitoring the control system for cyclic switch functioning
- Using hardware that requires a tool to remove that is not readily available.
WARNING:
- Properly Install the Interlocked Guards
- Failure to follow these guidelines could result in serious injury or death.
- At a minimum, the interlocked guard must prevent hazards when not fully closed and must prevent access to the hazards through any opening in the guard.
- Install the safety switches and actuators so they cannot be easily defeated and are not used as a mechanical or end-of-travel stop.
- The user must refer to the relevant regulations and comply with all necessary requirements. See ANSI B11.19, or ISO 14119 and ISO 14120, or the appropriate standard.
CAUTION:
- Do not use the safety switch as a mechanical or end-of-travel stop.
- Catastrophic damage can cause the safety switch to fail in an unsafe manner (that is, loss of the switching action).
- Limit the movement or rotation of the guard to prevent damage to the safety switch or the actuator.
WARNING:
- The hazard must be accessible only through the sensing field
- Incorrect system installation could result in serious injury or death.
- The installation of the SI-MAG Safety Switch must prevent any individual from reaching around, under, over, or through the defined area and into the hazard without being detected.
- See OSHA CFR 1910.217, ANSI B11.19, and/or ISO 14119, ISO 14120, and ISO 13857 for information on determining safety distances and safe opening sizes for your guarding device.
Mechanical barriers (for example, hard (fixed) guarding) or supplemental safeguarding might be required to comply with these requirements.
Pass-through hazards and Perimeter Guarding
A pass-through hazard is associated with applications where personnel may pass through a safeguard (which issues a stop command to remove the hazard), and then continue into the guarded area, such as in perimeter guarding. Subsequently, their presence is no longer detected, and the related danger becomes the unexpected start or restart of the machine while the personnel is within the guarded area.
Eliminate or reduce pass-through hazards whenever possible—see ANSI B11.19 and ANSI B11.20 or ISO 11161. One method to mitigate the risk is to ensure that once tripped, either the safeguarding device, the safety-related part of the control system or the guarded machine’s MSCs/MPCEs will latch in an OFF condition. The latch must require a deliberate manual action to reset that is separate from the normal means of machine cycle initiation.
This method relies upon the location of the reset switch as well as safe work practices and procedures to prevent an unexpected start or restart of the guarded machine. All reset switches must be:
- Outside the guarded area
- Located to allow the switch operator a full, unobstructed view of the entire guarded area while the reset is performed
- Out of reach from within the guarded area
- Protected against unauthorized or inadvertent operation (such as through the use of rings or guards)
If any areas within the guarded area are not visible from the reset switch, additional safeguarding must be provided.
WARNING:
- Perimeter guarding applications
- Failure to observe this warning could result in serious injury or death.
- Use lockout/tagout procedures per ANSI Z244.1, or use additional safeguarding as described by
ANSI B11.19 safety requirements or other applicable standards if a passthrough hazard cannot be eliminated or reduced to an acceptable level of risk.
Important: Install a safety switch in a manner that discourages tampering or defeat. Mount switches to prevent bypassing of the switching function at the terminal chamber or Quick Disconnect (QD). A switch and its actuator must never be used as a mechanical stop. Overtravel may cause damage to the switch.
CAUTION: Mount the switch and its magnet a minimum distance of 15 mm (0.6 inches) from any magnetized or ferrous materials for proper operation. If either the sensor or magnet is mounted on a material that can magnetize (a ferrous metal, such as iron), the switching distance will be affected.
All mounting hardware is supplied by the user. Fasteners must be of sufficient strength to guard against breakage. Use permanent fasteners or locking hardware to prevent the loosening or displacement of the actuator and the switch body. The mounting holes (4.5 mm) in the switch and actuator body accept M4 (#6) hardware. If possible, do not use ferromagnetic screws to secure the magnet or the switch.
Mount the switch and magnet such that the position cannot be changed after installation/adjustment. Mount the switch securely on a solid, stationary surface and prevent the loosening of mounting hardware by using lock washers, thread-locking compounds, etc. Only use slots for initial positioning. Pins, dowels, and splines can be used to prevent the movement of the switch and the actuator.
Install the switch to prevent false or unintended actuation and intentional defect.
Locate the switch and magnet to allow access for functional checks, maintenance, and service or replacement. The installation should provide suitable clearances, be readily accessible, and allow access to the magnet and switch.
Although the switch and magnet are coded to minimize the possibility of false actuation, they should not be used within known fields of high-level electromagnetic radiation.
Depending on the model of switch and magnet used, design the installation to provide the correct direction of approach. The speed of the approach must be fast enough to meet the simultaneity-monitoring period of 1.0 seconds, approximately equal to or greater than 0.1 m (4 inches) per second. If the simultaneity requirement is not met, the Safety Monitoring Module cannot be reset and will not close its safety output contacts (or turn on its OSSDs).
CAUTION: Do not overtighten the units during installation. Overtighten can cause twisting in the housing, which affects the switches’ performance. When tightening the mounting hardware, alternate between the two bolts until they are tight (torque to 1.0 to 1.5 Nm).
The installation should be carried out by authorized personnel. Many mounting positions may be used and the approach directions are shown. The vertical lines serve as an indication of the sensing face. The sensing faces must point at each other when the door is closed.
Sufficient spacing must be provided if installing a number of magnetic switches next to each other to ensure that several magnetic switches are not actuated by one magnet or bi-stable magnetic switches cannot mutually influence each other.
Direction of Approach Options for Sensor/Magnet Pairs
For all magnet style switches, the approach speed must be greater than 0.1 m/s to allow for proper switching.
Direction of Approach for SI-MAG1xx Sensor/Magnet Pairs

Normal Direction of Approach: movement is perpendicular to the plane of the sensing face
Incorrect Direction of Approach: Label to label approach of sensor and magnet is not possible
Alternate Direction of Approach: movement is parallel to the plane of the sensing face
Incorrect Direction of Approach: 90º approach of sensor and magnet is only possible with the SI-MAG1MM90 magnet
Normal Direction of Approach: movement is perpendicular to the plane of the sensing face.
Important! The magnet mounting holes must be oriented as shown, relative to the sensor cable position.
Incorrect Magnet Orientation
Alternate Direction of Approach: movement is parallel to the plane of the sensing face.
Important! The magnet mounting holes must be oriented as shown, relative to the sensor cable position.
Electrical Installation
WARNING:
- Risk of electric shock
- Use extreme caution to avoid electrical shock. Serious injury or death could result.
- Always disconnect power from the safety system (for example, device, module, interfacing, etc.), guarded machine, and/or the machine being controlled before making any connections or replacing any component. Lockout/tagout procedures might be required. Refer to OSHA 29CFR1910.147, ANSI Z244-1, or the applicable standard for controlling hazardous energy.
Make no more connections to the device or system that are described in this manual. Electrical installation and wiring must be made by a Qualified Person and must comply with the applicable electrical standards and wiring codes, such as the NEC (National Electrical Code), NFPA 79, or IEC 60204-1, and all applicable local standards and codes.
Monitoring Series-Connected Safety Switches
Series-connected interlock switch circuits do not meet EN ISO 13849-1 Safety Category 4 and may not meet Control Reliability requirements because of the potential for an inappropriate reset or potential loss of the safety stop signal. A multiple connection of this type should not be used in applications where the loss of the safety stop signal or an inappropriate reset can lead potentially to serious injury or death.
The following two scenarios assume a magnetic safety switch is installed on each guard:
- Masking of a failure: If a guard is opened but a switch contact fails to change state, the safety redundant contact of the switch will change state and cause the Safety Monitoring Module to de-energize its outputs. If the faulty guard is then closed, the switch outputs return to the proper guard closed state, but because one channel did not change state, the Safety Monitoring Module will not reset (input fault situation). However, if the faulty switch is not replaced and a second ‘good’ guard is cycled (opened and then closed, properly cycling the modules input channels), the Safety Monitoring Module considers the failure to be corrected. With the input requirements apparently satisfied, the module allows a reset. This system is no longer redundant and, if the second contact fails, may result in an unsafe condition (i.e. the accumulation of faults results in the loss of the safety function).
- Non-detection of a failure: If a guard with a good switch is opened, the Safety Monitoring Module de-energized its outputs. But if a guard with a faulty switch is then opened and closed before the good guard is closed, the failure on the faulty guard is not detected. This system is no longer redundant and may result in a loss of safety if the second contact fails to switch when needed.
The systems in either scenario do not inherently comply with the safety standard requirements of detecting single faults and preventing the next cycle. In multiple guard systems using series-connected safety switches, it is important to periodically check the functional integrity of each interlocked guard individually. Operators, maintenance personnel, and others
¹A person who, by possession of a recognized degree or certificate of professional training, or who, by extensive knowledge, training, and experience, has successfully demonstrated the ability to solve problems relating to the subject matter and work.
associated with the operation of the machine must be trained to recognize such failures and be instructed to correct them immediately.
Open and close each guard separately while verifying that the Safety Monitoring Module’s output operate correctly throughout the check procedure. Follow each gate closure with a manual reset, if needed. If a contact set fails, the Safety Monitoring Module will not enable its reset function. If the Safety Monitoring Module does not reset, a switch may have failed; that switch must be immediately replaced.
This check must be performed and all faults must be cleared, at a minimum, during periodic checkouts. If the application can not exclude these types of failures and such a failure could result in serious injury or death, then the series connection of safety switches must not be used.
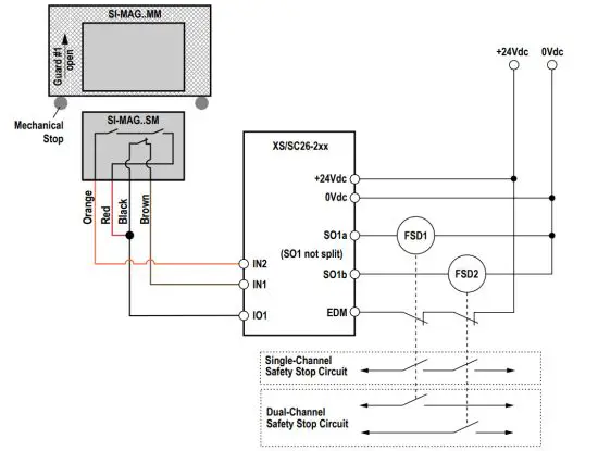
Wiring an Individual Magnetic Switch
A moveable safety guard is monitored through one Magnetic Safety Interlock Switch. The safety output contacts of the magnetic switch are connected to a safety monitoring module. When the safety guard is closed (coded magnet detected), the magnetic switch’s contacts switch to the ON (normal) state.
Important: If the model number of the magnetic switch does not include a letter between the SI-MAG and the number, the orange wire shown is blue and the red wire is gray on older models.
Wiring Magnetic Switches in Series
To monitor several moveable safety guards with a series connection of more than one SI-MAG Safety Switch, follow these steps.
- On the first switch, connect the black wire to the red (gray on older units) wire, and then connect these wires to the voltage supply terminal of the safety evaluation module.
- Connect the NC contacts in series.
a) Connect the brown wire of one switch to the black wire of the next switch.
b) Connect the brown wire of the last switch to the NC input of the safety evaluation module. - Connect the NO contacts in parallel.
a) Connect together the red (gray on older units) wire of all the switches.
b) Connect together the orange (blue on older units) wires.
c) Connect the red wires with the black wire of the first switch to the voltage supply terminal of the safety evaluation module.
d) Connect the orange wires to the NO input terminal of the safety evaluation module.
Important: If the model number of the magnetic switch does not include a letter between the SI-MAG and the number, the orange wire shown is blue and the red wire is gray on older models.
Wiring for Quick Disconnect Magnetic Switches
Specifications
Switching Elements
Three pole-stable reed switches
Protection Class (Environment Rating)
IP67 according to IEC529 (EN 60529)
Maximum Switching Voltage
170 V DC / 120 V AC
Maximum Switching Current
400 mA DC/280 mA AC
Mechanical Life
3 x 108 cycles, however, according to load resectability
Operating Frequency
1 Hz
Pollution Degree
3 according to EN 60947-1
Operating Temperature
–25 °C to +70 °C (–13 °F to +158 °F)
(Below –5 °C the cable must be fixed so that it cannot move)
Switching Capacity
0.25 VA
Repeat Switching Accuracy
0.1 x Switching Distance (under the same geometrical conditions at the same temperature
Construction
The epoxy-encapsulated circuit in polyamide housing (PA 6)
Connections
Integral PVC jacketed 4-wire 26 AWG cable, 4-pin M12 QD, or 4-pin M8 QD, depending on the model
Certifications
Note Limited Electrical Data:
- Maximum Switching Voltage: 60 V AC / 30 V DC
- Maximum Switching Current: 0.08 A
- Maximum Switching Capacity: 0.25 VA

Safety Rating
B10d is 20 million cycles per ISO 13849-1
Magnetic Switch Dimensions
Figure 4. SI-MAG2SM Sensor
Accessories
The Magnetic Safety Interlock Switches are contact-based devices. To perform their safety function these switches need to be connected to an appropriate safety monitoring device like a GM-FM-10J, SC22, SC26, or XS26.
Table 1: Safety controller models
| Non-Expandable Models | Expandable Models | Description |
| SC26-2 | XS26-2 | 26 convertible I/O and 2 Redundant Solid State Safety Outputs |
| SC26-2d | XS26-2d | 26 convertible I/O and 2 Redundant Solid State Safety Outputs with Display |
| SC26-2e | XS26-2e | 26 convertible I/O and 2 Redundant Solid State Safety Outputs with Ethernet |
| SC26-2de | XS26-2de | 26 convertible I/O and 2 Redundant Solid State Safety Outputs with Display and Ethernet |
| SC10-2roe | 10 Inputs, 2 redundant relay safety outputs (3 contacts each) (ISD and Ethernet compatible) |
| Model | Description |
| GM-FA-10J | Single or dual channel switch monitoring, 2 normally open (N.O.) redundant-output 6 amp contacts |

Product Support and Maintenance
Repairs
Contact Banner Engineering for troubleshooting of this device. Do not attempt any repairs to this Banner device; it contains no field-replaceable parts or components. If the device, device part, or device component is determined to be defective by a Banner Applications Engineer, they will advise you of Banner’s RMA (Return Merchandise Authorization) procedure.
Important: If instructed to return the device, pack it with care. Damage that occurs in return shipping is not covered by warranty.
Contact Us
Banner Engineering Corp. headquarters is located at:
9714 Tenth Avenue North
Minneapolis, MN 55441, USA
Phone: + 1 888 373 6767
For worldwide locations and local representatives, visit www.bannerengineering.com.
Banner Engineering Corp. Limited Warranty
Banner Engineering Corp. warrants its products to be free from defects in material and workmanship for one year following the date of shipment. Banner Engineering Corp. will repair or replace, free of charge, any product of its manufacture which, at the time it is returned to the factory, is found to have been defective during the warranty period. This warranty does not cover damage or liability for misuse, abuse, or the improper application or installation of the Banner product.
THIS LIMITED WARRANTY IS EXCLUSIVE AND IN LIEU OF ALL OTHER WARRANTIES WHETHER EXPRESS OR IMPLIED (INCLUDING, WITHOUT LIMITATION, ANY WARRANTY OF MERCHANTABILITY OR FITNESS FOR A PARTICULAR PURPOSE), AND WHETHER ARISING UNDER COURSE OF PERFORMANCE, COURSE OF DEALING OR TRADE USAGE.
This Warranty is exclusive and limited to repair or, at the discretion of Banner Engineering Corp., replacement. IN NO EVENT SHALL BANNER ENGINEERING CORP. BE LIABLE TO THE BUYER OR ANY OTHER PERSON OR ENTITY FOR ANY EXTRA COSTS, EXPENSES, LOSSES, LOSS OF PROFITS, OR ANY INCIDENTAL, CONSEQUENTIAL, OR SPECIAL DAMAGES RESULTING FROM ANY PRODUCT DEFECT OR FROM THE USE OR INABILITY TO USE THE PRODUCT, WHETHER ARISING IN CONTRACT OR WARRANTY, STATUTE, TORT, STRICT LIABILITY, NEGLIGENCE, OR OTHERWISE.
Banner Engineering Corp. reserves the right to change, modify or improve the design of the product without assuming any obligations or liabilities relating to any product previously manufactured by Banner Engineering Corp. Any misuse, abuse, or improper application or installation of this product or use of the product for personal protection applications when the product is identified as not intended for such purposes will void the product warranty. Any modifications to this product without prior express approval by Banner Engineering Corp will void the product warranties. All specifications published in this document are subject to change; Banner reserves the right to modify product specifications or update documentation at any time. Specifications and product information in English supersede that which is provided in any other language. For the most recent version of any documentation, refer to: www.bannerengineering.com.
For patent information, see www.bannerengineering.com/patents.
www.bannerengineering.com
Tel: + 1 888 373 6767























