ABB Sense7 Series Non-Contact Coded Safety Switch

Read and understand this document
Please read and understand this document before using the products. Please consult your ABB Motor Start-ing & Safety representative if you have any questions or comments.
Suitability for use
ABB Electrification Sweden AB shall not be responsible for conformity with any standards, codes, or regulations that apply to the combination of products in the customer’s application or use of the product. Third party certificates for the products are available at
https://new.abb.com/low-voltage/products/safety-products. This information by itself is not sufficient for a complete determination of the suitability of the products in combination with the end product, machine, system, or other application or use.
The following are some examples of applications for which particular attention must be given. This is not intended to be an exhaustive list of all possible uses of the products, nor is it intended to imply that the uses listed may be suitable for the products:
- Outdoor use uses involving potential chemical contamination or electrical interference, or conditions or uses not described in this document.
- Nuclear energy control systems, combustion systems, railroad systems, aviation systems, medical equipment, amusement machines, vehicles, and installations subject to separate industry or govern-ment regulations.
- Systems, machines, and equipment that could present a risk to life or property.
Please know and observe all prohibitions of use applicable to the products.
NEVER USE THE PRODUCTS FOR AN APPLICATION INVOLVING SERIOUS RISK TO LIFE OR PROPERTY WITHOUT ENSURING THAT THE SYSTEM AS A WHOLE HAS BEEN DESIGNED TO ADDRESS THE RISKS, AND THAT THE ABB PRODUCT IS PROPERLY RATED AND INSTALLED FOR THE INTENDED USE WITHIN THE OVERALL EQUIPMENT OR SYSTEM.
Descriptions and examples show how the product works and can be used. It does not mean that it fulfills the requirements for all types of machines and processes. The buyer/user is responsible for installing and using the product according to applicable standards and regulations. We reserve the right to make changes to the product and the documentation without prior notice.
Introduction
Scope
The purpose of these instructions is to describe the non-contact coded safety switch Sense7-series, and to provide the necessary information required for assembly, installation, operations, checks and adjustments after installation, and maintenance. The instructions also include information necessary to connect Sense7 to a safety circuit.
Audience
This document is intended for authorized personnel.
Prerequisites
It is assumed that the reader of this document has knowledge of the following:
- Basic knowledge of ABB Electrification Sweden AB products.
- Knowledge of safety devices.
- Knowledge of machine safety.
Special notes
Pay attention to the following special notes in the document:
- Warning! Danger of severe personal injury!
An instruction or procedure which, if not carried out correctly, may result in injury to the tech-nician or other personnel. - Caution! Danger of damage to the equipment!
An instruction or procedure which, if not carried out correctly, may damage the equipment. - NB: Notes are used to provide important or explanatory information.
Overview
General description
The coded non-contact switches Sense7 are designed to provide position interlock detection for moving guards. They are designed to fit the leading edge of sliding, hinged, or lift off machine guards. The actuator is fitted to the moving part of the guard, and is aligned to the switch, placed on the frame of the guard. Its design makes it advantageous to operate in environments that require the highest level of safety.
Safety regulations
Warning! Carefully read through this entire manual before using the device.
Installation shall be conducted by authorized personnel following the Safety regulations, standards and lo-cal legal regulations. Carefully read through the entire original instruction before using the device. Failure to comply with instructions, operation that is not in accordance with the use prescribed in these in-structions, improper installation or handling of the device can affect the safety of people and the plant. For installation and prescribed use of the product, the special notes in the instructions must be carefully observed and the technical standards relevant to the application must be considered. In case of failure to comply with the instructions or standards, especially when tampering with and/or mod-ifying the product, any liability is excluded.
Function description
The magnetic switch is small in size, which makes it easy to position and hide on gates and hatches. Sense7 is resistant to both dirt and water, and has no dust collecting cavities, which make it useful in environments where hygiene is paramount. The non-contact coded safety switch has a long working life since no mechani-cal contact is necessary for operation. The Sense7 has 2NC and 1NO contacts and a sensing distance to the actuator of 14mm. It has a high tolerance to misalignment. Actuator is always delivered with the non-con-tact switch.
Depending on the environment where the switch will be used, different material can be chosen on the Sense7. The basic version is in a full plastic body (polyester). In harsh applications as for food processing and chemical industry there is a Sense7Z with a total rugged stainless steel 316 body. Both versions have an enclosure protection up to IP69K and can be high pressure hosed with detergent at high temperature.
Warning! Application consideration must be given to the fixing of the actuator which has to be in a way that prevents disassembly by easy means..
Connections
See Chapter Installation and Maintenance for more information regarding installation.
Connections
For all ABB switches the NC circuits are closed when the guard is closed and the actuator present.
Pin configurations

| Quick Connect (QC) M12 8 way Male Plug (Pin view from switch) | Flying Lead Colors | Circuit (Actuator present) | Output Types Solid State |
| 8 | Orange | Auxiliary (NO) | 200mA Max. 24Vdc |
| 5 | Brown | Auxiliary (NO) | |
| 4 | Yellow | NC2 +ve | 200mA Max. 24Vdc |
| 6 | Green | NC2 -ve | |
| 7 | Black | NC1 +ve | 200mA Max. 24Vdc |
| 1 | White | NC1 -ve | |
| 2 | Red | Supply +24Vdc | +/- 10% |
| 3 | Blue | Supply 0Vdc |
Installation and maintenance
Installation and maintenance
- The installation of all ABB Electrification Sweden AB interlock switches must be done in accordance with a risk assessment for the individual application. Installation must only be carried out by compe-tent personnel and in accordance with these instructions.
- The use of a safety relay is required for monitoring coded switches. These relays monitor 2 redundant circuits as per ISO13849-1 for up to PL e / Category 4 protection. Coded non-contact switches are de-signed to operate with most dual channel safety relays.
- M4 mounting bolts must be used to fix the switches. Tightening torque for mounting bolts to ensure reliable fixing is 1.0 Nm.
Installation on ferrous materials may reduce the sensing distance.
The recommended setting gap is 5 mm. The Safety switch must not be used as a mechanical stop or be adjusted by striking with a hammer.
The actuator must not be allowed to strike the switch. Do not mount adjacent switches or actuators closer than 30mm. Typical misalignment tolerance after setting is 5 mm. - After installation always check each switch function by opening and closing each guard individually in turn and ensuring that the Green LED on the switch and the LED’s on the safety relay are illuminated when the switch is closed and are extinguished when the switch is open.
- Check that the machine stops and cannot be re/started when each switch is open.
Warning! All the safety functions must be tested before starting up the system.
Maintenance
Monthly: Check alignment of actuator and look for signs of mechanical damage to the switch casing. Check wiring for signs of damage.
Every 6 months: Check each switch function by opening and closing each guard individually in turn and en-suring that the Green LED on the switch and the appropriate LED’s on the safety relay are illuminated when the switch is closed and are extinguished when the switch is open. Check that the machine stops and can-not be re-started when each switch is open.
Specific requirements
If the products are used in safety-related applications with infrequently operated guards, then the safety function shall be checked for hidden faults at least once per year for PL d and at least once per month for PL e. Please see EN ISO 14119.
Warning! The safety functions and the mechanics shall be tested regularly, at least once every year to confirm that all the safety functions are working properly.
Warning! In case of breakdown or damage to the product, contact the nearest ABB Electrification Sweden AB Service Office or reseller. Do not try to repair the product yourself since it may accidentally cause permanent damage to the product, impairing the safety of the device which in turn could lead to serious injury to personnel.
Caution! ABB Electrification Sweden AB will not accept responsibility for failure of the switch functions if the installation and maintenance requirements shown in this sheet are not implemented. These requirements form part of the product warranty.
Minimum safety distance
When using interlocking guards without guard locking to safeguard a hazard zone, the minimum allowed safety distance between the guarded opening and the hazardous machine must be calculated. In order to ensure that the hazardous machine motion will be stopped before it can be reached, the minimum safety distance is calculated according to EN ISO 13855 (“Positioning of safeguards with respect to the approach speeds of parts of the human body”).
The minimum safety distance is calculated according to the formula:
S = (K x T) + C
Where
S = minimum safety distance (mm)
K = approach speed of a human body; 1600 mm/s
T = the total time from opening of the guard until the hazardous machine movement has stopped, i.e. in-cluding control system reaction times and other delays (s)
C = a safety distance taken from Table 4 or Table 5 of EN ISO 13857:2008, if it is possible to push fingers or a hand through the opening towards the hazard before a stop signal is generated
In some cases, T might be reduced by the opening time of the guard until the opening size permits access of the relevant parts of the body. Refer to EN ISO 13855 for further details and EN ISO 13857 for specified values.
Application examples
For the latest connection diagrams, please see our web page:
https://library.abb.com/r?cid=9AAC170124&dk=connection%20diagram
Solution for two NC-contacts 
Note: The PL should be calculated using ISO/TR 24119 and EN ISO 13849-1/2
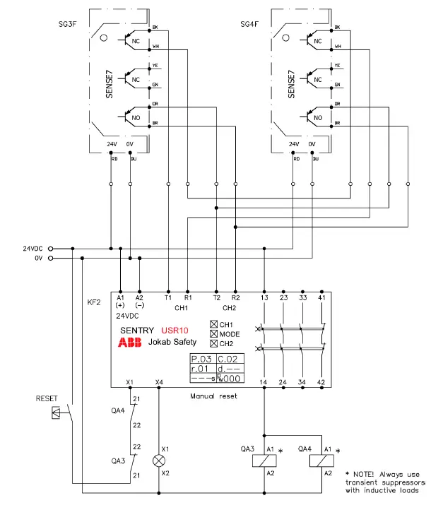
Solution for one NC-contact and one NO-contact
Note: The PL should be calculated using ISO/TR 24119 and EN ISO 13849-1/2
Model overview
| Type | Product ID | Description |
| Sense7 | 2TLA050056R4100* | 2 m cable, 2NC/1NO, LED |
| Sense7 | 2TLA050056R5100* | 5 m cable, 2NC/1NO, LED |
| Sense7 | 2TLA050056R6100* | 10 m cable, 2NC/1NO, LED |
| Sense7 | 2TLA050056R2100* | 250 mm cable with M12, 2NC/1NO, LED |
| Sense7Z | 2TLA050056R4120 | 2 m cable, 2NC/1NO, LED, Stainless Steel |
| Sense7Z | 2TLA050056R5120 | 5 m cable, 2NC/1NO, LED, Stainless Steel |
| Sense7Z | 2TLA050056R6120 | 10 m cable, 2NC/1NO, LED, Stainless Steel |
| Sense7Z | 2TLA050056R2120 | 250 mm cable with M12, 2NC/1NO, LED, Stainless Steel |
Accessories
| Type | Product ID | Description |
| Sense7, actuator | 2TLA050040R0211* | Spare actuator plastic |
| Sense7, SSactuator | 2TLA050040R0212 | Spare actuator stainless steel |
Dimensions

Technical data
| Manufacturer | |
| Address | ABB Electrification Sweden AB SE-721 61 Västerås Sweden |
| Electrical characteristics | |
| Minimum switched current | 10VDC 1mA |
| Dielectric withstand | 250 VAC |
| Safety channel 1-NC | 24VDC 0.2 A max. rating |
| Safety channel 2-NC | 24VDC 0.2 A max. rating |
| Safety channel 3-NO | 24VDC 0.2 A max. rating |
| Insulation resistance | 100 MOhms |
| General | |
| Recommended setting gap | 5 mm |
| Switching Dis- tance(target to target) | Sao 8 mm close (on) Sar 20 mm open (off) |
| Tolerance to misalignment | 5 mm in any direction from 5 mm setting gap |
| Switching frequency | 1.0 Hz maximum |
| Approach speed | 200 mm/m to 1000 mm/s |
| Vibration resistance | IEC 68-2-6, 10-55 Hz 1 mm |
| Shock resistance | IEC 68-2-27, 11 ms, 30 g |
| Protection class | IP69K |
| Cable Type | PVC 8 core 6 mm O.D |
| Ambient temperature | Sense7: -25°C to +80°C Sense7Z: -25°C to +105°C |
| Size | See drawing |
| Material | Sense7: UL approved polyes- terSense7Z: Stainless steel 316 |
| Colour | Red or stainless steel |
| Mounting position | Any |
| Mounting bolts | 2 x M4 Tightening torque 1.0 Nm |
| Safety-related characteristic data and Conformity | |
| Conformity | European Machinery Directive 2006/42/EC EN ISO 12100:2010, EN ISO 14119:2013, EN ISO 13849-1:2015, EN 60947-5- 3:2013 |
| EN ISO 13849-1 | Up to PLe Category 4 (if both channels are used with a PLe control device) |
| EN 62061 | Up to SIL3 depending on system architecture |
| Safety data | |
| PFHD | 2.6 x 10-10 (1/h) |
| Proof test interval (life) | 20 years |
| MTTFd | 866 years |
| Certifications | TÜV, cULus |
| Information with regard to UL 508 | Type 1 Enclosure Control No: 48W5 Max. Temp: 70ºC (Plastic version), 90ºC (Stainless Steel) |
EC Declaration of conformity
EC Declaration of conformity
(according to 2006/42/EC, Annex 24)
We ABB Electrification Sweden AB
SE-721 61 västerds declare that the safety components of ABB
AB manufacture with type designations and safety functions as listed below, is in conformity with the Directives
2006/42/EC Machinery
2014/30/EU- EMC
2011/65/EU- ROHS
2015/863-ROHS3
Sweden Authorised to compile the technical file
ABB Electrification Sweden AB
SE-721 61 Västerås
Sweden
Product
Noncontact safety switches
Certificate
968/EZ 554.03/21
Sense7, Sense7z
Certification Body
TŪV Rheinland Industrie service GmbH
Am Grauen Stein
51105 Köln
Germany
ABB Electrification Sweden AB
SE-721 61 Västerás, Sweden
https://new.abb.com/low-voltage/



















